![Пауль Хоровиц, Уинфилд Хилл - Искусство схемотехники. Том 2 [Изд.4-е]](/page_images/14/6b7167f5445f862ac46ee42859e6ae60.jpg)
Рис. 7.29.
Треугольниками обозначены целиком разностные усилители или вообще любые дифференциальные или измерительные усилители, а Rи1 и Rи2- эквивалентные сопротивления источника на каждом выводе. Вся схема усилителя для синфазных сигналов включает в себя эти сопротивления источника, соединенные последовательно с входными резисторами R1 и R3 (рис. 7.26 и 7.27), поэтому КОСС зависит от согласованности Rи1 + R1 с Rи2 + R3. Конечно, требования, которые предъявляются этой схемой к полному сопротивлению источника, как показано выше, оказываются слишком жесткими.
Некоторого улучшения можно добиться за счет увеличения значений резисторов, применяя Т-образную цепь для резисторов обратной связи, показанную на рис. 7.30.
![Пауль Хоровиц, Уинфилд Хилл - Искусство схемотехники. Том 2 [Изд.4-е]](/page_images/14/e4fad558f8ac7e3b10644613f321a437.jpg)
![Пауль Хоровиц, Уинфилд Хилл - Искусство схемотехники. Том 2 [Изд.4-е]](/page_images/14/16d2ec040315a53ef422d469419b6ea2.jpg)
Рис. 7.30.Дифференциальные усилители с Т-образными цепями, обеспечивающими большие значения полного входного сопротивления при меньших сопротивлениях резисторов обратной связи.
Этот вариант Т-образной цепи для дифференциального усилителя обсуждался в разд. 7.06 и 4.19. При обозначенных на рис. 7.30 значениях резисторов усиление дифференциального напряжения будет около 1000 (60 дБ). Для точности коэффициента усиления 0,1 % полное сопротивление источника должно быть меньше 25 Ом и согласовано (на выводах источника) до 0,25 Ом, чтобы получить КОСС 100 дБ. Это по-прежнему неприемлемые требования к источникам в большинстве применений. Например, тензодатчик имеет полное внутреннее сопротивление около 350 Ом.
Радикальное решение этой проблемы заключается в использовании повторителей или неинвертирующих усилителей для получения высокого полного входного сопротивления. Наиболее простой способ - это добавить повторители к обычному дифференциальному усилителю (рис. 7.31).
![Пауль Хоровиц, Уинфилд Хилл - Искусство схемотехники. Том 2 [Изд.4-е]](/page_images/14/7567036aa507c6238c29a80fb24250a7.jpg)
Рис. 7.31.Дифференциальный усилитель с высоким Zвх.
При получающихся колоссальных значениях входного полного сопротивления вопросы полного сопротивления нас уже не волнуют, по крайней мере на постоянном токе. На более высоких частотах снова важно иметь согласованные полные сопротивления источника для синфазных сигналов, так как входная емкость схемы в комбинации с сопротивлением источника образует делитель напряжения. Под "высокими частотами" часто имеется в виду просто частота напряжения сети, поскольку наводка синфазной помехи от сети питания схемы - это обычная неприятность; на такой частоте входная емкость в несколько пикофарад неважна.
7.10. Стандартный измерительный усилитель на трех ОУ
Одним из недостатков описанной схемы с повторителями на рис. 7.31 является то, что в ней требуется большой КОСС и в повторителях, и в выходном ОУ. Поскольку входные буферные усилители работают с единичным усилением, все подавление синфазных помех должно происходить в выходном усилителе, что требует, как было указано, прецизионного согласования резисторов. Схема, изображенная на рис. 7.32 в этом смысле значительно лучше. Она представляет собой стандартную конфигурацию измерительного усилителя.
![Пауль Хоровиц, Уинфилд Хилл - Искусство схемотехники. Том 2 [Изд.4-е]](/page_images/14/8d55459ebdbbbdaf5c2c99aa0da6a7aa.jpg)
Рис. 7.32.Классический измерительный усилитель.
Входной каскад является удачным сочетанием двух ОУ, обеспечивающим большой дифференциальный коэффициент усиления и единичный коэффициент усиления синфазных сигналов без какого-либо особо точного согласования резисторов. Его дифференциальный выход представляет собой сигнал с существенно уменьшенной (относительно) синфазной составляющей и используется для возбуждения схемы обычного дифференциального усилителя. Последний часто бывает включен с единичным коэффициентом усиления, и его задача - получение однополюсного выходного сигнала и подавление остаточного синфазного сигнала. В результате отпадает надобность в том, чтобы выходной ОУ имел большой КОСС, и не требуется прецизионного согласования резисторов в схеме обвязки U3. Настройка нуля сдвига для всей схемы может быть сделана, как показано, на одном из входных ОУ. Эти входные ОУ должны, однако, иметь высокий КОСС, и выбирать их следует тщательно.
В виде гибридных ИМС измерительные усилители с описанной стандартной конфигурацией выпускаются несколькими фирмами. Все компоненты, кроме резистора R1, встроены, а коэффициент усиления устанавливается единственным внешним резистором R1. Типичными примерами таких модулей являются микромошный ΙΝΑ 102, высокоскоростной ΙΝΑ ПО и прецизионный AD624. У всех этих усилителей коэффициент усиления имеет диапазон от 1 до 1000, КОСС - около 100 дБ и входное полное сопротивление более 100 МОм. Микромощный гибридный модуль LH0036 может работать от такого низкого напряжения питания, как +1 В. AD624 имеет линейность коэффициента усиления около 0,001 %, начальный сдвиг напряжения менее 25 мкВ и дрейф напряжения сдвига не более 0,25 мкВ/°С; предусмотрена и возможность внешней настройки нуля напряжения сдвига. Некоторые измерительные усилители (например, высокоточный ΙΝΑ 104) имеют возможность регулировки КОСС. Не путайте эти модули с "измерительным операционным усилителем" 725, который представляет собой просто хороший ОУ, предназначенный для использования в схемах измерительных усилителей. На рис. 7.33 приведена полная схема измерительного усилителя, как она обычно строится.
![Пауль Хоровиц, Уинфилд Хилл - Искусство схемотехники. Том 2 [Изд.4-е]](/page_images/14/037da08234b9caf3e15f4657a01f8321.jpg)
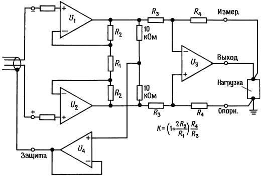
Рис. 7.33.Измерительный усилитель с выводами защиты, измерительным и опорного напряжения.
Несколько замечаний об этой схеме измерительного усилителя: (а) Усиленный (по мощности) синфазный сигнал с выхода U4 может быть использован как "защитное" напряжение для ослабления эффектов емкости кабеля и утечек. При таком включении защитный выход должен быть соединен с экраном входного кабеля. Если резистор установки коэффициента усиления (R1) не установлен непосредственно рядом с усилителем (существует отдельная панель регулировки - компоновка, которой следует избегать), то его (резистора R1) соединения также должны быть экранированы и защищены, (б) Выводы ИЗМЕРЕНИЕ и ОПОРНЫЙ дают возможность измерять выходное напряжение непосредственно на нагрузке, так что благодаря обратной связи можно исключить потери в соединительных проводах, идущих к внешней схеме. К тому же ОПОРНЫЙ вывод позволяет смещать выходной сигнал постоянным напряжением (или другим сигналом); однако полное сопротивление между этим выводом и землей должно быть малым, иначе упадет КОСС. (в) Для всех такого вида измерительных усилителей необходимо формировать цепь для прохождения входного тока; нельзя, например, просто подсоединить к входу термопару. На рис. 7.34 показана простая схема включения ИМС измерительного усилителя с использованием выводов защиты входа, измерения и опорного.
![Искусство схемотехники. Том 2 [Изд.4-е]](/page_images/14/dc5e01548a5ec7dff62a391824134a66.jpg)
Рис. 7.34.ИМС измерительного усилителя.
Следящая связь по питанию. КОСС входных ОУ может оказаться лимитирующим фактором для подавления синфазных помех во всей схеме. Если нужны значения КОСС около 120 дБ, то можно применить прием, иллюстрируемый рис. 7.35. U4 измеряет уровень синфазного сигнала и управляет общей точкой маломощного плавающего расщепленного источника питания для U1 и U2. Эта схема следящей связи эффективно гасит синфазный сигнал для U1 и U2, так как на их входах нет синфазных колебаний относительно их собственного питания. U3 и U4 питаются от общего источника питания, как обычно. Эта схема может творить чудеса с КОСС, по крайней мере на постоянном токе. С возрастанием частоты приходится иметь дело с обычными проблемами согласования полных сопротивлений и входных емкостей.