![Пауль Хоровиц, Уинфилд Хилл - Искусство схемотехники. Том 2 [Изд.4-е]](/page_images/14/6d548da8085ec367fc104f0c50553bea.jpg)
Рис. 7.24.Мост из тензодатчиков, подключенный к усилителю.
У всех резисторов примерно одно и то же сопротивление (типичное значение 350 Ом), но они подвергаются различной деформации. Чувствительность по всей шкале обычно равна 2 мВ на 1 В, поэтому диапазон изменения выходного сигнала будет равен 20 мВ при постоянном возбуждении 10 В. Это небольшое дифференциальное выходное напряжение пропорционально деформации и наложено на постоянный уровень 5 В. Дифференциальный усилитель должен обладать исключительно большим КОСС для усиления милливольтового дифференциального сигнала при одновременном подавлении синфазной помехи ~ 5 В. Предположим, например, что мы хотим иметь максимальную ошибку 0,1 %. Так как 0,1 % от полной шкалы есть 0,02 мВ, наложенные на 5000 мВ, КОСС должен превосходить 250000:1, т. е. ~ 108 дБ.
Способы, применяемые для создания хороших измерительных усилителей и вообще дифференциальных усилителей с высоким коэффициентом усиления, подобны только что обсуждавшейся схемотехнике. Существенными являются погрешности тока смещения, сдвига и КОСС. Начнем с обсуждения дифференциальных усилителей для некритичных применений, чтобы оценить требования к ним и схемные пути их удовлетворения.
7.09. Простой разностный усилитель
Типичная ситуация, в которой достаточно умеренное значение подавления синфазного сигнала, показана на рис. 7.25.
![Пауль Хоровиц, Уинфилд Хилл - Искусство схемотехники. Том 2 [Изд.4-е]](/page_images/14/06a1ae14509d8501780185769950aa29.jpg)
Рис. 7.25.Стабилизатор тока.
Эта токочувствительная схема применяется как часть источника питания постоянного тока для создания неизменного тока в нагрузке. Падение напряжения на четырехпроводном прецизионном мощном резисторе 0,01 Ом пропорционально току нагрузки. Хотя один конец резистора R5 присоединен к земле, глупо было бы использовать одновходовый усилитель, поскольку миллиомное сопротивление соединения даст ошибку в 10 %! Очевидно, что нужен дифференциальный усилитель, но от него не требуется особенно высокий КОСС, поскольку синфазные помехи будут малы. ОУ включен в обычную конфигурацию разностного усилителя, как было описано в разд. 4.09. Резисторы R1, R2 и R5 - прецизионные проволочные резисторы для максимальной стабильности коэффициента усиления, a R3 и R4, определяющие КОСС, - простые однопроцентные металлопленочные резисторы. Таким образом, вся схема имеет точность коэффициента усиления, близкую к точности токочувствительного резистора, и имеет КОСС порядка 40 дБ.
Прецизионный дифференциальный усилитель. Для таким применений, как усиление сигналов тензодатчиков, термопар и т. п., КОСС, равного 40 дБ, совершенно недостаточно, а нужны значения вроде 100 или 120 дБ. В предыдущем примере с тензодатчиком у нас мог быть дифференциальный сигнал небаланса порядка 2 мВ на 1В. Если требуется точность 0,05 %, то нужно подавление синфазного сигнала, как минимум, 114 дБ. (Заметьте, что это требование может быть значительно смягчено в том случае, когда "нуль" усилителя равен синфазному напряжению, как это можно получить в лабораторных условиях.) Напрашивающееся решение для улучшения КОСС - увеличить точность резисторов разностной схемы (рис. 7.26).
![Пауль Хоровиц, Уинфилд Хилл - Искусство схемотехники. Том 2 [Изд.4-е]](/page_images/14/53097afe68fbd0f1e8a38d48ca9bb5ca.jpg)
Рис. 7.26
Значения резисторов выбираются так, чтобы сопротивления больших резисторов обратной связи лежали в диапазоне номиналов доступных прецизионных проволочных резисторов. При использовании резисторов с допуском 0,01 % КОСС будет около 80 дБ (68 дБ в худшем случае), если ОУ имеет большое КОСС. Для получения нулевой чувствительности к синфазным помехам нужен, как показано, только один подстроечный потенциометр. При указанных параметрах можно подстройкой свести суммарную ошибку к величине 0,05 % (чуть больше максимальной ошибки резистора). Причудливая цепь, показанная на рисунке, применена потому, что подстроечные потенциометры с малым значением сопротивления со временем могут терять настройку, и лучше обойтись без них.
Замечание о подавлении синфазной помехи переменного тока. Использование хорошего ОУ и тщательная подстройка позволяют достичь КОСС в 100 дБ и более на постоянном токе. Но проволочные резисторы, которые нужны для стабильности, имеют некоторую индуктивность, из-за которой КОСС ухудшается с частотой. Этот эффект, общий для всех схем, которые мы будем рассматривать, можно уменьшить применением безындуктивных проволочных резисторов (типа Aryton-Perry). Заметим также, чтобы получить хороший КОСС на высоких частотах, необходимо сбалансировать емкости схемы. Это может потребовать строгого зеркально-симметричного расположения элементов.
Фирма Burr-Brown выпускает ряд прецизионных дифференциальных усилителей, укомплектованных подогнанными друг к другу резисторами, в очень удобном 8-штырковом корпусе мини-DIP. ΙΝΑ 105 - усилитель с единичным усилением (максимальная погрешность коэффициента усиления ±0,01 %), входным сопротивлением 25 кОм, a ΙΝΑ 106 имеет коэффициент усиления 10 с такой же точностью и входное сопротивление 10 кОм. КОСС последнего не меньше 94 дБ, Uсдвмаксимум 100 мкВ и он устойчив при работе на емкостную нагрузку до 1000 пФ. Фирма Burr-Brown выпускает также вариант схемы, имеющей большой диапазон входного синфазного напряжения (±200 В) и описанной ниже.
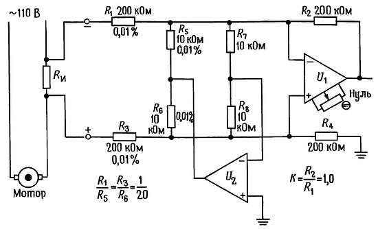
Высоковольтный дифференциальный усилитель. На рис. 7.27 показан разумный способ расширения диапазона синфазного напряжения входа в схеме разностного усилителя за границы напряжения питания без соответствующего уменьшения дифференциального коэффициента усиления.
![Пауль Хоровиц, Уинфилд Хилл - Искусство схемотехники. Том 2 [Изд.4-е]](/page_images/14/3848b6d2075520610b78dc17d629de23.jpg)
Рис. 7.27.Дифференциальный усилитель с большим допустимым синфазным напряжением, построенный на низковольтных ОУ.
U2 воспринимает синфазный сигнал, имеющийся на входе U1, и возвращает его с инверсией через R5 и R6. Так как тем самым синфазный сигнал на входах U1и U2 полностью подавляется, то КОСС этих ОУ является несущественным. Окончательное значение КОСС этой схемы определяется точностью согласования отношений резисторов R1/R5 - R3/R6 без особых требований к точности R2 и R4.
Схема имеет диапазон синфазного входного напряжения ±200 В, КОСС-80 дБ и дифференциальный коэффициент усиления 1,0. В усилителе с единичным усилением INA117 фирмы Burr-Brown для получения большого диапазона синфазных напряжений использован другой прием, а именно резистивный делитель напряжения 200:1 для того, чтобы привести входной сигнал ± 200 В к обычному диапазону синфазного напряжения ОУ ± 10 В (рис. 7.28). Эта схема проще, чем схема на рис. 7.27, но здесь существенно хуже параметры сдвига и шумов: Uсдв = 1000 мкВ (у ΙΝΑ 105–250 мкВ), а напряжение выходных шумов (полная амплитуда в диапазоне 0,01–10 Гц) достигает 25 мкВ - против 2,4 мкВ у ΙΝΑ 105.
![Пауль Хоровиц, Уинфилд Хилл - Искусство схемотехники. Том 2 [Изд.4-е]](/page_images/14/7dd00494733212611e0a24fa7586a8d0.jpg)
Рис. 7.28. Дифференциальный усилитель ΙΝΑ117 с диапазоном входного синфазного напряжения +200 В.
Увеличение входного сопротивления. Разностная схема с тщательно подстроенными значениями резисторов, казалось бы, должна дать нужные рабочие параметры, но это впечатление проходит, если посмотреть на ограничения, накладываемые на сопротивления источников. Для получения точности коэффициента усиления 0,1 % с помощью схемы рис. 7.26 сопротивление источника сигналов должно быть меньше 0,25 Ом! Более того, для получения КОСС 100 дБ внутреннее полное сопротивление источника на двух его выводах должно быть согласовано с точностью до 0,0025 Ом. Это следует из рассмотрения эквивалентной схемы (рис. 7.29).