Всего за 182 руб. Купить полную версию

Рис. 26. Внешний вид устройства защиты многофункционального УЗМ-51М
Внимание! Устройство защиты многофункциональное УЗМ-51М не заменяет другие аппараты защиты (автоматические выключатели, УЗИП, УЗО и пр.)
УЗМ-51М занимает 2 модуля на DIN-рейке (ширина 35 мм). При стандартном исполнении температура эксплуатации УЗМ от –20 °C до +55 °C, поэтому устанавливать в щите на улице его не рекомендуется. Максимальный предел по верхнему отключению напряжения 290 В, нижний порог срабатывания 100 В. Рекомендуемое на УЗМ-51М максимальное (верхнее) значение напряжения - 250 В, нижнее значение - 180 В.
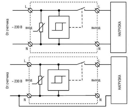
Время повторного включения или задается самостоятельно, или 10 с, или 6 мин. Может использоваться в сетях с любым типом заземления. Схемы подключения УЗМ-51М показаны на рис. 27.

Рис. 27. Два варианта подключения УЗМ-51М
Производится еще два типа однофазных реле напряжения - УЗМ-50М и УЗМ-16. Главное отличие УЗМ-50М (рис. 28) от УЗМ-51М, пожалуй, только в том, что у последнего можно выставить пределы срабатывания самостоятельно, а в УЗМ-50М настройка жесткая, по верхнему пределу напряжения - 265 В, а по нижнему - 170 В.

Рис. 28. Внешний вид однофазного реле напряжения УЗМ-50М
УЗМ-16 рассчитано на ток 16 А (рис. 29), поэтому его ставят только на отдельный электроприемник. Например, чтобы не ожидать 6 минут, пока включится УЗМ-51, холодильник можно подключить через УЗМ-16, на котором устанавливают задержку на включение 6 мин, а на основном УЗМ-51М в 10 с.
Также выпускается трехфазное реле напряжения УЗМ-3-63, такие реле используют в основном для защиты двигателей.

Рис. 29. Внешний вид однофазного реле напряжения УЗМ-16
УЗМ не нужно включать с контактором (см. раздел "Контакторы"), как это обычно делают с другими реле напряжения.
Пожалуй, единственный недостаток в УЗМ-51М по сравнению с другими реле напряжения - это отсутствие индикации напряжения. Но и разница в цене между УЗМ и реле напряжения с контактором позволяет купить и поставить вольтметр отдельно.
Реле напряжения РН-111, РН-111М, РН-113
Реле РН-111 (рис. 30, а) и РН-111М (рис. 30, б) по параметрам практически идентичны, главное различие в том, что у реле РН-111М есть индикация напряжения, а у РН-111 ее нет.

Рис. 30, а, б. Внешний вид реле напряжения РН-111 (а), РН-111М (б)
Верхний предел напряжения от 230 до 280 В, нижний - от 160 до 220 В. Время автоматического повторного включения от 5 до 900 с. Варианты подключения реле напряжения РН-111 показаны на рис. 31.

Рис. 31. Варианты схемы подключения реле напряжения РН-111
Рассчитаны РН-111 на небольшие токи до 16 А, или мощность до 3,5 кВт. Для подключения более высокой нагрузки РН-111 можно включать совместно с контакторами. Схема подключения реле напряжения с контактором показана на рис. 32.
Это значительно увеличивает стоимость, так как хороший контактор стоит очень дорого. Понадобится большее количество модулей в щитке, а также автомат для защиты катушки контактора. Вышеуказанная схема подключения реле напряжения с контактором для РН-111 справедлива для любого другого реле с учетом особенностей его схемы.
Реле РН-113 (рис. 33, а) по сравнению с РН-111 улучшенное, диапазоны по напряжению и время АПВ такие же, как у РН-111, но максимальный ток, на который можно включать РН-113, до 32 А, или, если по мощности, до 7 кВт. Схема подключения реле напряжения РН-113 показана на рис. 33, б.

Рис. 32. Схема подключения реле напряжения РН-111 с контактором

Рис. 33, а, б. Внешний вид (а) и варианты схемы подключения реле напряжения РН-113 (б)
В целях пожарной безопасности РН-113 необходимо подключать с контакторами не более 32 А, без контакторов максимум на 25 А, так как контакты у РН-113 достаточно слабые для провода сечением 6 мм², а именно такое сечение необходимо для подключения на 32 А.
Контакторы
Что собой представляет контактор? Это дистанционный аппарат, который используется при частых включениях и отключениях нагрузки силовых электрических цепей. Проще говоря, контактор - коммутационное устройство с самовозвратом. Отметим, что контакторы не могут защитить всю электрическую цепь от нестандартных режимов из-за того, что в устройстве нет защитных элементов. Контакторы лишь обеспечивают частое включение и отключение с дистанционного управления ими. Впрочем, есть множество производителей, которые делают самые разные устройства по надежности, функциональности и т. д., и прежде чем выбирать аппарат, нужно выяснить все необходимые характеристики.
Устройство контактора. Контактор - это реле с мощными контактами, которое предназначено для работы на больших токах, бо́льших, чем допустимо для обычных реле. Диапазон рабочих токов обычных реле примерно в 1-30 А, контакторы легко могут оперировать с токами, измеряемыми десятками, а то и сотнями ампер.
Конструкция этих реле содержит электромагнитную систему, силовые контакты и дугогасительную систему.
Принцип работы аппарата следующий (рис. 34): на катушку управления устройства подается напряжение, сердечник втягивается и контакт замыкается (или же размыкается, что зависит от исходного положения каждого контакта). При выключении происходит обратный процесс.

Рис. 34. Принципиальная схема работы контактора
Дугогасительная система устройства гасит электрическую дугу, которая возникает при размыкании контактов.
Отметим, что на контакторы можно устанавливать дополнительные модули: приставки задержки времени, тепловые реле, блокировку. Совмещая реле со вспомогательными устройствами, можно получить более функциональный аппарат.
Основные характеристики контакторов. Основные характеристики, которыми в первую очередь следует руководствоваться при выборе устройства, следующие: номинальное напряжение питания катушки, величина тока коммутируемой нагрузки, количество и материал контактов, наличие системы гашения электродуги.
По напряжению главной электрической цепи контакторы делят на группы с напряжением 220, 440 и 380, 660 В. Отметим, что устройства могут иметь от 1 до 5 главных полюсов.
Рассмотрим серию контакторов ABB ESB. Это самая распространенная серия и примечательна она тем, что разработана специально для "домашней" автоматики, то есть устанавливается в обычные щитки на обычную DIN-рейку и имеет такие же габариты, как обычные автоматы. Серия снабжена выпрямителем, который питает катушку постоянным током, из-за чего она не должна гудеть. А некоторые из устройств серии содержат даже импульсный блок питания, за счет чего диапазон питающих напряжений расширяется.
Маркируется серия контакторов следующим образом: ABB ESB-ХХ-YZ. ESB - это название серии. XX - это ток каждого контакта (20, 24, 40 и 63 А). Y - количество контактов на замыкание, Z - количество контактов на размыкание. Например, ESB 24–22 (рис. 35, а) предусматривает ток в 24 А и по два контакта на замыкание и на размыкание.
А ESB 24–40 (рис. 35, б) имеет 4 контакта на замыкание с током по 24 А.

Рис. 35, а, б. Внешний вид контакторов ESB 24–22 (а) и ESB 24–40 (б)
Контакторы с током в 20 А занимают всего один DIN-модуль, с током в 24 А - два модуля, а с током в 40 и 63 А - три модуля на DIN-рейке. Ну и отметим, что катушка на постоянном токе имеется, только начиная с двухмодульных контакторов (от 24 А).