Всего за 182 руб. Купить полную версию

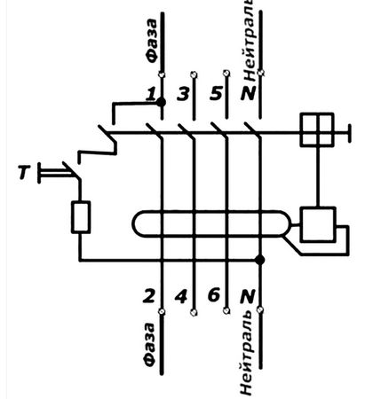
Рис. 19. Схема подключения четырехполюсного УЗО для защиты однофазной схемы
В этом случае важно, чтобы фаза была подключена строго на тот токовод, через который проводится тестирование УЗО в рабочем состоянии. Для этого достаточно при включенных силовых контактах с нажатой кнопкой тестирования "прозвонить" сопротивление между входом каждой фазы и нуля.
Делать это необходимо на демонтированном УЗО без напряжения. На двух клеммах сопротивление будет соответствовать бесконечности благодаря разорванным контактам, а на одной покажет величину сопротивления токоограничивающего резистора. К этой клемме и следует подключаться.
Схема защищенного подключения УЗО. В начале раздела неоднократно отмечалось, что УЗО не имеет встроенной защиты от перегрузки и токов коротких замыканий, которые могут возникнуть в любой момент и сжечь устройство.
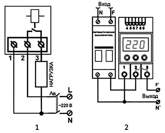
УЗО надо защищать. Поэтому перед каждым УЗО необходимо монтировать автоматический выключатель с установкой, обеспечивающей работоспособность и сохранность УЗО (рис. 20).
Автоматический выключатель спасает УЗО от токов перегрузки, а еще защищает от трех видов КЗ, которые могут возникнуть в схеме при нарушениях изоляции:
• между выходным фазным проводом устройства 3 с входным нулевым проводом 2;
• выходным нулевым проводом 4 с входным фазным проводом 1;
• между выходными проводами 3 и 4.

Рис. 20. Схема подключения двухполюсного УЗО с автоматическим выключателем
Если в первых двух случаях ток короткого замыкания проходит только по одному токопроводу, расположенному внутри корпуса УЗО, то при третьем нагружаются обе магистрали. Этот вид замыкания самый опасный.
Дифференциальные автоматы в такой защите не нуждаются, она у них встроена. Поэтому стоимость этих приборов выше. Схема подключения дифференциального автомата не требует дополнительной установки автоматического выключателя.
Надежная и длительная работа УЗО и дифференциального автомата обеспечивается правильным подключением, учитывающим конкретные условия эксплуатируемой схемы, точным выставлением уставок на срабатывание, обеспечивающих защитные функции.
Устройство защитного отключения электроаппаратуры от перепадов напряжения в сети 220 В, реле напряжения
В настоящее время вопрос о стабильном значении напряжения электросети стоит достаточно остро. Сетевые организации не спешат делать реконструкцию и модернизацию линий электропередач, подстанций и трансформаторов. Тем временем ситуация только усугубляется, поэтому колебания напряжения в наших сетях явление частое.
Значение напряжения должно быть в пределах 220 В при однофазном энергоснабжении и 380 В при трехфазном. Перепады напряжения пагубно влияют на электроприборы. Например, из-за низкого напряжения может сгореть холодильник или кондиционер (компрессор не запустится и перегреется), сильно снижается мощность микроволновки, тускло светят лампы накаливания. Ну а повышенное напряжение просто убивает большинство бытовых электроприборов. Многие слышали об "отгорании нуля" в многоэтажках и о том, как после этого целыми подъездами носят бытовую технику в мастерские на ремонт.
Причины возникновения колебаний напряжения в сети бывают разные:
• замыкание одной из фаз на нейтральный провод, в итоге в розетке 380 В;
• отгорание (обрыв) нуля, в итоге напряжение будет тоже стремиться к 380 В;
• неравномерное распределение нагрузки по фазам (перекос), в итоге на наиболее загруженной фазе напряжение снижается, и если к ней подключены холодильник и кондиционер, то высока вероятность, что они выйдут из строя.
Решать проблему скачков напряжения в сетях помогают специальные устройства - реле контроля напряжения (рис. 21 а, б). Принцип действия таких реле достаточно прост - электронный блок "следит", чтобы напряжение находилось в заданных пределах, и при отклонениях сигнализирует исполнительному механизму (силовой части), который отключает сеть. Через заданное время все бытовые реле контроля напряжения включаются автоматически. Для обычных потребителей достаточно задержки в несколько секунд, но для компрессорных холодильников и кондиционеров нужна задержка в несколько минут.

Рис. 21, а, б. Внешний вид устройств защитного отключения электроаппаратуры от перепадов напряжения, реле напряжения
Реле контроля напряжения бывают однофазные и трехфазные. Однофазные отключают одну фазу, а трехфазные - одновременно все три.
При трехфазном подключении в быту следует применять однофазные реле напряжения на каждую из заходящих фаз, чтобы колебания напряжения на одной фазе не привели к отключению других фаз. Трехфазные реле напряжения используют для защиты двигателей и других трехфазных потребителей.
Рассмотрим несколько примеров приборов защиты от перенапряжений.
Реле напряжения ТМ DigiTop
Выпускается несколько серий приборов с защитой от скачков напряжения.
Реле напряжения серии V-protektor предназначено только для защиты от перепадов напряжения. Выпускается на номинальные токи 16, 20, 32, 40, 50, 63 А (рис. 22, а) в однофазном исполнении, имеет встроенную термозащиту от перегрева, срабатывающую при 100 °C. Верхний порог срабатывания от 210 до 270 В, нижний - от 120 до 200 В. Время автоматического включения от 5 до 600 с.
Есть и трехфазное реле напряжения V-protektor 380, достаточно компактное - 35 мм (два модуля), но максимальный ток в фазе не более 10 А (рис. 22, б).

Рис. 22 а, б. Внешний вид реле напряжения ТМ DigiTop однофазного на 63 А (а) и трехфазного (б) на 10 А
На однофазное реле напряжения Protektor гарантия 5 лет, на трехфазное реле - только 2 года. Схема подключения реле напряжения V-Protektor DigiTop показана на рис. 23.

Рис. 23. Монтажная и электрическая схемы подключения реле напряжения V-Protektor DigiTop
DigiTop выпускает и совмещенное в одном устройстве реле напряжения с контролем тока VA-protektor. Помимо защиты от перенапряжений прибор обеспечивает и ограничение по току (мощности). Выпускают на номинальные токи 32, 40, 50 и 63 А. Все параметры по напряжению такие же, как и у V-protektor. По номинальному и максимальному току VA контролирует нагрузку, при превышении номинального тока отключает сеть через 10 мин, а максимального - через 0,04 с. На дисплее прибора отображается и напряжение, и ток. Гарантия на VA-protektor 2 года.

Рис 24 а, б. Внешний вид реле напряжения с контролем тока VA-protektor на 32 А (а) и 63 А (б)

Рис. 25 а, б. Внешний вид многофункционального реле МР-63 (а), схема подключения (б)
Ну и самый продвинутый из серии реле напряжений от ТМ DigiTop - многофункциональное реле МР-63 (рис. 25, а). Собственно, все то же самое, что и у предыдущего VA-protektor, только МР-63 показывает, помимо тока и напряжения, еще и активную мощность. Схема подключения дана на рис. 25, б.
УЗМ-51М. Устройство защиты многофункциональное
Устройство защиты многофункциональное УЗМ-51М (рис. 26) рассчитано на ток до 63 А и предназначено для отключения оборудования при выходе сетевого напряжения за допустимые пределы (менее 160 В и более 280 В), а также защиты подключенного оборудования от разрушающего воздействия мощных скачков напряжения, вызванных электромагнитными импульсами грозовых разрядов или срабатыванием близко расположенных и подключенных к этой же сети электродвигателей, магнитных пускателей или электромагнитов.