Всего за 182 руб. Купить полную версию
Ток нагрузки, проходящий через УЗО
Каждый вид УЗО выпускают для обработки тока определенной формы колебаний. Для обозначения этой характеристики на корпусе делаются буквенные надписи и/или графические изображения типа прибора.
УЗО типов А и АС реагирует как на медленное нарастание дифференциального тока, так и на быстрое, скачкообразное его изменение. Причем тип АС наиболее всего подходит для использования в обычных бытовых условиях, потому что он предназначен для защиты потребителей, питающихся переменным синусоидальным током.
Приборы типа А используют в схемах, в которых проводится регулировка нагрузки за счет обрезания части синусоиды, например изменения скорости вращения электродвигателей тиристорными или симисторными преобразователями напряжения.
Приборы типа В эффективно работают там, где используется электрооборудование, требующее применения токов разной формы. Чаще всего их устанавливают на промышленных производствах и в лабораториях.
Устройство защитного отключения подключается к работе вместе с автоматическим выключателем для защиты от перегрузок по току. Подбирая их номиналы, следует учесть, что автомат наделен функциями теплового расцепителя и электромагнита отключения.
При токах, превышающих номинальные значения автоматического выключателя до 30 %, работает только тепловой расцепитель, но с задержкой отключения порядка часа. Все это время УЗО будет подвергаться воздействию завышенной нагрузки и может сгореть.
По этой причине его номинал желательно использовать на одну величину больше, чем у автомата.
Устройства типа G работают со временем срабатывания порядка 0,06÷0,08 с.
УЗО типа S и G позволяют обеспечивать принцип избирательности для формирования каскадных схем защиты с недопустимыми токами утечек и созданием алгоритма определенной очереди отключения потребителей.
В целях увеличения продаж производители стали наделять УЗО функцией защиты подключенной электрической схемы от перегрузов и сверхтоков коротких замыканий. Это уже другое устройство, называемое дифференциальным автоматом, о котором несколько слов скажем ниже.
Дополнительные функции УЗО
Способность УЗО защищать человека от попадания под действие электрического тока постоянно совершенствуется производителями. Они наделяют эти приборы все бо́льшими возможностями, подключают к ним дополнительные элементы и аксессуары, создают корпуса с различными степенями защиты от воздействия окружающей среды.
В разделе "Схемы подключения УЗО к сети" приведены основные схемы.
Маркировка и метод установки УЗО

Рис. 14. Пример маркировки УЗО
УЗО (примеры маркировки показаны на рис. 14) изготавливают в разнообразных корпусах для стационарного крепления в электропроводку и переносные.
Приборы с креплением на DIN-рейку устанавливают в электрические щитки, расположенные в подъезде или квартире.
Встроенная в стену УЗО-розетка обеспечивает безопасность человека при пользовании им любого подключенного к ней электроприбора.
УЗО-вилка, соединенная проводом с одним проблемным прибором, защищает при эксплуатации в местах с различными условиями окружающей среды.
Что такое УЗО-Д
Производители учли недостатки предыдущих конструкций и наладили выпуск приборов с блоками питания, которые обеспечивают работу устройства при снятом с него напряжении.
Такие УЗО маркируют буквой Д и обозначают УЗО-Д. Они могут отключать напряжение при отсутствии питания с установленной выдержкой времени или без нее.
При этом их наделяют способностью:
• выполнения автоматического повторного включения (АПВ) схемы под нагрузку при возобновлении напряжения;
• запрета АПВ.
УЗО-Д могут быть наделены возможностью селективной работы, необходимой для устройств, использующих автоматическое включение резерва (АВР) при исчезновении основной линии электропитания. Такие приборы маркируют буквами S и G. Они отличаются продолжительностью задержки на срабатывание. УЗО-Д типа S обладает бо́льшим временем, чем тип G.
Схемы подключения УЗО к сети
Схема подключения однофазного УЗО к двухпроводной сети (рис. 15). Для обозначения входных клемм фазы и нуля делают надписи "1" и "N", а выходных - "2" и "N". Для устройств, использующих электронную базу, важно правильно подключить нейтральный провод и не ошибиться с полярностью. В противном случае высока вероятность повреждения составляющих деталей электронной схемы.

Рис. 15. Схема подключения двухполюсного УЗО для защиты однофазной схемы
Конструкция прибора предусматривает возможность периодического его тестирования во время работы для определения исправности. С этой целью установлена кнопка "Т", при включении которой через токоограничивающий резистор и замкнутый контакт создается цепочка для протекания части тока, влияющей на возникновение дисбаланса магнитных потоков, обеспечивающего отключение защиты. Если на УЗО под напряжением нажата кнопка тестирования "Т", а отключения не произошло, это однозначно указывает на неисправность устройства.
При ручном включении УЗО в этой схеме замыкаются сразу 3 контакта:
• токовода фазы;
• токовода нуля;
• цепи тестирования электронной схемы.
При возникновении токов утечек и срабатывании защиты эти же три контакта автоматически разрывают свои цепочки.
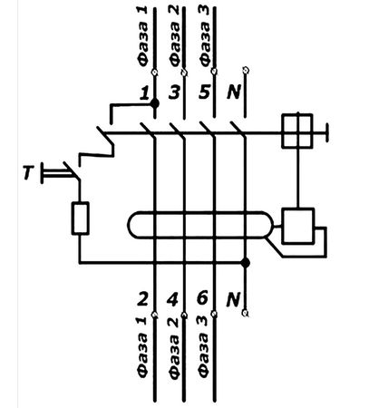
Схема подключения трехфазного УЗО к четырехпроводной сети с общей нейтралью (рис. 16). За основу монтажа трехфазных УЗО взята предыдущая схема. Здесь также надо соблюдать полярность каждой фазы и нуля. Для этого к нечетным клеммам подключают входные цепи, а к четным - выходные.

Рис. 16. Схема подключения четырехполюсного УЗО для защиты трехфазной схемы
Такое УЗО работает при возникновении дисбаланса магнитных потоков, создаваемых токами от всех четырех токопроводов.
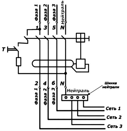
Схема подключения четырехполюсного УЗО к трем однофазным сетям с общей нейтралью (рис. 17). Эта разработка позволяет одним устройством защищать три однофазные электрические схемы.
Для этого достаточно выбрать место установки, позволяющее использовать шину для подключения к выходу защиты нейтрали для ее разделения по сетям № 1, 2, 3.

Рис. 17. Схема подключения четырехполюсного УЗО для защиты трех однофазных схем
Схема подключения четырехполюсного УЗО к трехфазной сети без нейтрали (рис. 18). При таком подключении лучше использовать электромагнитные конструкции с механическими расцепителями. У статических моделей для работы необходима подача напряжения на блок питания. Он может быть подключен между фазным и нулевым проводами.

Рис. 18. Схема подключения четырехполюсного УЗО для защиты трехфазной схемы без нейтрали
К тому же отсутствие нулевого потенциала исключает функцию периодического тестирования исправности прибора под напряжением, что не совсем удобно. Поэтому такое подключение требует проведения доработок внутренней конструкции.
Схема подключения четырехполюсного УЗО к однофазной сети (рис. 19). Это не очень рациональный способ, но к нему прибегают при последовательном монтаже вначале однофазной сети с последующим добавлением к схеме еще двух электрических цепей для общей защиты, которые будут создаваться через определенное время.