
Рис. 4.45.Как "растянуть" шкалу вольтметра
Контролируя какое-то напряжение, иногда бывает нужно либо следить за его колебаниями, либо более точно измерять. Скажем, при эксплуатации автомобильной аккумуляторной батареи важно следить за изменениями ее напряжения в диапазоне 12…15 В. Именно этот диапазон желательно было бы разместить на всей шкале стрелочного индикатора вольтметра. Но, как вы знаете, отсчет на любом из диапазонов практически всех измерительных приборов идет от нулевого значения и добиться более высокой точности отсчета на интересующем участке невозможно.
И тем не менее существует способ "растяжки" практически любого участка шкалы (начало, середина, конец) вольтметра постоянного тока. Для этого нужно воспользоваться свойством стабилитрона открываться при определенном напряжении, равном напряжению стабилизации. К примеру, для растяжки конца шкалы диапазона 0…15 В достаточно использовать стабилитрон в такой же роли, что и в предыдущем эксперименте.
Стабилитрон VD1 включен последовательно с однопредельным вольтметром, составленным из стрелочного индикатора РА1 и добавочного резистора R2. Как и в предыдущем эксперименте, на стабилитроне падает часть измеряемого напряжения, равного напряжению стабилизации стабилитрона. В результате на вольтметр будет поступать напряжение, превышающее напряжение стабилизации. Это напряжение и станет своеобразным нулем отсчета, а значит, на шкале "растянется" лишь разница между наибольшим измеряемым напряжением и напряжением стабилизации стабилитрона.
Показанное на рисунке устройство рассчитано на контроль напряжения аккумуляторной батареи в диапазоне от 10 до 15 В, но этот диапазон можно изменять по желанию соответствующим подбором стабилитрона и резистора R2.
Резистор R2 в принципе не обязателен. Но без него, пока стабилитрон закрыт, стрелка индикатора остается на нулевой отметке. Введение резистора позволяет наблюдать напряжение до 10 В на начальном участке шкалы, но этот участок будет сильно "сжат".
Собрав показанные на схеме детали и соединив их со стрелочным индикатором РА1 (микроамперметр М2003 с током полного отклонения стрелки 100 мкА и внутренним сопротивлением 450 Ом), подключите щупы ХР1 и ХР2 к блоку питания с регулируемым выходным напряжением. Плавно увеличивая напряжение до 9…9,5 В, вы заметите небольшое отклонение стрелки индикатора - всего на несколько делений в начале шкалы. Как только при дальнейшем увеличении напряжения оно превысит напряжение стабилизации, угол отклонения стрелки будет резко возрастать. Примерно с напряжения 10,5 до 15 В стрелка пройдет почти всю шкалу. Чтобы убедиться в роли резистора R1, отключите его и повторите эксперимент. До определенного входного напряжения стрелка индикатора останется на нулевой отметке.
4.7.8. Подключение кассетного магнитофона или приемника к автомобильной сети (рис. 4.46)

Рис. 4.46.Подключение кассетного магнитофона или приемника к автомобильной сети
Отправляясь в автомобильное путешествие, вы наверняка возьмете с собой транзисторный приемник или кассетный магнитофон. Чтобы можно было питать в пути приемник от аккумуляторной батареи, изготовьте простейшую приставку-стабилизатор. Ее можно включать с помощью специальной вилки ХР1 в гнездо "прикуривателя" или подключать проводами с зажимами "крокодил" на конце непосредственно к выводам аккумуляторной батареи. Проводники же питания приемника соединяют (с соблюдением полярности) с гнездами (или розеткой) XS1.
Мощность такого стабилизатора небольшая, поэтому подключать к нему можно лишь нагрузку с максимально потребляемым током до 12 мА. В случае же питания магнитофона, потребляющего ток до 150 мА, придется установить вместо Д814Б более мощный стабилитрон Д815В и дополнительно включить между его катодом и выводом резистора любой кремниевый выпрямительный диод (анодом к резистору), рассчитанный на ток более 150 мА. Кроме того, придется заменить и балластный резистор - теперь он должен быть сопротивлением около 12 Ом и мощностью не менее 4 Вт (резистор ПЭВ-7,5 либо два резистора MЛT-2 сопротивлением по 24 Ома, соединенные параллельно).
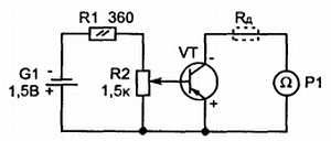
4.7.9. Транзистор - переменный резистор (рис. 4.47)

Рис. 4.47.Транзистор - переменный резистор
Для проведения этого эксперимента понадобятся маломощный транзистор, например, любой из серии МП39, постоянный и переменный резисторы, гальванический элемент и омметр. Соединив детали по схеме рисунка, установите движок переменного резистора R2 в нижнее по схеме положение. Поскольку транзистор закрыт, омметр PI зафиксирует сравнительно большое сопротивление между выводом коллектора и эмиттера - оно зависит от того, какой транзистор использован - кремниевый или германиевый.
Начинайте медленно перемещать движок переменного резистора вверх по схеме. Почти сразу стрелка омметра начнет отклоняться в сторону меньших сопротивлений. Когда движок резистора окажется вблизи верхнего вывода или соединится с ним, сопротивление между выводами коллектора и эмиттера может упасть до единиц ом. Происходит так потому, что при изменении напряжения между базой и эмиттером транзистора изменяется и его внутреннее сопротивление. Таким образом, с помощью транзистора и резистора сопротивлением 1,5 кОм удалось получить переменный резистор с пределами изменения сопротивления от нескольких ом до сотен килоом. Иначе говоря, из резистора малого сопротивления (1,5 кОм) удалось получить такой же переменный резистор большого сопротивления (к тому же мощный).
Такой вариант может быть использован в тех случаях, когда требуется переменный резистор мощностью, скажем, 5 или 10 Вт, найти который не так-то просто. Вот тут-то и придет на помощь способность транзистора быть и мощным переменным резистором. Правда, транзистор придется применить тоже мощный, например, серий ГТ402, ГТ404, П213-П216.
В любом варианте включать транзистор в цепь регулирования, например, последовательно с электродвигателем постоянного тока для детских игрушек, нужно в соответствии с полярностью, показанной у выводов коллектора и эмиттера на рисунке.
Если используется транзистор структуры n-р-n, то следует изменить не только полярность его подключения, но и полярность источника, питающего базовую цепь.
Для ограничения допустимой мощности, выделяющейся на "транзисторном" переменном резисторе, в цепь коллектора включают резистор Rд соответствующего сопротивления. Кроме того, при режимах транзистора, близких к предельно допустимым, желательно установить транзистор на теплоотвод. А если вы задались целью обеспечить вполне определенные пределы изменения сопротивления транзистора, придется точнее подобрать резисторы R1 и R2.
4.7.10. Транзистор в качестве стабилитрона (рис. 4.48)