
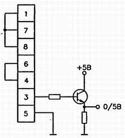
Рис. 2.37.Схема согласования на транзисторе
Информация, снимаемая со стандартного соединительного элемента, подводится к транзистору n-p-n типа, включенному по схеме с общим коллектором. В состоянии логического нуля, когда линия имеет отрицательное напряжение, транзистор закрыт, а напряжение на эмиттере близко к нулю. При передаче по линии сигнала логической единицы транзистор насыщается и соединяет выход с источником питания, имеющим напряжение 5 В. В случае необходимости выходной сигнал согласующего устройства может быть подан на инвертор.
2.7.3. Генерирование импульса, совместимого со стандартом RS232
Нередко возникает необходимость передать условное сообщение от электронной схемы к микропроцессору. Примеры таких ситуаций: определение временного интервала, разделяющего два события, выполнение счета на заданном промежутке времени. Зачастую проще и быстрее написать небольшую программу (например, на языке BASIC), которая обеспечивает получение входных данных, более или менее сложные вычисления и хранение результатов в специальном файле, чем построить электронную схему для выполнения тех же задач. Рассмотренное ниже устройство состоит из простых компонентов и позволяет имитировать двоичное слово, совместимое по длительности со стандартом RS232.
По условию задачи на последовательный порт микрокомпьютера требуется отправить импульс, задаваемый с невысокой точностью, причем длительность этого импульса лежит в нужном интервале. Микропроцессор должен находиться в состоянии ожидания слова произвольного значения, поступление которого служит сигналом для запуска процесса измерений, вычислений или счета. Хронология передачи должна быть совместима со стандартом RS232. Например, при скорости передачи 9600 бод сигнал одного бита длится около 100 мкс. В этом случае любой импульс длительностью от 100 мкс до 9x100 мкс будет интерпретироваться как передача байта диапазона 00Н - FFH.
Тот же принцип можно применить и к другим скоростям передачи при соответствующих длительностях импульсов. Если имеется сигнал, отвечающий этому критерию, достаточно преобразовать его в соответствии со стандартом RS232 и передать по линии. В противном случае для задания требуемой длительности импульса можно использовать одновибратор, состоящий из двух логических вентилей (рис. 2.38). Одновибратор запускается в нужный момент импульсным сигналом или замыканием управляющего контакта. При выборе параметров схемы, определяющих длительность импульса, не следует ориентироваться на время, близкое к максимальному, так как появляется риск наложения сигнала данных на сигнал STOP, что вызовет ошибку передачи.

Рис. 2.38.Одновибратор
2.7.4. Использование стандартных соединительных элементов
При передаче данных в соответствии со стандартом RS232 нужны только две линии для однонаправленного соединения и три линии для двунаправленного. Однако фактически существует несколько дополнительных управляющих сигналов, которые редко используются на практике. При отсутствии этих сигналов соответствующие линии нельзя оставлять неподключенными, так как это может привести к появлению ошибочных сигналов. В таком случае нужно соединить между собой несколько выводов стандартного соединительного элемента последовательного интерфейса.
На схемах, представленных на рис. 2.39, показаны некоторые соединения, которые необходимы при использовании разъема DB9 и его более старого аналога DB25. Соединения выполняются по-разному в зависимости от того, предназначен ли интерфейс для связи двух компьютеров или для связи компьютера с нестандартной схемой. В последнем случае возможны различные варианты подключения, но всегда нужно следить за тем, чтобы вход одного устройства подключался к выходу другого.

Рис. 2.39.Использование разъемов DB9 и DB25
2.8. Источники питания
2.8.1. Защита против инверсии полярности
Когда какое-либо устройство питается от источника постоянного напряжения и включается лишь на короткое время (например, индикатор момента зажигания, применяющийся для диагностики двигателя внутреннего сгорания), возникает риск инверсии полярности. Последствия этого события нетрудно себе представить, особенно когда для питания используется мощный аккумулятор.
Если между напряжением питания и напряжением, необходимым для работы устройства, имеется существенная разница (не менее 2 В), то на входе схемы можно поставить выпрямительный мост (рис. 2.40). Тогда полярность напряжения на входе не будет играть никакой роли, хотя падение напряжения на диодах моста неизбежно приведет к потерям мощности. Схемы такого рода применяются только для малых мощностей. Как правило, их не используют для автомобильного радиоприемника и тем более для преобразователя 12/220 В.

Рис. 2.40.Схема защиты против инверсии полярности
2.8.2. Диодные выпрямители
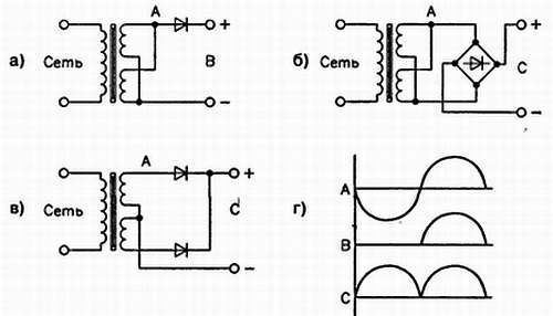
Чтобы создать источник постоянного напряжения питания, используют однополупериодное или двухполупериодное выпрямление. Типичные схемы выпрямителей приведены на рис. 2.41.
Первый вариант (с одиночным диодом, рис. 2.41а) применяется редко из-за низкого КПД и высоких пульсаций выходного напряжения. Наиболее популярен двухполупериодный мостовой выпрямитель, содержащий четыре диода (рис. 2.41б).
Многие трансформаторы имеют две вторичные обмотки, которые можно соединить последовательно, чтобы получить схему со средней точкой и двумя диодами (рис. 2.41в). Она выполняет ту же функцию, что и мостовой выпрямитель, но дешевле и занимает меньше места. На рис. 2.41 г показана форма сигналов в различных точках: до выпрямителя (А), на выходе однополупериодного (В) и двухполупериодного (С) выпрямителя.

Рис. 2.41.Схемы выпрямителей
2.8.3. Повышение выходного напряжения
Интегральные схемы стабилизаторов напряжения с фиксированным выходным напряжением в основном нужны для широко используемых значений. Для промежуточных величин приходится применять регулируемые стабилизаторы, которые не всегда найдешь в нужный момент. Однако можно изменить уровень на выходе стабилизатора постоянного напряжения. Для этого надо сместить потенциал опорного электрода (для корпусов ТО220 это положительный вывод, расположенный посередине), присоединив к нему один или нескольких диодов (рис. 2.42а). Добавление каждого диода увеличивает выходное напряжение приблизительно на 0,6 В.
Таким образом, микросхема 7812 в сочетании с тремя диодами обеспечит выходное напряжение 13,8 В, необходимое для зарядки свинцового аккумулятора на 12 В.
Того же эффекта можно добиться при подключении к опорному электроду делителя (соответствующая схема и формула, позволяющая расчитать выходное напряжение, показаны на рис. 2.42б). Регулировка коэффициента деления с использованием потенциометра дает возможность соответствующим образом изменять напряжение на выходе.

Рис. 2.42.Схема повышения выходного напряжения стабилизатора на диодах (а) и с использованием резистивного делителя (б)
2.8.4. Защитный диод
Хотя в стабилизаторе напряжения есть средства защиты от перегрузок в различных режимах (а также защита от перегрева), он может выйти из строя, если напряжение на выходе превысит напряжение на входе. Конденсатор большой емкости, включенный на выходе для сглаживания пульсаций напряжения, усиливает риск такой ситуации при малом потреблении выходного тока, особенно когда от входного напряжения стабилизатора питается другая часть схемы.
Аналогичный режим возникает, если стабилизатор используется для зарядки аккумуляторной батареи и в конце этого процесса происходит ее перезарядка. Конденсаторы, которые расположены после диодного моста, могут разрядиться прежде, чем это произойдет с конденсатором на выходе стабилизатора. В таком случае устройство может выйти из строя в течение десятых долей секунды. Поэтому на выходе всегда ставится конденсатор меньшей емкости, чем на входе. Для безопасной работы между входом и выходом можно поставить защитный диод, через который от выхода схемы будет отводиться избыточный ток (рис. 2.43).