
Рис. 2.43.Защитный диод в схеме стабилизатора
2.8.5. Стабилизатор напряжения в качестве генератора тока
Простые схемы генератора тока приводились выше. Стабилизатор напряжения также может работать в режиме генератора тока. С этой целью предпочтительнее использовать регулируемую модель, например LM317, обладающую небольшим внутренним опорным напряжением высокой стабильности. В данном случае его величина составляет 1,2 В. Для задания тока достаточно включить последовательно с нагрузкой резистор (рис. 2.44). Следует иметь в виду, что в этом резисторе может выделяться значительная мощность. Генератор тока используется в самых разных областях, чаще всего он применяется для зарядки никель-кадмиевого аккумулятора.

Рис. 2.44.Генератор тока из стабилизатора напряжения
2.8.6. Повышенное входное напряжение
Сегодня редко можно увидеть источник питания малой или средней мощности, в котором не использовался бы один из широко представленных на рынке интегральных стабилизаторов. Диапазон их параметров очень велик: модели с положительным и отрицательным выходным напряжением, постоянным или регулируемым, в корпусах типа ТО220 или ТОЗ. Входное напряжение этих достаточно надежных компонентов не должно превышать предельного значения, составляющего, как правило, 40 В для стабилизаторов с выходным напряжением 24 В и 35 В - для других типов.
С учетом рассеиваемой мощности правильнее говорить о допустимой разности напряжений между выходом и входом.
Так, микросхема 7805, имеющая выходное напряжение 5 В и максимальный ток 1 А, при питании от входного напряжения 9 В рассеивает мощность, равную (9–5) х 1 = 4 (Вт). Стабилизатор с входным напряжением 24 В и током 250 мА при выходном напряжении 5 В должен рассеивать мощность, приблизительно равную 4,75 Вт. При этом необходимо позаботиться об охлаждении устройства.
Схема, данная на рис. 2.45, позволяет использовать для питания стабилизатора напряжение, превышающее допустимое максимальное значение за счет включения на входе дополнительного балластного резистора. При выборе типа резистора следует иметь в виду, что рассеиваемая им мощность также достигает значительной величины.

Рис. 2.45.Уменьшение входного напряжения
2.8.7. Бестрансформаторный источник питания
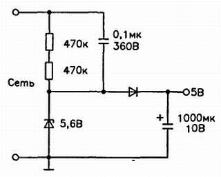
В некоторых случаях низкое потребление энергии современными компонентами позволяет осуществить питание устройств от сети без использования трансформатора. Понижать напряжение с помощью резистивного делителя в рассматриваемом случае нерационально, поскольку при этом неизбежно выделяется большое количество тепла. Гораздо лучше использовать схему, в которой основная часть сетевого напряжения будет приложена к конденсатору, который практически не потребляет активной мощности (рис. 2.46).

Рис. 2.46.Бестрансформаторный источник питания
Потребляемый от сети ток будет определяться емкостью конденсатора, точнее, его сопротивлением переменному току. Резисторы, подключенные параллельно конденсатору, обеспечивают его разряд после отключения устройства от сети.
На выводах стабилитрона формируется прямоугольное напряжение амплитудой 5,6 В. Диод и конденсатор служат для выпрямления и фильтрации этого напряжения. Максимальный ток, который можно получить на выходе такой схемы, составляет около 4 мА при емкости конденсатора 0,1 мкФ. Для увеличения тока используется параллельное включение нескольких конденсаторов (высокие номиналы встречаются редко, такие конденсаторы имеют большие размеры).
Остается добавить два важных замечания. Рабочее напряжение конденсаторов никогда не должно быть ниже 400 В (лучше брать компоненты с допустимым напряжением 630 В). Поскольку такая схема и все подключенные к ней элементы связаны с сетью 220 В, необходимо принять элементарные меры безопасности. В частности, не следует использовать металлический корпус или компоненты с выходящими наружу металлическими деталями (оси потенциометров и т. д.). Кроме того, при наладке нельзя прикасаться к включенной схеме.
2.8.8. Источник отрицательного напряжения
Иногда в устройстве необходимо создать отрицательное напряжение относительно общей точки, но по экономическим соображениям или из-за недостатка места нельзя использовать дополнительный источник питания. Зачастую при этом высокая точность и стабильность напряжения не нужны. К таким случаям относятся, например, задачи сопряжения цифрового устройства с последовательной цепью стандарта RS232 или обеспечение симметричного питания операционного усилителя в устройствах обработки аналоговых сигналов (речь, музыка и т. д.). Простая схема, приведенная на рис. 2.47, вполне подходит для решения данных задач.

Рис. 2.47.Получение отрицательного напряжения
На вход подается любой прямоугольный сигнал, например сигнал с какого-либо делителя или тактового генератора. Можно использовать также регулярную последовательность импульсов, предназначенных для питания индикатора или для управления устройством памяти. Полученное на выходе схемы напряжение по абсолютной величине несколько меньше амплитуды прямоугольного сигнала. В ТТЛ схемах оно составляет приблизительно 4,5 В. Ток, потребляемый нагрузкой, не должен превышать нескольких миллиампер.
2.8.9. Источник аварийного питания
Иногда необходимо поддерживать питание устройства в течение некоторого времени, даже если напряжение сети отключается. Это важно, например, для цифровых часов, которые должны вести непрерывный счет времени. В случае кратковременного прерывания питания можно подключить к источнику напряжения конденсатор большой емкости, соблюдая при этом необходимые меры предосторожности. Гораздо надежнее другой вариант, не требующий больших затрат: использование батарейки и диода, предотвращающего протекание тока в обратном направлении (рис. 2.48). Такое решение не потребует большого дополнительного места. Установка аккумулятора (вместо батарейки) оправдана лишь в редких случаях, например для питания микроконтроллера.

Рис. 2.48.Источник аварийного питания
2.9. Управление двигателем
2.9.1. Изменение направления вращения двигателя
Важное достоинство двигателей на постоянном токе заключается в том, что они могут вращаться в обоих направлениях - в зависимости от полярности питающего напряжения. Благодаря этому радиоуправляемые модели и игрушечные машины могут двигаться вперед или назад, а электрические отвертки, питаемые от аккумуляторов, завинчивают и отвинчивают винты и гайки.
Управление двигателем осуществляется с помощью специального трехпозиционного переключателя (с фиксацией или без в крайних положениях) или двух реле (рис. 2.49).
Первое реле с одним контактом обеспечивает включение и остановку двигателя. Второе реле, имеющее два контакта, позволяет изменять полярность подаваемого на двигатель напряжения и направление его вращения. Управление реле осуществляется с помощью двух логических сигналов. Отметим, что любители радиоуправляемых моделей все чаще применяют электронные вариаторы, выполняющие аналогичные операции без помощи реле и позволяющие регулировать скорость вращения двигателя.

Рис. 2.49.Изменение направления вращения двигателя посредством переключателя (а) и контактов реле (б)
2.9.2. Полная мостовая схема управления вращением двигателя
Полная мостовая схема (Н-образный мост) содержит четыре выключателя, соединенных последовательно-параллельно. Широко распространен электронный вариант моста, где обычно используются транзисторы, работающие в режиме переключения. Такая схема часто служит для управления двигателем постоянного тока и позволяет изменять скорость и направление вращения.
Схема, приведенная на рис. 2.50а, иллюстрирует управление двигателем, который можно привести в одно из четырех различных состояний: вращения в одном или в другом направлении, отключения и принудительной остановки (торможения).