
Определяются параметры дифференциальной защиты с торможением.
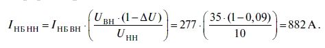
Первичный ток небаланса, приведенный к стороне 35 кВ, без учета третьей составляющей тока небаланса, обусловленной неточностью выравнивания м.д.с. плеч защиты:

Ток срабатывания защиты выбирается только по условию отстройки от броска тока намагничивания при минимальном коэффициенте трансформации силового трансформатора, соответствующем крайнему положению регулятора:
IСЗ ВН = 1,5 × I1BH.


Определяются числа витков обмоток реле ДЗТ (табл. 3.10).
Таблица 3.10

Окончание табл. 3.10

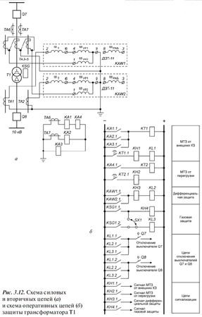
Cхема включения обмоток реле показана на рис. 3.11.
Определяется число витков тормозной обмотки реле дифференциальной защиты трансформатора, необходимое для того, чтобы реле не срабатывало при максимальном сквозном токе. Тормозная обмотка включается в плечо защиты на стороне НН 10 кВ.
Расчетное число витков тормозной обмотки:

Здесь IНБ - ток небаланса, приведенный к стороне ВН 35 кВ с использованием минимального коэффициента трансформации силового трансформатора:

wP - расчетное число витков рабочей обмотки в плече защиты, где включена тормозная обмотка (wP = 17);
tgα - тангенс угла наклона к оси абсцисс касательной, проведенной из начала координат к тормозной характеристике реле [4] (для реле ДЗТ-11 tgα = 0,87);
k3 - коэффициент запаса (можно принять равным 1,5).
Выбирается wT = 5: в тормозной обмотке реле ДЗТ-11 может быть установлено только следующее количество витков: 1, 3, 5, 7, 9, 11, 13, 18, 24 [4].
Проверяется чувствительность защиты. Коэффициент чувствительности:

Здесь IP M1N = 23,6 А - ток в реле на стороне ВН 35 кВ, соответствующий минимальному току КЗ, при котором дифференциальная защита должна срабатывать; ICP - ток срабатывания реле.
Как видно, kЧ > 2, и можно констатировать, что дифференциальная защита трансформатора Т1 на основе реле ДЗТ-11 удовлетворяет требованиям по чувствительности и чувствительность ее выше, чем на реле РНТ-565.

Ток срабатывания МТЗ трансформатора Т1 для выявления внешних КЗ определяется по условиям отстройки от токов в максимальных рабочих режимах и от токов самозапуска, возникающих в послеаварийном режиме в обмотках трансформатора Т1:

где IРАБ МАХ Т1 и IСЗАП Т1 - максимальный рабочий ток и максимальный ток самозапуска в послеаварийном режиме в обмотке ВН трансформатора соответственно;
kЗ и kВ - коэффициент запаса и возврата соответственно.
Максимальный рабочий ток трансформатора:
IРАБ МАХ Т1 = kПЕР × IНОМ Т1 = 1,4 × 165 = 231 А.
Здесь kПЕР - коэффициент допустимой перегрузки трансформатора (можно принять kПЕР = 1,4).
Максимальный ток самозапуска в обмотке трансформатора Т1 возникает в послеаварийном режиме после отключения защитой линии W6 и восстановления напряжения на шинах 10 кВ подстанции № 2. Этот ток самозапуска обусловлен электродвигателями в нагрузках Н1 и Н2:

Здесь UНОМ - номинальное напряжение (для стороны ВН трансформатора UНОМ = 35 кВ); kСЗ Н1 и kСЗ Н2 - коэффициенты самозапуска для нагрузок Н1 и Н2 соответственно.
Ток самозапуска на стороне 35 кВ трансформатора

Оба указанных условия выполняются, если ток срабатывания определить так:

Кроме этого, МТЗ от внешних КЗ должна быть согласована с защитами, установленными на линии W6 и на линиях, отходящих к нагрузкам Н1 и Н2, по току и по времени:

Здесь kO - коэффициент отстройки (kO = 1,1); Δt - ступень селективности (Δt = 0,5 с).
По условию согласования тока срабатывания
IСЗ Т1 = 1,1 × 370 × 10/35 = 116 А; tCЗ Т1 = 5,5 + 0,5 = 6 с.
С учетом этого выбираются
IСЗ Т1 = 356 А; tCЗ Т1 = 5,5 + 0,5 = 6 с.
Ток срабатывания реле МТЗ от внешних КЗ (РТ-40 при схеме соединения вторичных обмоток ТТ и катушек реле "неполная звезда - неполная звезда"):

Выбирается реле РТ-40/10 с диапазоном уставок от 2,5 А до 10 А.
Коэффициент чувствительности при двухфазном КЗ за трансформатором:
![]()
Требование по чувствительности выполняется.
Выбираются вспомогательные реле [13].
Реле времени для МТЗ от внешних КЗ - ЭВ-132 с диапазоном выдержек времени от 0,5 до 9 секунд и номинальным напряжением питания 220 В.
Промежуточные реле - РП-221 с номинальным напряжением питания 220 В.
Указательные реле - РУ-21/0,01.
Выбираются параметры МТЗ трансформатора Т1 от перегрузки.
Первичный ток срабатывания определяется по условию отстройки от максимального рабочего тока трансформатора на стороне ВН 35 кВ, где установлена защита:

где k3 - коэффициент запаса (принимается равным 1,05).
Защита подключена к тем же ТТ, что и МТЗ от внешних КЗ.
Ток срабатывания реле РТ-40:

Выбирается реле РТ-40/6.
Выдержка времени защиты от перегрузки должна быть согласована с выдержками времени МТЗ, установленных на всех присоединениях к шине 10 кВ трансформатора (так же как и МТЗ от внешних КЗ): tСЗП Т1 = tСЗ Т1 = 6 с.
Реле времени для МТЗ от перегрузок - ЭВ-132 с диапазоном выдержек времени от 0,5 до 9 секунд и номинальным напряжением питания 220 В.
Промежуточные реле - РП-221 с номинальным напряжением питания 220 В.
Указательные реле - РУ-21/0,01.
Схема защиты трансформатора Т1 с дифференциальной защитой на основе реле ДЗТ-11 приведена на рис. 3.12. На рис. 3.12, а показаны схемы силовых и вторичных цепей, а на рис. 3.12, б - схема оперативных цепей защиты.
