3.2. Анализ нормальных режимов контролируемой сети
Анализ возможных нормальных режимов работы контролируемой сети необходимо провести с целью определения максимальных значений рабочих токов в местах установки устройств защиты.
Сеть имеет один источник питания, и в ней нет участков типа замкнутого кольца, поэтому защиты должны устанавливаться в начале контролируемых объектов со стороны источника питания.
Максимальное значение рабочего тока в линии W1 (IРАБ МАХ W1) определяется исходя из двух условий:
- во-первых, питание всех элементов рассматриваемой электрической сети осуществляется по линии W1 (линия W2 выведена из рабочего состояния, отключена), а секционный выключатель Q15 на подстанции № 3 включен;
- во-вторых, все трансформаторы 35/10 кВ работают с номинальной нагрузкой.
Тогда:
IРАБ МАХ W1 = IHOM T1+IHOM T2 + IHOM T3,
где IHOM T1, IHOM T2, IHOM T3 - значения номинальных токов трансформатoрoв T1 Т2, Т3, соответственно
IHOM T1 = SHOM T1 √3 UHOM BH;
IHOM T2 = SHOM T2 √3 UHOM BH;
IHOM T3 = SHOM T3 √3 UHOM BH;
SHOM T1,SHOM T2, SHOM T3 и UHOM BH - значения номинальных мощностей и напряжения обмоток ВН трансформаторов соответственно (UHOM BH = 35 кВ).
При заданных значениях величин (учитывая, что Т1, Т2, Т3 имеют одинаковые номинальные мощности и их номинальные токи равны) будем иметь:
IРАБ МАК W1 = 3 × SHOM T1/√3×UHOM BH = 3 × (10000/(√3 × 35)) = 3×165A = 495 A.
Максимальное значение тока в другой головной линии W2 (IРАБ МАХ W2) определяется исходя из аналогичных условий, но когда питание всех трансформаторов 35/10 кВ осуществляется по линии W2.
При этом
IРАБ МАХ W2 = IРАБ МАХ W1 = 495 А
Если в этих же условиях выведена из рабочего состояния линия W1 и питание трансформаторов Т2 и Т3 осуществляется по линии W3, будем иметь максимальное значение рабочего тока в линии W3:
IРАБ МАК W3 = IНOМ Т2 + IHOM T3 = 2 × (10 000/(√3 × 35)) = 330 А.
Линия W4 и трансформатор Т3 образуют блок линия - трансформатор, так как представляют собой единый объект электрической сети и управляются одним общим выключателем Q1. Максимальный рабочий ток в линии W4 - это максимальный рабочий ток трансформатора Т3:
IРАБ МАХ W4 = kПЕРIНОМ Т3,
где kПЕР - коэффициент допустимой перегрузки (для большинства отечественных трансформаторов допускается перегрузка до 40 % номинальной мощности, поэтому можно принять kПЕР = 1,4)
IРАБ МАХ W4 = 1,4 × 165 = 231 А.
Максимальный рабочий ток в линии 10 кВ W6 возникает при номинальных нагрузках трансформаторов Т4, Т5, Т6 с номинальным ВН 10 кВ:
IРАБ МАХ W6 = IНОМТ4 + IНОМТ5 + IНОМТ6 =
= 630 /(√3×-10) + 2 × (400 /√3 × 10)) = 82,6 А.
Максимальный рабочий ток в линии W5 соответствует режиму передачи по ней наибольшей мощности. Этот режим возникает при отключенном блоке линия - трансформатор W4-Т3 и питании подстанции W4 по линии W5 от шин 10 кВ подстанции № 3. Тогда:
IРАБ МАХ W5 = SH4 /(√3 × UНОМ) + SH5 (√3 × UНОМ) =
= 2700 /(√3 ×10) + 4500 /(√3×10) = 416,1А,
где SH4 и SH5 - полная максимальная мощность нагрузок Н4 и Н5 соответственно.
Площадь поперечного сечения проводов для линий электропередачи определяется по допустимым длительным токам. В соответствии с требованиями ПУЭ можно выбрать для линий 35 кВ W1 и W2 провод АС-185, линии W3 - АС-95, линии W4 - АС-70, для линий 10 кВ W5 - АС-150 и W6 (учитывая большую протяженность) - АС-70.
Для участков W7 и W8 магистральной линии 10 кВ также применяется провод АС-70.
3.3. Токи короткого замыкания
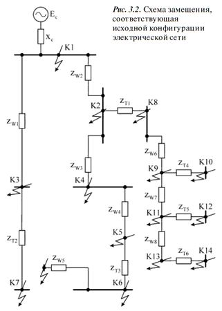
Необходимо определить действующие значения токов КЗ во всех местах (по схеме) установки защит (местах контроля тока защитами) в максимальном и минимальном режимах работы электрической системы при повреждениях в расчетных точках. За расчетные точки принимаются шины всех подстанций, места присоединений трансформаторов Т4, Т5, Т6 к магистральной линии и зажимы обмоток 0,4 кВ этих трансформаторов. Схема замещения, соответствующая исходной конфигурации рассматриваемой электрической сети, показана на рис. 3.2.

3.3.1. Параметры схемы замещения
Параметры всех элементов схемы замещения приводятся к стороне 10 кВ.
Сопротивления линий электропередачи определяются по значениям удельных сопротивлений проводов и протяженности линий.
Так, активное сопротивление линии W1 35 кВ, приведенное к стороне 10 кВ:

Здесь rУД W1 и lW1 - удельное активное сопротивление линии W1 и ее протяженность соответственно; UНОМ Б и UHOM W1 - значения номинальных напряжений базисной ступени и линии W1 (UНОМ Б = 10 кВ; UНОМ W1 = 35 кВ).
Значение rУД W1 = 0,16 Ом/км определяется по справочной таблице 7.35 [10] для провода АС-185.
При заданной протяженности линии lW1 = 8 км будем иметь:

Индуктивное сопротивление этой линии:

Здесь xУД W1 = 0,4 Ом/км - среднее значение удельного индуктивного сопротивления линии по справочной таблице 7.41 [10]. Это значение может быть использовано и для других линий.
Активное и индуктивное сопротивления линии 10 кВ W5 определяются так:
rW5 = rУД W5 × lW5; xW5 = xУД W5 × lW5,
где rУДW5 и xУДW5 - значения удельного активного и индуктивного сопротивлений линии W5 соответственно.
По справочным таблицам [10] для провода АС-150:
rУДW5 = 0,2 Ом/км; xУДW5 = 0,4 Ом/км.
Тогда: rW5 = 0,2 × 4 = 0,8 Ом; xW5 = 0,4 × 4 = 1,6 Ом.
Значения сопротивлений всех других линий определяются аналогично и приведены в табл. 3.4.
Таблица 3.4

Сопротивления трансформаторов определяются по их паспортным данным.
Активное сопротивление трансформатора Т1, приведенное к базисной стороне 10 кВ, определяется так:

где PK T1 - мощность короткого замыкания трансформатора Т1.
Индуктивное сопротивление этого трансформатора, приведенное к базисной стороне 10 кВ, равно:

где UK T1 % - напряжение КЗ трансформатора Т1 в процентах от номинального.
Используя справочные данные для трансформатора PK T1 = 65 кВт и UK T1 % = 7,5 [10], получим: