IСЗW1 = kЗkБРIСW1.
При реализации защиты на основе реле типа РТЗ-51 и ТТ нулевой последовательности типа ТЗЛМ можно принять: kЗ = 1,2;
Емкостной ток первого присоединения, определяемый суммарной емкостью кабельной линии и обмотки статора электродвигателя (табл. 2.3): IСW1 = 0,7 А.
Таблица 2.3

Первичный ток срабатывания защиты: IСЗW1 = 1,2 × 1,25 × 0,7 = = 1,05 А.
Коэффициент чувствительности защиты, установленной на первом присоединении:
kЧW1 = IRW/IСЗW1 = 57,8 / 1,05 = 55 > 1,25
Здесь IRW = ЕФ /RN = 5,78 × 10 / 100 = 57,8 А. Требования по чувствительности выполняются.

Ток срабатывания защиты, установленной на втором присоединении:
ICЗW2 = kЗkБРICW2.
Здесь можно принять следующие значения коэффициентов: kЗ = 1,2; kБР = 1,25. Емкостной ток второго присоединения (табл. 2.3) IСW2 = 3,5 A.
Тогда первичный ток срабатывания защиты:
IСЗW2 = 1,2 × 1,25 × 3,5 = 5,25 А.
Коэффициент чувствительности защиты:
kЧW1 = IRW /IСЗW2 = 57,8 / 5,25 = 11 > 1,25.
Требования по чувствительности выполняются. Причем, как видно, чувствительность защит в сети с резистивным заземлением нейтрали значительно выше, чем в сети с изолированной нейтралью при аналогичных параметрах.
2.9. Микропроцессорные средства релейной защиты
Более двух десятилетий назад появились и начали применяться для защиты объектов энергосистем микропроцессорные устройства. За прошедший период времени была оптимизирована структура их аппаратной части, значительно улучшены эксплуатационные характеристики. Цифровые средства релейной защиты постепенно заменяют аналоговые. Этому процессу способствует ряд преимуществ, которыми обладают современные микропроцессорные устройства релейной защиты и автоматики перед устройствами, выполненными на традиционной электромеханической базе:
- выполнение самодиагностики (автоматической проверки исправности отдельных модулей и устройства в целом с индикацией состояния и блокировкой выходов устройства при его неисправности) и диагностики первичного оборудования;
- автоматическая регистрация режимов, событий и аварийных процессов, что позволяет уменьшить время на выяснение причин аварий;
- упрощение расчета уставок, увеличение их точности и точности измерений, уменьшение ступеней селективности, что снижает время действия защит и вероятность значительного повреждения оборудования;
- низкая потребляемая мощность по цепям питания и измерения (как правило, нет необходимости проверки ТТ и ТН по точности);
- возможность объединения устройств защиты и автоматики в составе автоматизированной системы управления с обеспечением дистанционного изменения уставок, удаленного контроля режима работы энергообъекта и состояния самого устройства защиты, передачи зарегистрированных аварийных процессов на рабочее место оператора (рис. 2.38);
- реализация новых функций и эксплуатационных возможностей (учет ресурса отключающей способности выключателя, хранение нескольких наборов конфигурации и уставок, восстановление формы кривой тока при насыщении ТТ и т. д.).
Немаловажным является также то обстоятельство, что обладая, как правило, незначительными габаритами, цифровое устройство реализует алгоритмы всех защит и устройств автоматики, требующихся для отдельных энергообъектов согласно действующим Правилам устройства электроустановок (ПУЭ) [12]. При этом обеспечено гибкое конфигурирование терминала защиты: в действие можно ввести только те защиты и виды автоматики, которые требуются. Возможно также подключение к терминалу внешних защит, в нем не реализованных.
Микропроцессорные устройства, комплекты и шкафы защит выпускаются как зарубежными ("ABB", "Siemens", "GEC Alsthom"), так и отечественными (НТЦ "Механотроника", ЗАО "Радиус-автоматика", ОАО "ВНИИР", НЦ "Бреслер", ООО "Экра" и др.) предприятиями. Номенклатура и основные параметры некоторых отечественных цифровых средств релейной защиты приведены в прил. 10.

Вне зависимости от фирмы-производителя микропроцессорные терминалы обычно обеспечивают:
- сигнализацию срабатывания защит и автоматики, индикацию положения выключателя;
- местное и дистанционное управление выключателем;
- контроль положения выключателя и исправности его цепей управления;
- местный и дистанционный ввод уставок защит и автоматики, а также их хранение и отображение;
- двухстороннюю передачу данных между устройством защиты и системой управления (и/или компьютером) по одному из стандартных каналов связи;
- отображение измеряемых (например, фазных токов) и вычисляемых (например, тока обратной последовательности) параметров защищаемого объекта;
- учет внешних дискретных сигналов управления и блокировок при работе устройства;
- контроль работоспособности самого терминала;
- гальваническую развязку входов и выходов устройства от всех внешних цепей.
Следует учитывать, что функциональные возможности терминала (точность измерений, ввод уставок с собственного пульта или через интерфейс связи с компьютером, индикация на светодиодном или жидкокристаллическом текстовом или графическом дисплее, память событий, осциллографирование аварийных процессов, набор функций защиты и автоматики) в известной степени определяются ответственностью объекта защиты и влияют на стоимость терминала. Номенклатура производимых цифровых средств защиты и автоматики включает как простые, недорогие малогабаритные устройства (например, серия "OmegaProt" фирмы "Парма Прот"), так и сложные, функционально насыщенные устройства значительной стоимости (серия "EuroProt" той же фирмы). Некоторые производители называют свои простые микропроцессорные устройства защиты цифровыми реле, позиционируя их тем самым как недорогую замену электромеханическим реле (например, унифицированная, весьма обширная серия комплектных цифровых реле ТОР-100 ИЦ "Бреслер").
3. Пример построения релейной защиты системы электроснабжения 10–35 КВ
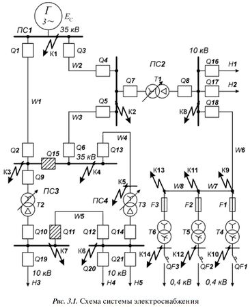
Требуется разработать релейную защиту для системы электроснабжения, схема которой представлена на рис. 3.1.

3.1. Параметры системы электроснабжения
Мощность трехфазного КЗ на шинах подстанции № 1 480 МВА. На подстанциях №№ 1–3 имеются источники постоянного оперативного тока с номинальным напряжением 220 В. На подстанции № 4 нет источника постоянного оперативного тока.
Параметры трансформаторов приведены в табл. 3.1, линий - в табл. 3.2, нагрузок - в табл. 3.3.
Таблица 3.1

Таблица 3.2

На линиях W1 и W2 должны быть установлены устройства АПВ. Они должны действовать на выключатели Q1 и Q3 подстанции № 1. Кроме этого, должны быть установлены устройства АВР, действующие на секционный выключатель Q15 и выключатель Q11 линии W5 (графические изображения этих выключателей на схеме заштрихованы).
Таблица 3.3
