Всего за 182 руб. Купить полную версию

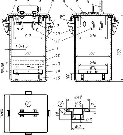
Рис. 36. Мини-коптильня:
1 – емкость для копчения; 2 – крышка; 3 – ручка крышки; 4 – бортик; 5 – упругая прокладка; 6 – держатель шампуров; 7 – дымовой штуцер; 8 – термометр спиртовой; 9 – защелка крышки; 10 – шампур; 11 – крючок для мяса; 12 – поддон коптильный; 13 – ручка поддона; 14 – поддон для жира; 15 – ножка поддона
Чтобы создать дым для копчения, на дно коптильной емкости кладут небольшое количество (до 1 см толщиной) стружки или щепы плодовых деревьев. При необходимости их можно увлажнить. Сверху поочередно устанавливаем поддон для сбора жира и решетки, выкладывая на них продукты. Накрываем коптильню крышкой и ставим агрегат на газовую или электрическую плиту. Дымовой штуцер на резьбе вворачивается в крышку; пробку к нему можно сделать из пищевой резины, но лучше выточить из нержавейки. Пробка должна свободно входить в отверстие штуцера, чтобы выпускать излишнее давление пара. Кроме того, через штуцер из коптильни выводится ненужная влага и отработанный дым. По степени дымления можно оценивать и ход копчения.
Чтобы дым не создавал неудобств в помещении, на газоотводный штуцер можно надеть силиконовую трубку и вывести ее в форточку или вентиляционную решетку. Еще один интересный способ избавиться от дыма – на конец трубки надеть уплотнительную пробку и вставить ее в сливную канализацию квартиры. Это позволит утилизировать образующуюся при копчении дымовоздушную смесь через сливную канализацию квартиры.
Самый верхний слой продуктов в таких коптильнях желательно накрыть колпачком из пищевой фольги. Дело в том, что накапливающийся на крышке конденсат будет стекать на продукты, оставляя следы. Для защиты от конденсата и применяется согнутая куполом фольга – по ней вода будет стекать на стенки и в поддон.
Теперь печь можно включить и ожидать результата, контролируя температуру термометром. Конструкция гнезда для термометра зависит от его вида и размеров. В крайнем случае, можно обойтись и без него, подбирая режимы опытным путем.
Электрокоптильня для рыбы
Несмотря на то, что процесс горячего копчения несложен, занятие это все же довольно хлопотное. Использование горячих углей в качестве источника теплоты не всегда оправдано, а порой и опасно, например, если процесс копчения происходит в городской квартире или в гараже. Да и утомительно следить, чтобы процесс шел должным образом, огонь не потух и не разгорелся чересчур сильно.
Но можно воспользоваться более совершенной технологией и устроить электрическую коптильню.
Собственно, камера для размещения продуктов никаких особенностей не имеет. Любую из вышеописанных коптилен можно установить на обычную бытовую электроплитку. Проблема может возникнуть лишь в том случае, когда мощности покупной плитки недостаточно для того, чтобы в достаточной степени нагреть толстое дно массивной коптильни. В таком случае используется самодельный теплоэлектронагреватель (ТЭН). В металлическую емкость подходящего размера укладывают кирпичи (но ни в коем случае не силикатные – только красные!) и с помощью угловой шлифовальной машины нарезают в них спиральную канавку для нихромового нагревателя. Мощность нагревателя должна быть согласована с размерами коптильни и соответствовать допустимой нагрузке домашней электросети.
Для работы описываемой коптильни, как правило, достаточно 1,5–3,0 кВт. Для того чтобы избежать межвитковых замыканий, нихромовую спираль желательно засыпать сухим кварцевым песком. Концы спирали соединяют с электрическим шнуром, который подсоединяют к электрической сети обязательно через автомат защиты сети (АЗС) или хотя бы предохранитель. Помните – шутить с электричеством не стоит, поэтому техника безопасности при работе с электроустановками должна соблюдаться неукоснительно!
В качестве примера рассмотрим конструкцию компактного устройства для копчения вяленой рыбы (рис. 37). В ее основе – дюралюминиевый ящик размерами 1600 × 800 × 600 мм, собранный на каркасе из стального уголка 35 × 35 мм.

Рис. 37. Ящик-коптильня:
1 – клеммная колодка; 2 – электрическая спираль или ТЭН; 3 – термостойкое основание (асбестоцементный лист S20–30); 4 – ножка (4 шт.); 5 – петля (4 шт.); 6 – каркас (стальной уголок 35 × 35 мм); 7 – откидная боковина (2 шт.); 8 – задняя стенка; 9 – застежка типа "лягушка" (4 шт.); 10 – штырь подвески (арматурный стержень ∅ 6–10 мм, количество и расположение – по месту); 11 – крышка; 12 – передняя стенка; 13 – шарнир (2 шт.); 14 – топочная дверца; 15 – ручка (2 шт.); материал деталей 7, 12 и 13 – дюралюминиевый лист толщиной 3 мм; мелкий крепеж условно не показан
Боковины у коптильни откидные для загрузки и выгрузки рыбы. К крышке они крепятся застежками типа "лягушка". В передней и задней стенках имеются по три ряда отверстий под пруты для подвешивания продуктов, подлежащих копчению, и выхода дыма.
Внизу на асбестоцементном листе размещается разложенная в виде улитки электрическая спираль из нихромовой проволоки ∅ 0,8 мм, подключаемая к электросети через понижающий трансформатор 220/36 В. Рабочий накал спирали – до темно-вишневого цвета. Сверху на подогреватель укладывается мелкий поддон из тонкого стального листа или жести. Топливо в виде опилок загружается в поддон через дверцу в передней стенке ящика-коптильни.
После того как вяленая рыба, предназначенная для копчения, развешана на проволочных крючках, зацепленных за арматурные стержни, боковины закрывают и включают электропитание. Через дверцу высыпают горсть яблоневых, грушевых, ореховых или других хорошо пахнущих опилок (хвойные, разумеется, исключаются). Топливо начинает тлеть. Дым заполняет весь ящик и понемногу выходит через щели между краями отверстий и арматурными стержнями.
В такой электрической коптильне рыбка коптится в течение 6–8 часов. Одной горсти опилок хватает минут на 30, так что время от времени приходится открывать дверцу и подбрасывать очередные порции топлива и контролировать процесс. Разумеется, коптить в такой коптильне можно не только рыбу.
Если в качестве нагревательного элемента вместо открытой спирали использовать ТЭНы, у которых спираль расположена внутри герметичного корпуса, понижающий трансформатор не потребуется, так как большинство доступных ТЭНов рассчитаны на напряжение 220 В. Но в любом случае требуется тщательная изоляция выводов нагревателей и подключение их к электрической сети через АЗС или предохранитель, чтобы в случае короткого замыкания он обесточил коптильню. Кроме того, при непосредственном контакте с ТЭНом топливо может вспыхнуть, что недопустимо для коптильного процесса, да и попросту небезопасно.
В этом случае все же стоит использовать понижающий регулируемый трансформатор (ЛАТР) для плавной регулировки напряжения на ТЭНах, или использовать метод, применяемый в утюгах – периодическое включение и выключение нагревателя, что в среднем даст нужную температуру их поверхности. Для реализации второго варианта можно применить как электронное реле времени, так и регулировочный узел от того же перегоревшего утюга.
Коптильня на скорую руку
Конечно, возня с инструментами и спиралями может быть не всем интересна. В таком случае возьмите бытовую электроплитку, кастрюлю достаточной для размещения продуктов высоты и сковороду диаметром больше, чем у кастрюли. Желательно, чтобы кастрюля лишь чуть-чуть входила в нее, оставляя большую часть высоты сковороды свободной. По всей площади дна кастрюли просверлите отверстия ∅ 6–10 мм. Причем сверлить нужно снаружи, чтобы заусеницы были направлены внутрь емкости – тогда стекающий жир будет задерживаться на дне кастрюли, а не стекать на опилки.
Дно сковороды застелите алюминиевой фольгой, чтобы оно не пригорало и было легче собирать угольки, и разложите на ней одну-две пригоршни стружки. Теперь в сковороду можно поставить кастрюлю и с помощью крючков подвесить в ней или продукты или металлические сетки, на которых будут лежать будущие копчености. Когда все продукты размещены, сковороду с кастрюлей ставьте на электроплитку и включайте ее на полную мощность. Минут через 10–15 появится первый дымок, и это можно считать началом процесса копчения. Дым от опилок будет поступать в кастрюлю через дырочки в ее днище, а выходить из-под крышки. Разумеется, копчение в таком агрегате следует проводить под вытяжкой в хорошо проветриваемом помещении или на свежем воздухе (в условиях городской квартиры – на балконе, если только соседи не будут возмущаться).