Точка соединения этих резисторов подключена к входу компаратора DA1/4. При нормальном рабочем режиме источника питания уровень опорного напряжения на входе DA1/5 несколько больше, чем на входе DA1/4. Напряжение на выходе компаратора близко по значению к опорному. Повышение одного из напряжений, суммируемых на R4, вызовет пропорциональное возрастание потенциала на DA1/4. Когда напряжение на инвертирующем входе компаратора станет больше, чем на другом его входе, произойдет быстрое переключение компаратора.
На выходе установится низкий уровень. Нагрузкой, соединенной с выходами компараторов, являются последовательно соединенные резисторы R11 и R12. К точке их соединения присоединена база транзистора Q1. Когда происходит переключение выхода компаратора от высокого уровня к низкому, база Q1 оказывается под открывающим потенциалом. Транзистор Q1 открывается, напряжение на его коллекторе повышается. Возрастающее напряжение с коллектора Q1 подается через диод D5 на вход компаратора DA2/8.
Повышение напряжения на входе компаратора DA2/8 вызывает его переключение. С этого момента выходы обоих компараторов имеют низкие уровни.
Высокий уровень напряжения на выводе TL494/4 приводит к отключению ШИМ-преобразователя в соответствии с описанной выше последовательностью действий внутри TL494.
Начальное переключение компаратора DA1 происходит либо при повышении выходного уровня во вторичном канале +5 В, либо из-за увеличения нагрузки по основным вторичным каналам сверх установленного предела. Компаратор DA1 совмещает в себе функции вторичного датчика уровня напряжения в канале +5 В и длительности импульсов управления усилителем мощности.
1.2.5. Особенности схемотехники компаратора
На втором компараторе микросхемы LM339 собран ключевой элемент, выполняющий слежение за состоянием каналов с отрицательными номиналами напряжений. В нормальном состоянии делителями напряжений на входах устанавливаются потенциалы, при которых выходной уровень напряжения компаратора - высокий (напряжение на DA2/9 больше, чем на DA2/8). Резисторами делителей, подключенных к входам компаратора DA2, выбирается порог чувствительности схемы.
Малой разницей напряжений на входах обеспечивается быстрое переключение компаратора, но схема может быть слишком чувствительна к случайным кратковременным помехам. Исходная разность потенциалов по входам выбирается 1 В.
Опорный уровень на входе DA2/9 формируется из опорного напряжения, вырабатываемого на выходе TL494/14.
Когда происходит КЗ по одному из контролируемых каналов, напряжения на входах компаратора перераспределяются, в результате знак разности их потенциалов изменяется. Происходит переключение компаратора с последующим открыванием транзистора Q1. Открытый Q1 представляет собой малое сопротивление, через которое анод диода D5 подключается к опорному напряжению. Диод D5 используется как элемент обратной связи между входом DA2/8 и выходом схемы защиты - коллектором Q1.
Положительный потенциал от коллектора Q1 передается на инвертирующий вход компаратора DA2, еще более увеличивая разность потенциалов между его входами. Система защиты после переключения компаратора и транзистора Q1 приходит в равновесное состояние. Вывести систему защиты из состояния блокировки микросхемы TL494 можно только переключением первичного напряжения питания и выполнением полного цикла начальной инициализации всей схемы источника питания.
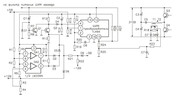
На рис. 1.11 представлена комплексная схема защиты источника питания, последняя в данном подразделе, на которой компоненты узла защиты изображены полностью, а схемы включения полумостового усилителя мощности и ШИМ-преобразователя - микросхемы TL494 - условно.

Рис. 1.11. Пример схемы комплексной защиты ИИП
Схема реализует самый полный комплекс мер по защите элементной базы источника питания.
Данный каскад защиты реагирует на увеличенное потребление энергии по основным каналам вторичных напряжений, чрезмерное возрастание уровня напряжения в канале + 12 В, а также на КЗ по всем вторичным каналам.
Ни в одной из схем защиты не рассматривался вариант, содержащий отдельные датчики, настроенные на контроль превышения уровня вторичного напряжения для канала +5 В. Основная нагрузка, как правило, подключается именно к выходу этого канала, и функции слежения за значением его напряжения возложены на узлы микросхемы TL494. При рассмотрении работы функциональных узлов этой микросхемы будут использованы обозначения, принятые на рис. 2.5.
Управление длительностью импульсов управления усилителя мощности может выполняться как с помощью усилителя DA3, так и по сигналам DA4. Принципиальной разницы нет, но традиционно (что видно по всем приведенным примерам) сигнал рассогласования вырабатывается усилителем DA3, а усилитель DA4 используется в составе схемы защиты для принудительного ограничения длительности импульсов управления и блокировки ШИМ-преобразователя.
В схеме, представленной на рис. 1.11, слежение за выходным уровнем этого канала выполняется с помощью операционного усилителя DA3, входы которого выведены через выводы TL494/1 и TL494/2. Выходы усилителей соединены через развязывающие диоды. При нормальном режиме работы источника питания на выходе усилителя DA4 установлено нулевое напряжение, и оно не оказывает влияния на сигнал, действующий на выходе усилителя DA3. Усилитель DA4 не охвачен обратной связью, поэтому его работа аналогична функционированию компаратора - выход этого усилителя может иметь только два состояния: низкого и высокого уровней. Процесс перехода из одного состояния в другое происходит достаточно быстро.
При низком уровне на выходе DA4 диод D2 закрыт, а при высоком уровне этот диод открывается. Выходной уровень усилителя зависит от соотношения напряжений на выводах TL494/16 и TL494/15, через которые подводятся входные сигналы к усилителю DA4. В схеме, приведенной на рис. 1.11, вывод TL494/16 подключен к общему проводу вторичной цепи. На вход TL494/15 подведено напряжение от делителя на резисторах R24 и R25. Резисторы делителя питаются от "датчика ширины импульсов управления" (подводится к точке соединения R24 и R25) и источника напряжения, подключенного между выходом вторичного канала +5 В и выводом TL494/14.
От датчика длительности импульсов управления на делитель поступает отрицательное напряжение, которое формируется на конденсаторе С7, куда оно подается от датчика, выполненного на трансформаторе Т1.
Во вторичной цепи трансформатора включен двухполупериодный выпрямитель, с помощью которого выделяются импульсы отрицательной полярности.
Импульсный сигнал сглаживается фильтром, состоящим из резистора R23 и конденсатора С7. Соотношение резисторов R24-R27, подключенных к входу TL494/15, выбрано так, чтобы в режиме нормальной работы напряжение на этом выводе было положительным.
Этим обеспечивается установка нулевого уровня на выходе DA4.
При возникновении перегрузки и расширении импульсов управления силовым каскадом отрицательное напряжение на конденсаторе С7 повышается. Рост отрицательного напряжения приводит к снижению положительного потенциала на выводе TL494/15.
Когда напряжение на этом выводе уменьшится до нулевого уровня, усилитель DA4 переключится, и на его выходе появится высокое напряжение. Его значение превышает выходной уровень усилителя DA3, диод D1 оказывается закрытым, а выход DA3 - блокированным. Переключение DA4 протекает быстро и проходит через стадию, в течение которой нарастающим напряжением вызывается принудительное ограничение длительности выходных импульсов ШИМ-преобразователя.
Перед полной блокировкой ширина импульсов плавно, но достаточно быстро уменьшается до нуля. Генерация импульсов прекращается, ритмичное переключение силовых транзисторов останавливается. Передача энергии через импульсный трансформатор отсутствует, вторичные цепи обесточиваются.
С помощью усилителя DA4 в схеме защиты выполняется слежение только за длительностью импульсов управления. Остальные функциональные узлы контроля состояния вторичных цепей воздействуют на микросхему TL494 через неинвертирующий вход внутреннего компаратора мертвой зоны DA1, соединенный с выводом 4 этой микросхемы.
К выводу TL494/4 подключены схемы "медленного" запуска, выход схемы защиты и каскад, шунтирующий схему защиты в течение инициализации узлов источника питания. "Медленный" запуск обеспечивается за счет применения дифференцирующей цепи на конденсаторе С2 и резисторе R14. Выходным активным элементом системы защиты является транзистор Q2. К его коллектору по схеме "ИЛИ" подключен ключевой транзистор Q1. К базе этого транзистора подсоединен резистивный делитель R7 и R8. Верхний по схеме резистор R7 делителя через конденсатор С1 соединен с шиной питания микросхемы TL494. Когда на этой шине появляется питающее напряжение, на базе транзистора Q1 возникает положительный импульс. Положительным импульсом транзистор Q1 открывается, и в течение времени перезарядки конденсатора С1 на его коллекторе поддерживается напряжение, близкое к потенциалу общего провода. Вторичные напряжения нарастают с задержкой относительно всех напряжений питания каскадов защиты и микросхемы ШИМ-управления - TL494.
Благодаря работе транзистора Q1 в начальный момент исключается возможность появления положительного потенциала на входе TL494/4. Только после появления нормальных уровней в цепях вторичных каналов транзистор Q1 переключается и остается в закрытом состоянии до конца рабочего цикла источника питания. Закрытый транзистор не мешает работе выходного каскада системы защиты на Q2.