
Рис. 1.9. Вариант узла полной защиты источника питания по основным каналам вторичных напряжений
Внимание, важно!
Включение защиты интегрального стабилизатора может быть вызвано также перегревом корпуса стабилизатора.
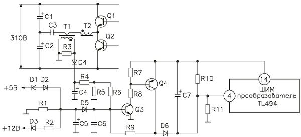
При получении сигнала об отклонении работы преобразователя от номинального режима схема защиты вырабатывает сигнал положительного уровня, который подается на вывод 4 микросхемы TL494. Остальные внутренние элементы ШИМ-преобразователя для его блокировки не используются. Формирование сигнала о нарушении рабочего режима производится двухкаскадным усилителем на транзисторах Q1 и Q2. В исходном состоянии оба транзистора закрыты.
Напряжение на выводе 4 схемы TL494 задается соотношением сопротивлений резистивного делителя, состоящего из RIO и R11. Сопротивление резистора RIO значительно больше, чем у R11, поэтому в установившемся режиме, в отсутствие перегрузки, напряжение на TL494/4 близко к потенциалу общего провода.
В качестве датчика ширины импульсов управления используются трансформатор Т1 и элементы R3, VD4 и С4. Первичная обмотка трансформатора Т1 включена в диагональ полумостового усилителя мощности последовательно с первичной обмоткой силового импульсного трансформатора Т2. К вторичной обмотке трансформатора Т1 подключена выпрямительная схема с однополупериодным выпрямителем на диоде D4 и емкостным фильтром - конденсатором С4. На конденсаторе С4 выделяется положительное напряжение, пропорциональное длительности импульсов управления.
К резистору R11, кроме сопротивления RIO, присоединена цепь, состоящая из резисторов R4, R6 и диода D6.
Параметры резисторов R4 и R6 подобраны так, чтобы колебания напряжения на конденсаторе С4 не влияли на уровень напряжения на резисторе R11. Анод диода D6 соединен с коллектором транзистора Q4 и через резистор R9 с базой транзистора Q3, являющегося первым ключевым элементом в цепи формирования сигнала блокировки микросхемы TL494.
Прежде чем положительное напряжение на аноде D6 нарастет до уровня его отпирания, оно постепенно откроет транзистор Q3. Коллектор транзистора Q4 соединен через резистор R9 с базой Q3, поэтому изменение напряжения на коллекторе первого транзистора будет сразу передаваться на базу второго. Повышение напряжения в этой точке может быть следствием увеличения нагрузки вторичных цепей и расширением положительных импульсов управления. Постепенное открывание транзистора Q3 сопровождается понижением его коллекторного напряжения и потенциала базы Q4. Передача положительного напряжения происходит через открывающийся транзистор Q4 на базу Q3.
Один транзистор подпитывает базу второго, процесс открывания обоих активных элементов развивается лавинообразно и в итоге приводит к полному открыванию двух транзисторов. Через насыщенный транзистор Q4, диод D4 и резистор R11 протекает ток.
Уровень напряжения, который устанавливается после открывания Q4 на резисторе R11, составляет примерно +3,9 В. Это напряжение превышает амплитуду пилообразного сигнала, действующего на инвертирующем входе внутреннего компаратора "мертвой зоны" DA1, входящего в состав микросхемы TL494. Происходят блокировка пилообразного напряжения на этом компараторе и остановка генерации импульсов на выходах микросхемы ШИМ-преобразователя. Такая последовательность действий осуществляется при увеличении нагрузки источника питания, когда система управления стремится компенсировать падение выходных уровней напряжений, увеличивая интервал активного состояния силовых транзисторов.
Цепи на элементах D1-D3, R1 и R2 выполняют функции детекторов увеличения напряжений основных вторичных каналов выше установленного предела. К выходам каналов с напряжениями +5 и + 12 В подключены пороговые схемы на стабилитронах D1 и D3 соответственно.
В данном случае используется свойство стабилитронов пропускать электрический ток, когда напряжение на них превышает уровень стабилизации. Пока напряжения на стабилитронах будут ниже уровня стабилизации, ток через них протекать не будет, и на положительной обкладке конденсатора С5 потенциал останется близким нулю. Диод D5 закрыт, и воздействия на базу транзистора Q3 не оказывается.
Пороговый уровень включения защитного механизма по вторичному каналу +5 В составляет +6,3 В. Фиксация возрастания напряжения выше номинального значения по каналу +12 В должна производиться на уровне примерно +15 В. Напряжение стабилизации D1 составляет +5,1 В, а диода D3 - до +14 В.
Если одно из положительных напряжений вторичных каналов достигает своего предельного уровня, то происходит "пробой" соответствующего стабилитрона и напряжение на конденсаторе С5 повышается, открывая диод D5. Отпирание диода и появление положительного потенциала на базе Q3 происходят, когда на конденсаторе С5 напряжение достигает положительного уровня, равного 0,7–0,8 В.
Если напряжение продолжает повышаться, то растет положительный уровень и на базе Q3. Выполняются условия для переключения бистабильной транзисторной схемы на ключах Q3 и Q4. Каждый из транзисторов открывается, и на вывод 4 микросхемы TL494 подается положительное напряжение +3,9 В, появление которого вызывает прекращение работы импульсного преобразователя.
Для устойчивой работы схемы защиты в базовую цепь транзистора Q3 включен керамический конденсатор С6. Он обеспечивает фильтрацию кратковременных импульсных помех, которые могут привести к переключению транзисторной схемы. В начальный момент, когда преобразователь подключает схему управления к напряжению питания, благодаря наличию конденсатора С5 происходит задержка включения транзисторного каскада. Диод D5 применяется для развязки каскадов, вырабатывающих сигналы воздействия на базу Q3 при различных проявлениях отклонения вторичных напряжений от номинальных уровней.
Во всех примерах схем защиты датчики и схемы воздействия на элементы управления преобразователем строились на основе дискретных элементов.
В следующих примерах приведены схемы, в которых в качестве первичных узлов, формирующих сигналы отключения ШИМ-преобразователя, применяются интегральные компараторы. Первая из таких схем приведена на рис. 1.10.

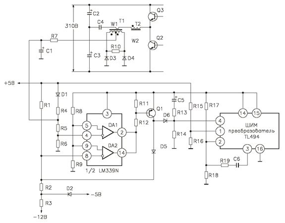
Рис. 1.10. Вариант схемы с интегральным компаратором
На схеме (рис. 1.10) показаны узлы, рассмотренные и в предыдущих вариантах исполнения каскадов защиты. Схема осуществляет контроль за длительностью управляющих импульсов, за коротким замыканием по каналам с отрицательными номиналами напряжений, а также слежение за превышением установленного уровня напряжения в канале +5 В.
Взаимодействие с микросхемой ШИМ-управления TL494 выполняется только по входу 4. Использование внутреннего усилителя DA4 для принудительного ограничения ширины импульсов управления не предусмотрено. В каскаде защиты используются два компаратора DA1 и DA2 из микросхемы типа LM339, выходы которых объединены по схеме "ИЛИ". В установившемся режиме оба выхода имеют высокий уровень.
Транзистор Q1 при этом закрыт, а напряжение на выводе TL494/4 определяется падением напряжения на резисторе R14, вызванным протеканием через него входного тока.
Датчик контроля длительности импульсов управления (трансформатор Т1 и элементы D3, D4, RIO, R7 и С1) введен в первичную цепь преобразователя. Первичная обмотка трансформатора Т1 включена в диагональ полумостового усилителя.
Через эту обмотку протекает тот же ток, что и через первичную обмотку силового импульсного трансформатора Т2.
Форма сигнала на Т1 полностью совпадает с импульсами управления преобразователем. Трехуровневый импульсный сигнал появляется на вторичной обмотке трансформатора Т1. Вторичная обмотка имеет три вывода. Со среднего вывода снимается сигнальное напряжение. Крайние выводы обмотки подключены к катодам диодов D3 и D4 двухполупериодного выпрямителя. Аноды диодов соединены с общим проводом вторичной цепи.
На среднем выводе обмотки W2 присутствуют импульсы положительной полярности. Частота следования импульсов в этой точке в два раза превышает частоту следования импульсов по каждому из выходов микросхемы TL494.
Импульсное напряжение сглаживается RC фильтром на элементах R7 и С1. Уровень напряжения на конденсаторе С1 зависит от длительности импульсов управления преобразователем. Повышение нагрузки вторичных цепей автоматически приводит к росту этого напряжения.
Конденсатор С1 подключен к одному из выводов резистора R4. Второй вывод резистора R4 через диод D1 подсоединен к шине вторичного напряжения канала +5 В. Резистивным делителем, образованным элементами R4-R6, задается уровень на инвертирующем входе компаратора DA1/4, входящего в состав микросхемы типа LM339.
Компаратор производит сравнение этого напряжения с потенциалом на DA1/5, установленным резистивным делителем на R8, R9. Делитель включен между выходом опорного напряжения, вырабатываемого микросхемой TL494 на выводе 4, и общим проводом вторичной цепи. Средняя точка делителя присоединена к неинвертирующему входу компаратора DA1/5. На резисторе R4 происходит суммирование части вторичного напряжения от канала +5 В и напряжения, поступающего от датчика ширины импульсов управления, на трансформаторе Т1.
Сумма напряжений делится пропорционально величинам сопротивлений резисторов R5 и R6.