Рабочее состояние источника питания сохраняется до тех пор, пока на коллекторе Q2 не появится положительный потенциал, который через диод D4 передается на вход TL494/4. С появлением этого напряжения прекращается функционирование импульсного преобразователя.
Положительное напряжение достаточного уровня для блокировки микросхемы TL494 будет присутствовать на коллекторе Q2, если он окажется в закрытом состоянии. База транзистора Q2 постоянно подключена к общему проводу, поэтому для поддержания его в проводящем состоянии на эмиттере должен быть установлен потенциал, равный примерно -0,7…-0,8 В. Для формирования такого напряжения используется схема, состоящая из элементов D9, R21, R22, R13 и D6. На диоде D9 и резисторе R22 собран датчик фиксации КЗ, а на стабилитроне - датчик превышения уровня напряжения по каналу +12 В. Если уровни напряжений по выходам отрицательных каналов нормальны, то в точке соединения диода D9 и резистора R22 напряжение составляет -5,8 В.
Делителем напряжения, состоящим из резисторов R13 и R21, на эмиттере транзистора Q2 устанавливается напряжение -0,7…-0,8 В.
Пока уровень напряжения в канале +12 В находится в допустимых пределах, наличие стабилитрона D6 на работу транзисторного каскада на Q2 влияния не оказывает. Переключение транзистора Q2 может произойти только в случае резкого падения уровня любого из вторичных каналов с отрицательными номиналами напряжений.
При этом напряжение на катоде диода D9 приблизится к потенциалу общего провода, что также отразится на уровне напряжения на эмиттере Q2. Транзистор закроется, и напряжение опорного источника от TL494/14 через диод D4 поступит на вход TL494/4.
Второе условие, которое окажется достаточным для увеличения положительного потенциала на эмиттере Q2, - рост напряжения по каналу +12 В выше уровня стабилизации стабилитрона D6, которое составляет 15 В. Если это условие выполняется, то, несмотря на нормальное состояние напряжений по отрицательным каналам, потенциал на эмиттере Q2 будет нулевым или даже положительным. Транзистор закроется, и далее заблокируется микросхема TL494.
Наряду с рассмотренными каскадами к эмиттеру Q2 подключены датчики короткого замыкания по основным вторичным каналам. Выполнены они на двух компараторах DA1 и DA2 из состава микросхемы LM339. На неинвертирующих входах каждого из компараторов установлен общий опорный уровень, сформированный от стабильного напряжения, вырабатываемого на выводе TL494/14.
На инвертирующие входы компараторов поданы напряжения, пропорциональные уровням выходов по каналам +5 и +12 В.
В исходном состоянии уровень опорного напряжения на входах DA 1/7 и DA2/5 ниже, чем на инвертирующих входах. Напряжение на выходах низкое.
Каждый выход подключен к эмиттеру Q2 через диоды развязки. Падение напряжения в одном или обоих основных каналах вызовет переключение выходного уровня компаратора. Через соответствующий диод развязки D2 или D3 и диод D5 положительное напряжение поступит на эмиттер Q2, вызывая его запирание.
С момента запирания транзистора Q2 начинаются последовательные переключения внутренних элементов микросхемы TL494, которые приводят к отключению ее выходных каскадов и обесточиванию вторичных цепей.
Логика микропроцессорной системы ПК организована таким образом, что для инициализации ее нормального функционирования требуется подача не только определенного напряжения питания, но и служебных сигналов.
Импульсный преобразователь напряжения вырабатывает сигнал высокого логического уровня для информирования центрального процессора системного блока о том, что напряжения питания приняли номинальное значение и компьютер может начинать свою работу
Вернемся назад и вспомним, что в схеме, представленной на рис. 1.2, узлом на транзисторе Q7 вырабатывается сигнал "питание в норме" (POWERGOOD). Сигнал снимается с коллектора транзистора Q7. В исходном состоянии вторичных цепей, когда напряжения на них отсутствуют, каскад на Q7 обесточен. Питание коллекторной цепи транзистора Q7 осуществляется от выходной цепи вторичного напряжения канала +5 В. Принцип срабатывания каскада на этом транзисторе аналогичен функционированию узла на транзисторе Q2. Базовая цепь транзистора Q7 соединена с выходом канала +5 В через оксидный конденсатор С22. Появление положительного напряжения на выходе этого канала сопровождается возникновением положительного потенциала на отрицательной обкладке С22. Этот потенциал через резистор R36 поступает на базу транзистора Q7.
Эмиттер транзистора Q7 соединен с общим проводом, поэтому возрастающее базовое напряжение открывает транзистор.
Когда потенциал на базе увеличивается до уровня 0,7…0,8 В, транзистор Q7 переходит в насыщение, и напряжение на его коллекторе падает до низкого логического уровня. По мере заряда конденсатора С22 напряжение на базе транзистора Q7 снижается, и он, соответственно, закрывается. Напряжение на коллекторе транзистора возрастает до уровня питания, равного +5 В.
Внимание, важно!
Сигнал "питание в норме" вырабатывается при каждом включении источника питания. Если через короткий промежуток времени появляется необходимость повторного включения источника питания, то необходимо полностью разрядить конденсатор С22. В цепь ускоренного разряда конденсатора введен диод D23, шунтирующий сопротивления резистивного делителя на R36 и R37.
Разряд этого конденсатора после отключения электропитания осуществляется через диод D23, минуя резистивные элементы.
Это важно учитывать при использовании блоков питания для ПК в непрофильных целях, к примеру так, как часто использую их я, - в качестве блоков питания для электронных самоделок разного назначения и сложности и даже для питания относительно мощной (в режиме "передача" ток 10 А) радиостанции.
1.2.6. Схемы формирования сигнала POWERGOOD
Существует определенное разнообразие схем формирования сигнала POWERGOOD как управляющего импульса для выхода ИИП-преобразователя из дежурного режима. Эти схемные решения отличаются сложностью схемотехники и алгоритмом работы.
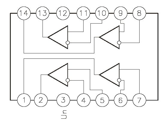
Так, для формирования сигнала "питание в норме" в различных схемах часто применяется интегральная микросхема типа LM339, структурная схема которой представлена на рис. 1.12.

Рис. 1.12. Структурная схема микросхемы LM339
Разводка выводов приведена для исполнения в пластиковом корпусе типа DIP.
Микросхема содержит четыре одинаковых компаратора напряжений.
Выходные каскады в них содержат транзисторные ключи с открытым коллектором. Для нормального функционирования выход компаратора подключается к источнику положительного напряжения через токоограничительный резистор.
Положительное напряжение питания на все элементы микросхемы подается через вывод 3. Общий провод схемы, соединенный с выводом 12, подключается к отрицательному полюсу источника питания.
Высокий уровень сигнала "питание в норме" устанавливается при достижении вторичными напряжениями номинальных величин.
Используется несколько способов формирования сигнала "питание в норме".
Оно может выполняться прямым измерением пороговым устройством выходного напряжения в канале +5 В или применением каскада, обеспечивающего задержку нарастания основного напряжения на выходе схемы и подачи его на вывод PG.
В схеме, представленной на рис. 1.13, генерация сигнала "питание в норме" происходит в результате косвенной оценки уровня напряжения вторичного канала +5 В.