
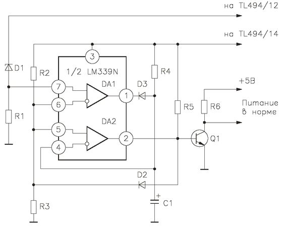
Рис. 1.13. Схема для генерации сигнала "питание в норме"
В электронном каскаде применены один интегральный компаратор из состава микросхемы LM339 и эмиттерный повторитель напряжения на Q1. Благодаря применению компаратора на шине PG сигнал имеет ступенчатый характер с крутым фронтом. Этим исключается неустойчивая работа цифровых схем нагрузки, возможная при плавном нарастании уровней импульсов.
В начальный момент работы схемы напряжение питания появляется на микросхеме ШИМ-преобразователя - TL494. Внутренний источник опорного напряжения на выводе TL494/14 формирует опорное стабилизированное напряжение +5 В, которое через резистивный делитель на R3, R4 подается на инвертирующий вход усилителя DA3 микросхемы TL494. Пока на выходе вторичного канала +5 В напряжение не достигнет номинального значения, напряжение на выходе усилителя DA3 будет иметь низкий уровень. К выходу TL494/3 подключена база эмиттерного повторителя напряжения.
Низкий уровень с этого выхода микросхемы передается в эмиттерную цепь транзистора и далее на неинвертирующий вход компаратора микросхемы LM339. На втором входе выставлен опорный уровень напряжения, снимаемый с резистивного делителя напряжения на резисторах R9 и RIO.
Резистивный делитель включен между выходом TL494/14 и общим проводом. Напряжение на входе LM339/6 компаратора превышает уровень, установленный на выводе 7.
Напряжение на выходе компаратора низкое.
В процессе "медленного" запуска источника питания происходит постепенное повышение напряжения на выходе канала +5 В, которое передается на вход TL494/1 внутреннего усилителя ошибки DA3. По мере увеличения разности потенциалов между входами усилителя DA3 на его выходе происходит изменение напряжения.
Оно получает положительное приращение и достигает уровня, при котором открывается диод D1. Через открытый диод положительный потенциал проходит на внутренние каскады микросхемы TL494, а также на базу транзистора Q1.
Повышение базового напряжения повторяется на эмиттере Q1 и передается на вход 7 компаратора микросхемы LM339. Когда напряжение на этом входе сравняется с уровнем, установленным на втором входе - выводе 6, произойдет переключение компаратора, и на его выходе возникнет потенциал, близкий по значению выходному напряжению канала +5 В. Напряжение на выходе 1 компаратора появляется с задержкой относительно момента установки выходных уровней во вторичных каналах источника питания. Дополнительная задержка обеспечивается подключением к эмиттеру транзистора Q1 оксидного конденсатора С2. Заряд на конденсаторе нарастает плавно, задержку появления высокого уровня сигнала "питание в норме" можно регулировать как величиной емкости конденсатора С2, так и номиналом резистора R7, через который происходит процесс заряда.
Таким образом, данная схема не содержит элементов слежения за уровнем напряжения непосредственно на выходе канала +5 В (за исключением усилителя DA3 микросхемы TL494). Решение о достижении вторичными напряжениями номинальных уровней принимается по виду сигнала на выводе TL494/3 в момент начала их активной регулировки микросхемой TL494.
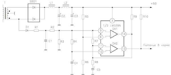
В схеме, элементы которой изображены на рис. 1.14, формирование сигнала "питание в норме" производится при предполагаемом условии, что во вторичных цепях все процессы протекают нормально.
Уровни вторичных напряжений в схеме не оцениваются. Схема разработана с учетом последовательности появления напряжений питания каскада ШИМ-управления. Положительный перепад сигнала вырабатывается пороговыми схемами. Выходной каскад выполнен на транзисторном ключе, коллекторная нагрузка которого (резистор R6) подключена к напряжению вторичного канала +5 В.
Принцип работы электрической схемы, приведенной на рис. 1.14, становится понятным, если проследить динамику процесса появления питающих напряжений в каскаде ШИМ-преобразователя.

Рис. 1.14. Электрическая схема ШИМ-управления
Когда источник питания подключается к первичной сети, возбуждается схема обеспечения начального питания каскада ШИМ-управления. Появляется напряжение питания этого каскада, поступающее на TL494/12. При достижении этим напряжением уровня +7 В (примерно) происходит запуск внутренних функциональных узлов схемы ШИМ-преобразователя, а на его вывод 14 поступает опорное напряжение с номинальным уровнем +5 В.
Этим опорным напряжением питается микросхема компаратора, и от него же устанавливается уровень напряжения на выводах 5 и 6. В это время продолжается увеличение потенциала на TL494/14 и, соответственно, на стабилитроне D1. Пока его напряжение не превысит уровня стабилизации, потенциал на резисторе R1 будет оставаться нулевым.
Уровень на выходе верхнего по схеме компаратора также нулевой. На аноде диода D3, соединенном с входом 4 второго компаратора, напряжение имеет значение +0,8 В, до этого уровня через резистор R4 и заряжается конденсатор С1. Так как опорное напряжение на входе 5 больше уровня на входе 4, на выходе второго компаратора устанавливается напряжение, равное опорному.
Высокий уровень инвертируется транзисторным ключом Q1.
Когда происходит "пробой" стабилитрона и напряжение на резисторе R1 достигает уровня опоры, установленной на входе DA1/7, компаратор переключается. Диод D3 оказывается под закрывающим напряжением. Напряжение на аноде D3 плавно повышается благодаря заряду конденсатора С1. Постоянная времени заряда зависит от значения емкости самого конденсатора С1 и резистора R4. Потенциал на С1 нарастает до уровня опорного напряжения. В момент сравнения напряжений на входах DA2/4 и DA2/5 компаратор DA2 опрокидывается, и на его выходе уровень спадает практически до потенциала общего провода. Транзисторный ключ на Q1 закрывается, на его коллекторе напряжение равно уровню, который в данный момент достигнут во вторичном канале +5 В.
Применение компараторов в схеме обеспечивает формирование выходного сигнала с крутым фронтом. Без них изменение напряжения в цепи PG происходило бы плавно, отслеживая нарастание или спад уровня на конденсаторе С1.
На рис. 1.15 показан фрагмент принципиальной схемы вторичной цепи импульсного источника питания.
В состав фрагмента включена цепь выпрямления и фильтрации напряжения канала +5 В, а также узел, вырабатывающий сигнал POWERGOOD, выполненный с применением компараторов из микросхемы LM339.

Рис. 1.15. Фрагмент принципиальной схемы вторичной цепи ИИП
Особенность данной схемы состоит в том, что при включении источника питания происходит формирование сигнала "питание в норме" с задержкой относительно вторичных напряжений, а при отключении блока питания от сети этот служебный сигнал снимается до спада уровней вторичных напряжений.
Для работы узла формирования сигнала "питание в норме" используются только вторичные напряжения источника питания. Питание компараторов микросхемы LM339 осуществляется от стабилизированного напряжения канала +5 В.
Этим же напряжением устанавливаются опорные уровни на входах компаратора. К одному из выводов вторичной обмотки канала +5 В подключен однополупериодный выпрямитель положительного напряжения на диоде D1.
Выпрямитель нагружен на RC-фильтр (элементы RI, С1) и резистивный делитель на резисторах R2 и R3. Керамический конденсатор С1 имеет относительно небольшую емкость (несколько тысяч пикофарад), по сравнению с фильтрующими конденсаторами, установленными на выходе канала +5 В.
Заряд С1 происходит очень быстро и достигает уровня, равного амплитуде действующих на вторичной обмотке импульсов, то есть 10 В.
Когда напряжение на выводе LM339/3 возрастет до минимального уровня питания компараторов, на входе LM339/9 начнет действовать потенциал, превышающий значение напряжения на LM339/8. Напряжение на выходе компаратора DA1/14 в этой ситуации имеет высокий уровень, его абсолютное значение определяется степенью заряда выходных конденсаторов канала +5 В. С некоторой задержкой относительно вывода 9 напряжение нарастает на входе 10, а уровень напряжения на LM339/11 зависит от времени заряда конденсатора С5. Заряд происходит через резистор R9.
Емкость конденсатора С5 может составлять несколько микрофарад, а сопротивление резистора R9 - примерно 50 кОм. Между выводами 9 и 11 включен резистор R7 достаточно большого номинала, благодаря которому обеспечивается развязка, а также разнесение по времени нарастания напряжений на них.
В начальный момент работы схемы, когда заряд на конденсаторе С5 полностью отсутствует и ток, протекающий через него, максимален, напряжение на выводе LM339/11 определяется соотношением сопротивлений резисторов R7 и R8. Сопротивление R8 во много раз меньше, чем у резистора R7, поэтому потенциал в точке их соединения близок к уровню общего провода.