Всего за 89.9 руб. Купить полную версию
1.11.2. Об экранировании корпуса антенного усилителя
Длину выводов радиоэлементов (во избежание помех) необходимо сократить до минимума. Плата с радиоэлементами крепится в экранированном корпусе.
Такой корпус под размер платы нетрудно изготовить самостоятельно с помощью фольгированного стеклотекстолита: отдельные части (стенки корпуса под соответствующий размер) корпуса вырезаются из листа стеклотекстолита и припаиваются швом внутренней пайки друг к другу, кроме крышки, образуя замкнутый короб. Корпус получившейся конструкции соединяют с общим проводом (экранируют). Применять в этой схеме какие-либо разъемные соединения нежелательно.
Провода питания и коаксиальный кабель монтируются к плате методом пайки и выводятся через отверстие в корпусе устройства.
Все это необходимо для максимально возможной защиты от помех и наводок, создаваемых другими электронными устройствами, работающими на ВЧ передачи сигналов (к примеру, радиотелефоны), а также для защиты от сетевых наводок (по низкой частоте).
Придет время, и аналоговое телевидение повсеместно сменится цифровым, но пока такие усилители помогают решать проблемы слабого сигнала в сельской местности, и повторить их совсем не трудно.
Глава 2
Устройства на микросхемах
Для изготовления устройств на микросхемах кроме паяльника потребуются простые приборы для настройки и контроля работы схем: тестер и желательно осциллограф.
2.1. Как с помощью микросхемы КР1006ВИ1 можно сделать несколько полезных конструкций
2.1.1. Как сделать необычным управление "обычным" таймером на микросхеме КР1006ВИ1
С появлением мигающих светодиодов в радиотехнике произошла микрореволюция. Применение мигающих светодиодов – сегодня уже достаточно распространенное явление, и, пожалуй, разве что ленивый не знает о них. Такие приборы (по внешнему виду они ничем не отличаются от "старого доброго" АЛ307 в пластмассовом корпусе) можно применять не только по прямому назначению – в виде светового прерывистого индикатора, но и иначе, к примеру, в качестве датчика – прерывателя сигналов звуковой частоты.
В устройствах световой и звуковой индикации однотонный звук часто утомляет и свидетельствует о скудости мысли автора и анахронизме электронного устройства, а между тем изменить ситуацию к лучшему несложно и под силу даже специалисту с небольшим опытом монтажа электронных элементов, тем более большой группе читателей журнала "Современная электроника" – признанным специалистам, которые в данном случае становятся почти самостоятельными "дирижерами" оркестра личной звуковой сигнализации. Давайте совместно разберем несколько проверенных на практике примеров.
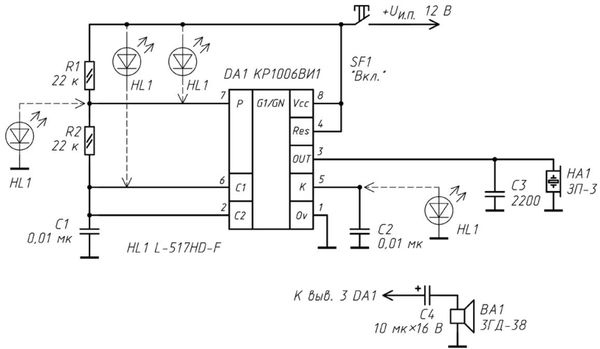
Вариативность практических экспериментов с прерыванием генерации на КР1006ВИ1. Интегральная микросхема КР1006ВИ1 часто используется в радиолюбительских конструкциях для генерации импульсов звуковой частоты с высоким содержанием гармоник. Такой генератор, реализованный по классической, многократно описанной в литературе схеме, вырабатывает импульсы, близкие к прямоугольной форме.
Выходная частота импульсов генератора равна примерно 1200 Гц и зависит от элементов времязадающей цепи – сопротивления постоянных резисторов R1, R2 и емкости конденсатора С1.
Частоту генератора можно менять, увеличивая и уменьшая значения данных элементов. Такой относительно простой генератор практически годится для широкого круга всевозможных новаторских и экспериментальных решений, к примеру, для звуковой сигнализации того или иного технического процесса, осуществляемого (контролируемого) электронным устройством. Мощный выход микросхемы КР1006ВИ1 позволяет подключать нагрузку с током потребления до 250 мА. Амплитуда сигнала на выходе генератора 2/3 UH.
На рисунке 2.1 показана простая базовая схема включения генератора с обозначениями пунктиром некоторых новаторских решений. Рассмотрим ее работу.

Рис. 1.1. Электрическая схема включения КР1006ВИ1
В качестве излучающего элемента HA1 применен пьезоэлектрический капсюль ЗП-3. В таком виде узел представляет собой звуковой сигнализатор однотонального сигнала, который приводится в действие, если замкнуть контакты включателя SF1.
Для усиления громкости звука можно не дополнять схему усилителем; достаточно просто подключить динамическую головку мощностью 1–3 Вт (например, 3ГД-38, как показано внизу рис. 2.1) с сопротивлением катушки не менее 8 Ом между общим проводом и выводом 3 микросхемы DA1. Громкость звука усилится в 2–3 раза.
Подключение производится через разделительный оксидный конденсатор С4 емкостью 10–50 мкФ на рабочее напряжение более 16 В. Это необходимо для того, чтобы на работу микросхемы не влиял посторонний ток от других сопряженных устройств, в данном случае чтобы постоянная составляющая постоянного напряжения не воздействовала на катушку динамической головки.
Конденсатор С3, взаимодействуя с пьезоэлектрическим капсюлем HA1, способствует получению более приятного на слух звука. Громкость звучания пьезоэлектрического капсюля можно повысить и другим путем – сочетанием (приближением) выходной частоты генератора импульсов с резонансной частотой пьезоэлектрического капсюля HA1, но это тема для отдельной статьи. В формате же нашего небольшого экспериментального исследования продолжим знакомство с реакцией микросхемы КР1006ВИ1 на различные варианты включения светодиодов в ее цепях.
О деталях схемы, представленной на рисунке 2.1: постоянные резисторы типа МЛТ-0,25 или любые другие малой мощности. Конденсаторы типа КМ-6 или аналогичные, с группой ТКЕ H90. Напряжение питания устройства в диапазоне 5-15 В. Ток потребления (базовой схемы с пьезоэлектрическим излучателем) 8 мА. Вместо микросхемы КР1006ВИ1 (в базовом исполнении представляет собой интегрированную схему на биполярных транзисторах) можно применять зарубежные аналоги таймеров 555, ICL555, ICLM7555. В последнем случае ток потребления еще более сократится, так как исполнение микросхемы будет реализовано на полевых МОП-транзисторах.
Генератор в таком виде работает в постоянном режиме и излучает однотональный сигнал. Небольшая доработка узла позволяет расширить возможности базовой схемы и получить различные необычные звуковые эффекты, которые привлекут внимание эффективнее, нежели однотонный звук.
Доработка заключается во введении в электрическую схему мигающего светодиода. Применение мигающего светодиода незначительно усложняет схему, однако я считаю это весьма эффективным вариантом, так как из базового генератора удалось сделать генератор прерывистого и мультитонального сигнала.
Есть несколько вариантов подключения мигающего светодиода, каждый из которых подробно рассмотрен ниже.
В качестве мигающего светодиода использовался прибор L517hD-F (сила свечения – 7,5 мкД, номинальное постоянное напряжение – 3 В, диаметр излучающей головки – 5 мм).
В качестве HL1 можно также применять мигающие светодиоды L-816BRSC-B, L-769BGR, L-56DGD, TLBR-5410, L-36BSRD, L-297-F и аналогичные по электрическим характеристикам.
Вариант 1. Включение мигающего светодиода параллельно конденсатору С2. Электрическая схема представлена на рисунке 2.2.

Рис. 2.2. Электрическая схема включения мигающего светодиода параллельно конденсатору С2
В данном случае вход управления положительным импульсом микросхемы КР1006ВИ1 шунтируется светодиодом на общий провод. Во время активного свечения HL1 частота звукового сигнала минимальна.
Это интересно! Получается интересный звуковой эффект – трехтональная сирена с равной длительностью импульсов каждого тона. Форма импульсов на выходе генератора (вывод 3) прямоугольная со сдвигом частоты на 200–250 Гц через каждые 0,3 с (это наглядно иллюстрирует рис. 2.3).

Рис. 2.3. Форма импульсов генератора с разным напряжением Un
График зависимости частоты от питающего напряжения таков, что при понижении питающего напряжения с мигающим светодиодом L517hD-F отечественного светодиода АЛ307БМ до 3,5 В (и увеличении Un свыше 15,5 В) генерация срывается.
При стабилизированном Un= 5 В на выходе микросхемы фиксируется однотональный прерывистый сигнал с частотой около 1050 Гц (см. график на рисунке 2.4).

Рис. 2.4. Иллюстрация зависимости частоты от питающего напряжения
Если конденсатор С2 исключить из схемы, незначительно уменьшается частота импульсов генератора.
Следующим шагом было подключение последовательно (в прямом направлении) с мигающим светодиодом L517hD-F отечественного светодиода АЛ307БМ (рис. 2.5).