Всего за 89.9 руб. Купить полную версию
Однако представим себе ситуацию, в которую вы можете попасть, находясь в полевых условиях, в местностях, удаленных от торговой сети, когда может возникнуть необходимость обеспечить работоспособность брелока и при "подсевшем" элементе питания, а машину с центральным замком, поставленную в режим "охрана", но не снимающуюся с него (ибо элемент питания вышел из строя внезапно), как-то без механического вмешательства надо все-таки открыть. К слову, такая проблема нередко возникает и в городе у тех, кто не пользуется ключом (отключает механические тяги за обшивкой двери автомобиля) и возлагает все надежды только на электронику. С одной стороны, такой замок труднее открыть: если даже вредитель попробует провернуть замок, у него ничего не выйдет, поскольку замок отсоединен от тяг, управляющих запорным устройством автомобильной двери.
Но, с другой стороны, возложив все надежды на электронику, мы иногда становимся ее заложниками в части описанной выше ситуации. Но выход есть.
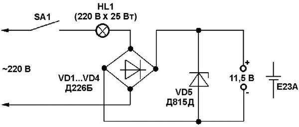
С помощью представленной на рисунке 1.55 простой схемы можно зарядить истощенный элемент Е23А и продолжить его эксплуатацию или хотя бы открыть с его помощью машину.

Рис. 1.55. Электрическая схема для восстановления истощенного элемента Е23
Практика показала, что при подзарядке в течение 10 минут "севшего" элемента питания с помощью устройства, схема которого представлена на рисунке 1.55, установив его обратно в брелок, уже можно открыть машину. При непрерывной зарядке недавно истощенного элемента в течение 8 часов с помощью этого устройства, удается продлить жизнь аккумулятора еще на 3–4 месяца. Да, действительно, элемент Е23А можно 1–2 раза подзаряжать!
Лампа HL1 нужна в схеме как ограничитель тока (ее спираль представляет собой сопротивление постоянному току), и поэтому не следует ожидать от нее яркого света. Нить ее может немного накаляться по мере зарядки элемента. На выходе устройство дает напряжение 11,4-11,8 В.
Прежде чем подавать питание на всю схему, необходимо надежно закрепить контакты элемента-батареи параллельно стабилитрону.
Так как устройство не имеет гальванической развязки от сети 220 В, производить все подключения-отключения нагрузки и монтаж элементов необходимо только при условии отключения схемы от сети.
Не раз замечал, что элементы питания и аккумуляторы разряжаются именно тогда, когда больше всего нужны.
Даже хорошо заряженные, они разряжаются в устройствах с низким энергопотреблением и тогда, когда устройство не используется длительное время. Как выход из ситуации рекомендую применять современные аккумуляторы с низким уровнем саморазряда – ENELOOP, к примеру, NiMh аккумулятор Eneloop XX BL4 типоразмера АА и энергоемкостью 2500 мА/ч.
Однажды заряженные, они практически не теряют заряда.
Тем же способом можно продлевать жизнь и элементам с меньшим напряжением, до 3 В, представленным на рисунке 1.56.

Рис. 1.56. Внешний вид подзаряженного элемента
АКБ ENELOOP сохраняет уровень заряда 90 % после полугодового хранения и около 75 % своего заряда – даже спустя 3 года, не требуя периодической дозарядки. Он имеет возможность перезарядки до 1500 раз (циклов) и работает при низких температурах (даже при минус 20 °C).
1.11. Оригинальный и простой антенный усилитель
В условиях удаленности телеприемников от передающих центров для улучшения качества приема можно использовать антенный усилитель, схема которого представлена далее. Оригинальность этой схемы в том, что по простоте изготовления (при прочих равных условиях эффективности) он не уступает промышленным образцам антенных усилителей стоимостью в несколько сотен рублей.
Устройство апробировано и показало высокую эффективность в Вологодской области (удаление от передающего телецентра 220 км) в 2013 году. Этот усилитель хорошо зарекомендовал себя при слабом аналоговом телевизионном сигнале – при приеме на МВ антенну "волновой канал", установленную в сельском доме на шесте (высота от земли 12 м, от поверхности крыши – 2,7 м).
На рисунке 1.57 представлена электрическая схема антенного предварительного усилителя сигналов высокой частоты (ВЧ), реализованная всего на одном транзисторе, заметно улучшающая качество телевизионного приема в удаленной (сельской) местности.

Рис. 1.57. Электрическая схема антенного усилителя
На рисунке 1.58 представлена схема подключения к входным и выходным высокочастотным электрическая цепям (к антенне и ТВ).

Рис. 1.58. Схема подключения к антенне и телеприемнику
Усилитель не требует настойки и дефицитных радиодеталей, прост в изготовлении и применении. Работает со всеми типами телевизионных приемников. Питается от стабилизированного напряжения в диапазоне 5.5–9 В с высоким уровнем фильтрации помех по низкой частоте, которое можно получить непосредственно от ИП телевизора (можно и автономно).
Рекомендую стремиться к минимальной длине кабеля связи от ТВ-приемника до антенного усилителя. Кабель – обычный радиочастотный (коаксиальный, типа РК-75) с волновым сопротивлением 75–80 Ом.
На практике установлено, что максимальная длина его (без ущерба для качества сигнала) может доходить до 25 м. О деталях разговор особый.
1.11.1. О деталях
Все конденсаторы, показанные на схеме – дисковые. Номиналы емкостей указаны в пикофарадах.
Основные параметры сверхвысокочастотного p-n-p биполярного транзистора MPSH10 представлены ниже. Максимальная частота на которой он уверенно работате выбрана "с запасом" и составляет 650 МГц.
Прямой замены ему я не нашел. Полагаю, что заменять транзистор VT1 можно, в крайнем случае транзисторами 2SC2026, BF200, ECG69, 2SC1393; все они обратной проводимости n-p-n, поэтому при такой замене-не следует предусмотреть изменения в электрической схеме – включить наоборот источник питания или поменять местами коллектор и эмиттер.
О выборе индуктивности. В качестве катушки L1 я применил высокочастотную индуктивность в SMD исполнении – для поверхностного монтажа. Она выполняет роль отсекающего фильтра. В качестве L1 в схеме применена индуктивность CS0805-15NK-N. Возможна замена L1 на другую – из высокочастотной серии LQW18A…00/ LQW18A…10 – типоразмера 0603 по стандарту EIA или серии LQG15HN типоразмера 0402 или на Viking WL08GT15N
Чип-индуктивность L1 можно заменить и другими исходя из следующих условий.
A. Конструкция, структура:
• G – монолитные без сердечника;
• H – проволочные, мотаные с ферритовым сердечником;
• M – монолитные с ферритовым сердечником;
• P – тонкопленочные;
• W – проволочные, мотаные без сердечника.
Б. Типоразмер:
• 03 – 0201;
– 15 – 0402;
• 18 – 0603;
• 21 – 0805 (2.0x1.25 мм);
• 2B– 0805 (2.0x1.5 мм);
• 31 – 1206;
• 32 – 1210;
• 3K – 1212;
• 43 – 1812;
• 55 – 2220;
• 66 – 2525.
B. Характеристика, назначение:
• LQG: H – монолитные без сердечника;
• LQM: N – для колебательного контура;
• D – дроссельные катушки для слаботочных источников постоянного тока;
• F – дроссельные катушки для источников постоянного тока;
• LQP: M – тонкопленочные;
• LQW: A – высокодобротные (UHF – SHF);
• H – высокодобротные (VHF – UHF);
• LQH: N – для колебательного контура;
• M – для колебательного контура;
• D – дроссельные катушки;
• C – дроссельные катушки с покрытием;
• S – дроссельные катушки экранированные;
• H – для высокочастотных колебательных контуров.
Г. Специальное обозначение: N – стандартный тип.
Рабочая температура, при которой антенный усилитель работает хорошо, зависит от параметров каждого элемента, особенно индуктивности и конденсаторов.
Элементы устройства монтируются на плате размерами 20x10 мм методом пайки выводов к изолированным площадкам (секторам) на плате.