
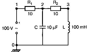
Рис. 2.13. Последовательно-параллельная схема
Входной файл можно записать в виде:
Series-Parallel AC Circuit
V 1 0 AC 100V
R1 1 2 10
R2 2 3 10
L 3 0 100mH
C 3 0 10uF
.AC LIN 100 50Hz 1000Hz
.PRINT AC I(R1) IP(R1)
.END
При записи команды .АС мы предположили, что резонансная частота лежит в диапазоне от 50 до 1000 Гц. Если ее значение лежит за пределами этого диапазона, можно изменить диапазон частот в команде. Команда .PRINT выводит в выходном файле величины модуля и фазового угла для тока схемы. Поскольку нулевому фазовому углу соответствует коэффициент мощности, равный единице, при анализе нетрудно отыскать соответствующую частоту.
Проведите моделирование на PSpice, и проанализируйте выходной файл. Не поленитесь распечатать файл, так как вам придется изменять диапазон частот. Вы должны подтвердить, что резонанс происходит между значениями f=155 Гц и f=165 Гц. Для этого измените во входном файле, диапазон частот с помощью команды
.AC LIN 101 100 200
Теперь мы рассматриваем все целочисленные значения частот между 100 и 200 Гц. Выполнив анализ, мы увидим, что резонанс происходит между частотами 158 Гц и f= 159 Гц и ток вблизи резонанса равен приблизительно 98 мА.
Этот пример позволяет оценить преимущества моделирования на PSPICE. Происходит ли резонанс при частоте, предсказываемой известной формулой
? Вычислите это значение частоты с помощью калькулятора. Оно должно быть f=159,155 Гц. Это не совпадает с нашим предположением, что f0 находится между 158 и 159 Гц. Является ли различие просто ошибкой округления? Изменим команду во входном файле:
.AC LIN 51 155Hz 160Hz
Она обеспечивает шаг по частоте в 0,1 Гц. Проведите моделирование снова и найдите частоту, при которой изменяется знак фазового угла IP(R1). Результат должен показать, что она лежит в диапазоне 158,3 и 158,4 Гц. Из нашего моделирования следует, что приведенная выше формула резонанса неправильна для исследуемой последовательно-параллельной схемы. Обратите внимание, что минимум тока приходится не на резонансную частоту, а на частоту f=159,2 Гц, при которой фазовый угол тока составляет приблизительно 5,97°.
Интересным упражнением для вас должна стать замена команды .PRINT командой .PROBE в этом анализе. При этом результаты проведенного нами численного анализа будут наглядно представлены на графике. Преимуществом графического представления результатов кроме наглядности является возможность получения частотных зависимостей для многих величин без изменения входного файла.
Влияние изменения сопротивления катушки
На рис. 2.13 одна из параллельных ветвей содержит R=10 Ом и L=100 мГн. Эта цепь может служить моделью реальной катушки с малым сопротивлением. Интересно, как влияет сопротивление катушки на поведение схемы? Изменим входной файл, установив R2=50 Ом, и заметим, что при этом f0=138 Гц. Затем установим R2=80 Ом и увидим, что f0=95 Гц. Предполагали ли вы, что изменение резонансной частоты будет столь велико?
Посмотрите, как легко PSpice позволяет Вам изменять параметры схемы и формировать новый набор исходных условий для вычисления. При этом команда .PRINT обеспечивает высокую точность вычислений, а команда .PROBE неоценима для того, чтобы увидеть графические зависимости для переменных.
Параллельные резонансные цепи
Уравнения для анализа параллельной резонансной цепи значительно сложнее уравнений для последовательного колебательного контура. Можно найти полное описание этих уравнений в учебниках. Однако моделирование на PSpice позволяет легко находить резонансную частоту и полное входное сопротивление такой схемы при резонансе. В этом примере вы можете снова использовать курсор в программе Probe.
Схема, показанная на рис. 2.14, содержит ветвь с катушкой и ветвь с конденсатором. Значения параметров элементов схемы: RL=10 Ом; L=2,04 мГн; RC=5 Ом и С=0,65 мкФ. Отметим, что включение резистивного датчика тока сопротивлением R=1 Ом последовательно в цепь источника напряжения V превращает его в неидеальный источник с напряжением 1 В. Предварительный анализ показывает, что резонансная частота лежит между 4 и 5 кГц.

Рис. 2.14. Параллельная резонансная цепь
Входной файл приведен ниже:
Parallel Resonant Circuit
V 1 0 AC 1V
RL 1A 2 10
RC 1A 3 5
R 1 1A 1
L 2 0 2.04mH
C 3 0 0.65uF
.AC LIN 1001 4000Hz 5000Hz
.PROBE
.END
Во входном файле задано изменение частоты от 4 до 5 кГц с шагом в 1 Гц. Выполните анализ, затем, используя возможности Probe, получите график IP(R). Диапазон частот выведенного графика по оси X лежит в пределах от 1 до 10 кГц, предусматривая логарифмическую шкалу. Это означает, что выбранная кривая занимает лишь малую часть экрана. Выберите для шкалы по оси X линейный масштаб и диапазон от 4 до 5 кГц. Как и ожидалось, резонансная частота имеет значение, близкое к 4,3 кГц, что видно из графика на рис. 2.15.

Рис. 2.15. Фазочастотная характеристика для схемы на рис. 2.14
Использование курсора в программе Probe
Из строки меню выберите Trace, Cursor, Display, и на экране появится поле Probe Cursor. Оно может появиться в правой нижней части, но его при желании можно переместить и в другую область экрана. Поле содержит следующую информацию:
А1 = 4.0000K, -27.025
А2 = 4.0000K, -27.025
dif = 0.000, 0.000
Строка А1 представляет значения X и Y: частоты и величины фазового угла тока IP(R) в левом конце графика. Частота равна 4 кГц, а фазовый угол составляет -27,025, то есть при f=4 кГц вектор тока повернут на -27,02° относительно вектора входного напряжения, фазовый угол которого считается нулевым.
Клавишей стрелки (→) переместите указатель курсора до отметки, где фазовый сдвиг будет нулевым (или почти нулевым). После этого значения на табло Probe Cursor изменятся
А1 = 4.3175K, -17.130m
А2 = 4.0000K, -27.025
dif = 3ъ17.544, 27.010
Полученные вами значения могут несколько отличаться. На самом деле, если вы удалите график и снова получите его, значения могут немного измениться, так как используется подпрограмма итераций, чтобы достигнуть необходимой точки графика. Строка A1 сообщает, что при f=4,3175 кГц фазовый угол тока близок к нулю.
Таким образом, резонансная частота f0=4,3175 кГц, так как при этом входной ток находится в фазе с приложенным напряжением. Сопротивление R в схеме необходимо, чтобы сделать источник входного напряжение реальным источником напряжения.
Интересно определить также полное входное сопротивление (или полную проводимость) схемы при резонансе. Убедитесь еще раз, что сопротивление (или проводимость) при резонансе должны быть полностью активными (не должны содержать реактивной составляющей). Постройте с учетом этого график I(R). Поскольку V=1 В, ток схемы численно равен полной входной проводимости. Объясните, почему это так. Используйте снова режим курсора для этого графика. Перемещайте указатель курсора, пока не найдете предсказанную частоту f0=4,3175 кГц. Каково значение тока I на этой частоте? Убедитесь, что I=4,683 мА при резонансной частоте. Убедитесь также, что Z0=R0=213,5 Ом. Отметьте, что ток при этом не минимален.