Параллельная RC-цепь
На рис. 2.7 приведена схема с параллельной RC-цепью. Значения элементов этой схемы: I=100∠0° мА; R=8,33 Ом; С=14,14 мкФ и f=500 Гц.

Рис. 2.7. Схема с параллельной RC-цепью
Перед тем как провести моделирование на PSpice, рассчитайте полную проводимость RC-цепи. Она задается выражением Y=G+jB, где G = 1/R и В=2πfC.
Входной файл имеет вид:
AC Circuit with Parallel branches R and С
I 0 1 AC 100
R 1 0 8.33333
N 1 0 14.14mF
.AC LIN 1 500Hz 500Hz
.PRINT AC V(1) VP(1) I(R) IP(R) I(C) IP(C)
.END
Проведите моделирование, затем постройте векторную диаграмму цепи и сравните полученный результат с приведенным на рис. 2.8. Он дает для напряжения значение V=0,7815∠–20,3° В. Проверьте вычисленное ранее значение Y, используя формулу Y= I/V.

Рис. 2.8. Векторная диаграмма для параллельной RC-цепи
Максимальная передача мощности в цепях переменного тока
В цепях постоянного тока максимальная мощность, выделяемая в нагрузке, достигается при RL=RS. В цепях переменного тока передача максимальной мощности достигается в том случае, когда значения полного сопротивления источника и нагрузки являются комплексно-сопряженными величинами. Например, если ZS=(600+j150) Ом, то максимальная мощность в нагрузку передается при ZL=(600–j150) Ом. Чтобы иллюстрировать это для простых последовательных цепей, на рис. 2.9 приведена схема с необходимым соотношением комплексных сопротивлений. При частоте 1 кГц реактивные сопротивления в 150 Ом получаются при индуктивности L=23,873 мГн и емкости С=1,061 мкФ.

Рис. 2.9. Схема для определения максимальной мощности, выделяемой в нагрузке
Входной файл имеет вид:
Maximum Power Transfer in AC Circuits
V 1 0 AC 12V
RS 1 2 600
L 2 3 23.873mH
RL 3 4 600
N 4 0 1 .06uF
.OPT nopage
.AC LIN 1 1 kHz 1 kHz
.PRINT AC I(RL) IP(RL) V(3) VP(3)
.END
Maximum Power Transfer AC Circuits
I 0 1 AC 100
R 1 0 8.33333
N 1 0 14.14mF
.AC LIN 1 500Hz 500Hz
.PRINT AC V(1) VP(1) I(R) IP(R) I(C) IP(C)
.END
Проведите анализ и убедитесь, что ток в цепи равен 10 мА при угле почти в ноль градусов, а амплитуда напряжения составляет V(3)=6,185 В при угле в 14,04°. Мощность, выделяемую в нагрузке, проще всего найти как Р=|I|²R=60 мВт. Резонанс в цепи наступает на частоте 1 кГц. Дальнейшее обсуждение проблемы резонанса будет продолжено в следующем разделе. В качестве самостоятельного упражнения измените значение RL до 550 Ом и проведите анализ заново. Убедитесь, что значение мощности уменьшилось по сравнению с предыдущим случаем. Повторите то же самое для сопротивления RL=650 Ом. Отметим, что при заданных значениях L и С и при изменении частоты до некоторого другого значения, значение X станет больше или меньше, а ток уменьшится.
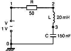
Резонанс в последовательных RLC-цепях
Последовательный резонанс достигается в RLC-цепи, когда ее комплексное сопротивление становится чисто резистивным. При этом индуктивное и емкостное сопротивление взаимно компенсируются, ток становится максимальным, а фазовый угол - нулевым (то есть ток и приложенное напряжение находятся в фазе). Резонансная частота легко находится из уравнения:
![]()
На рис. 2.10 приведена такая схема. Значения элементов: R=50 Ом; L=20 мГн и С=150 нФ. При этих параметрах резонансная частота f0=2905,81 Гц. Приложенное напряжение выбрано равным 1∠0° В. Можно работать со следующим входным файлом:
Series Resonance with RLC
V 1 0 AC 1V
R 1 2 50 L
2 3 20mH C
3 0 150nF
.AC LIN 4901 100Hz 5kHz
.PROBE
.END

Рис. 2.10. Последовательная резонансная RLC-цепь
Команда .АС предусматривает линейную вариацию частоты от 100 Гц до 5 кГц, содержащую 4901 шаг, один шаг для каждого целочисленного значения частоты в этом диапазоне.
После выполнения PSpice анализа в программе Probe будут построены графики для частот от 100 Гц до 10 кГц. Могут быть получены различные графики для сложных функций параметров схемы. Сделайте следующее:
1. Постройте график зависимости IP(R) для линейного частотного диапазона от 2 до 4 кГц (эта зависимость называется фазочастотной характеристикой - ФЧХ). Для этого выберите Trace, Add Trace…, введите с клавиатуры необходимую переменную IP(R) в поле Trace Expression и нажмите OK. Чтобы получить желательный диапазон по оси X выберите Plot, Axis Settings… и в поле X-axis выберите User Defined с диапазоном от 2 до 4 кГц. Затем выберите Scale Linear и OK. Если при выводе кривой вы получаете ошибку, выберите Trace, Delete All Traces и повторите процесс, чтобы получить необходимую кривую. Ваш график должен пройти через ноль при частоте, близкой к 2,9 кГц. Проверьте это, выбирая режим курсора (он имеет символ, который напоминает пересекающиеся пунктиры и символ проверки), затем, используя мышь или стрелки ← → на клавиатуре, найдите положение "нулевого сдвига фаз", которое должно соответствовать частоте f=2,0058 кГц (см. рис. 2.11);

Рис. 2.11. Фазочастотная характеристика резонансного RLC-контура
2. Получите в программе PROBE график V(1)/I(R) для того же частотного диапазона от 2 до 4 кГц. Для этого сначала выберите Trace, Delete All Traces и затем - Trace, Add Trace, как вы делали прежде. Диапазон по оси Y должен быть от 0 до 300. Используйте Trace, Cursor, Display mode, чтобы найти следующие значения: при f=2 кГц, Z=283,6 Ом; при f=2,9 кГц, Z=50 Ом; и при f=4 кГц, Z=242,6 Ом;
3. Удалите эту кривую, и получите на экране сразу два графика: напряжения V(3) и тока I(R). Используйте операции Plot, Add Plot to Window, чтобы получить вторую кривую. Измените частотный диапазон в пределах от 0 до 5 кГц. В результате максимум для V(3) должен составлять приблизительно 7,3 В, а для I(R) –20 мА. Проверьте эти значения с помощью ручного расчета и сравните с рис. 2.12.

Рис. 2.12. Амплитудно-частотные характеристики тока и напряжения на конденсаторе для RLC-контура
Частотный анализ в последовательно-параллельных цепях переменного тока
На рис. 2.13 приведена еще одна цепь на переменном токе. Значения параметров: V=100∠0° В; R1=10 Ом; R2=10 Ом, L=100 мГн и С=10 мкФ. Предположим, что резонансная частота неизвестна, и ее необходимо предварительно определить.