
Рис. 1.41
1.5. Для схемы на рис. 1.42 найдите напряжение V12. Оно может быть определено просто как V(1)–V(2). Проверьте результат, включив во входной файл команды для непосредственного определения тока через R2.

Рис. 1.42
1.6. Для схемы на рис. 1.43 найдите ток через резистор в 6 Ом и напряжение v.

Рис. 1.43
1.7. Для схемы на рис. 1.44 найдите напряжение v23 и ток i.

Рис. 1.44
1.8. Для схемы на рис. 1.45 найдите напряжение на резисторе R4.

Рис. 1.45
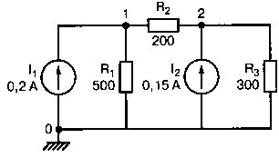
1.9. Для схемы на рис. 1.46 найдите напряжение nаb.

Рис. 1.46
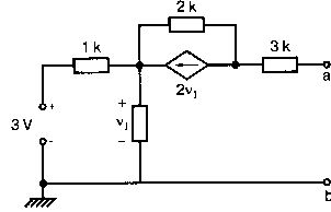
1.10. Для схемы на рис. 1.47 найдите напряжение vab и сопротивление Rab, соответствующие теореме Тевенина.

Рис. 1.47
1.11. Для схемы на рис. 1.48 найдите эквивалентную схему Тевенина относительно полюсов а и b.

Рис. 1.48
2. Анализ цепей на переменном токе (для установившихся синусоидальных режимов)
Spice показывает напряжения узлов на постоянном токе без всяких специальных команд, поскольку определение напряжений постоянного тока является необходимым для получения рабочих точек в транзисторных схемах и при решении других традиционных задач. Но если вы хотите провести анализ на переменном токе, необходимо специально задать это в условиях моделирования. Вводный пример показывает, как это делается.
Последовательная RL-цепочка на переменном токе
Последовательная цепь на рис. 2.1 содержит источник напряжения в 1 В, включенный последовательно с резистором R и катушкой индуктивности L. Последовательная RL-цепочка может служить, например, схемой замещения для реального дросселя. Компоненты схемы характеризуются значениями R=1,5 Ом; L=5,3 мГн и f=60 Гц. Необходимо найти ток в цепи и полное сопротивление реального дросселя. Входной файл имеет вид:
AC Circuit with R and L in Series (Coil)
V 1 0 AC 1V
R 1 2 1.5
L 2 0 5.3mH
R3 2 0 5k
.AC LIN 1 60Hz 60Hz
.PRINT AC I(R) IR(R) II(R) IP(R)
.END

Рис. 2.1. Последовательная RL-цепь при питании от источника гармонического напряжения
Команда .AC в нашем случае обеспечивает линейную вариацию значений в диапазоне от 60 до 60 Гц, то есть одну точку. Команда .PRINT предусматривает печать значений различных величин в этой точке:
I(R) - амплитуда тока;
IM(R) - также амплитуда тока;
IR(R) - действительная часть тока;
II(R) - мнимая часть тока;
IP(R) - фазовый угол тока.
Если Вы хотите выразить подобным образом падение напряжения V2 на индуктивности, можно записать:
V(2) - амплитуда падения напряжения на индуктивности (между узлами 2 и 0 соответственно);
VM(2) - также амплитуда тока этого напряжения;
VR(2) - действительная часть напряжения;
VI(2) - мнимая часть напряжения;
VP(2) - фазовый угол напряжения.
Запустите моделирование на PSpice. Узловые напряжения в выходном файле показаны как нулевые. Это означает, что они не содержат постоянных составляющих. Токи источников напряжения и мощности также не содержат постоянных составляющих (и они равны 0). Интересующая нас часть результатов моделирования дает FREQ=60 Гц для частоты и I(R)=0,4002 А для амплитуды переменного тока источника питания. Действительная часть комплексного тока равна IR(R)=0,2403 А, мнимая его часть составляет II(R)=–0,3201 А, а фазовый угол равен IP(R)=–53,1°.
Задачи такого типа на переменном токе хорошо иллюстрируются векторными диаграммами (рис. 2.2). Опорное напряжение направлено под нулевым углом. Вектор тока смещен на вычисленный угол -53,1°. Можно найти также полное сопротивление реальной катушки, представленной RL-цепочкой:
![]()
Поскольку напряжение имеет единичное значение, полученная величина идентична обратному значению вектора тока I.

Рис. 2.2. Векторная диаграмма последовательной RL-цепи
Последовательная RC-цепочка на переменном токе
Заменив в схеме на рис. 2.1 катушку индуктивности конденсатором С, получим следующую схему (рис. 2.3).
Значения компонентов в этой схеме: R=5 Ом; С=100 мкФ и f=318 Гц.

Рис. 2.3. Схема с последовательной RC-цепочкой
Входной файл будет следующим:
AC Circuit with Resistance and Capacitance in Series
V 1 0 AC 1V
R 1 2 5
С 2 0 100uF
.AC LIN 1 318Hz 318Hz
.PRINT AC I(R) IP(R) V(2) VP(2)
.END
В команде .PRINT через V(2) и VP(2) обозначены модуль и фазовый угол напряжения на конденсаторе соответственно. Запустите моделирование на PSpice и постройте векторную диаграмму тока и напряжения. Ваш рисунок должен соответствовать рис. 2.4.

Рис. 2.4. Векторная диаграмма для последовательной RC-цепи
Параллельные ветви на переменном токе
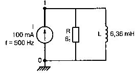
Рассмотрим теперь процессы в параллельной RL-цепи при питании ее от источника переменного тока (рис. 2.5).

Рис. 2.5. Схема с параллельной RL-цепью
Параметры компонентов: I=100∠0° мА; R=8,33333 Ом; L=6,36 мГн. Для этой цепи необходимо найти напряжение на параллельных ветвях, ток через каждую ветвь и полную проводимость цепи. Входной файл при этом имеет вид:
AC Circuit with Parallel branches R and L
I 0 1 AC 100
R 1 0 8.33333
L 1 0 6.36mH
.AC LIN 1 500Hz 500Hz
.PRINT AC V(1) VP(1) V(1) I(R) IP(R) I(L) IP(L)
.END
Модуль и фазовый угол напряжения представлены в выходном файле как V(I) и VP(1), а токи через отдельные ветви находятся как обычно. Запустив моделирование и получив результаты, убедитесь, что V(I)=0,7691 и VP(1)=22,64°. Проводимость RL-цепи равна Y=I/V(I)=(0,100∠0°)/(0,7691∠22,6°)=(0,13∠22,6°) С.
Постройте векторную диаграмму для схемы, показав все токи и напряжение V1. Сверьте ваш результат с рис. 2.6.

Рис. 2.6. Векторная диаграмма для параллельной RL-цепи
В качестве упражнения по анализу цепей преобразуйте токи из синусоидальных в прямоугольные и сложите их. Сравните полученный результат с заданным ранее значением тока источника.