Метод контурных токов и PSpice
Традиционные курсы электротехники обычно излагают метод контурных токов, использующий контуры и контурные токи для вычисления токов в ветвях схемы.
Стандартная форма уравнений для трех контурных токов имеет вид:
R11I1 + R12I2 + R13I3 = V1;
R21I1 + R22I2 + R21I3 = V2;
R31I1 + R32I2 + R31I3 = V3.
где R11 - собственное сопротивление контура 1; R12 - взаимное сопротивление контуров 1 и 2; R13- взаимное сопротивление контуров 1 и 3, а V1 - контурная ЭДС контура 1; алгебраическая сумма всех ЭДС, действующих в контуре 1 (положительными считаются ЭДС, направление которых совпадает с направлением обхода контура). Аналогично составлены уравнения и для контуров 2 и 3. Ручной расчет системы трех уравнений с тремя неизвестными утомителен и часто приводит к ошибкам в вычислениях. Если же число уравнений больше трех, то вычислительная работа становится очень тяжелой. Для выполнения такой работы применяются многочисленные версии компьютерных программ.
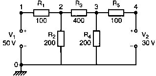
А можно ли решить такую систему уравнений с помощью SPICE? Если рассматривать общий случай, то ответ будет отрицательным. Однако можно использовать некоторые приемы, чтобы выполнить такое моделирование, как в следующем примере (рис. 1.32). Здесь имеется три контура. Вы можете составить систему из трех уравнений в стандартном формате и вычислить затем I1, I2 и I3.

Рис. 1.32. Анализ методом контурных токов на PSpice
Вы можете сделать это и в качестве упражнения перед просмотром следующего входного файла:
Mesh Analysis with PSpice
V1 1 0 50V
V2 4 0 30V
R1 1 2 100
R2 2 0 200
R3 2 3 400
R4 3 0 200
R5 3 4 100
.OP
.OPT nopage
.DC V1 50 50 10
.PRINT DC I(R1) I(R2) I(R3)
.END
Во входной файл включены две интересные команды. Первая из них - это команда .DC. Это команда вариации по напряжению V1, которая была введена при исследовании примера, касающегося теоремы Нортона. Она позволяет изменять напряжение V1. Следующие два значения (50 и 50) задают начальное и конечное значение при вариациях. Поскольку они одинаковы, это практически означает отказ от вариации. Если же вы действительно хотите изменять напряжение с шагом от 10 до 50 В, то команду необходимо заменить следующей:
.DC V1 0 50 10
Однако вариация нас пока не интересует, и мы оставим команду в прежнем виде, вычисляя токи только при одном значении напряжения V1. Определить диапазон вариации мы вынуждены для реализации последующей команды .PRINT, чтобы получить значения тока I(R1) и напряжения V(2,3). Если не включить команду .DC перед командой .PRINT, последняя будет выполнена некорректно. Запустим моделирование и проверим результат. В выходном файле получены значения I(R1)=0,1833 A; I(R3)=25 мА и I(R5)=-83,33 мА. Это и есть три контурных тока, которые мы должны получить, решая три уравнения, составленные по методу контурных токов. На самом деле анализ, применяемый в PSpice, более похож на метод узловых потенциалов, но используя дальнейшие расчеты, можно получить и контурные токи (так же, как и токи в ветвях).
Вариация параметров на постоянном токе
Поскольку в задачах на применение контурных токов мы столкнулись с проблемой вариации параметров на постоянном токе (dc sweep), рассмотрим пример, в котором такая вариация используется нормальным образом, в некотором диапазоне напряжений. Используем знакомую нам Т-образную схему на рис. 1.33.

Рис. 1.33. Т-образная схема, в которой проводится вариация напряжения
Без всякого предварительного анализа рассмотрим входной файл для PSpice:
Spice Sweep Analysis of Tee Circuit
V1 1 0 50V
R1 1 2 100
R2 2 3 50
R3 2 0 200
R4 3 0 150
.OP
.OPT nopage
.TF V(3) V
.DC V1 0 50 10
.PRINT DC V(2,3) I(R3)
.END
Вариация напряжения начинается от нуля вольт и производится до 50 В с шагом в 10 В. В выходном файле строятся две таблицы, в одной из которых показана зависимость V(2,3) от V, а в другой - зависимость I(R3) от V, как и требует команда .PRINT. Запустите моделирование на PSpice и просмотрите результат. Какого размера таблицы необходимо здесь использовать? Если вы хотите определить, какое напряжение соответствует току зависимости I(R3)=50 мА, то таблицы дадут значение напряжения 20 В. Вы, конечно, можете легко рассчитать результат, но если точек будет много, то PSpice может выполнить эту работу за вас.
Применение команды .PROBE
Пакет MicroSim включает также программу Probe, применение которой было проиллюстрировано во введении. Программу можно запустить, выбрав пиктограмму Probe на рабочей панели MicroSim или включив во входной файл команду .PROBE.
Чтобы проиллюстрировать, как правильно работать с этой командой, рассмотрим снова Т-образную схему, несколько изменив входной файл и дав ему имя satc.cir (Sweep Analysis Tee Circuit).
Sweep Analysis of Tee Circuit
V1 1 0 50V
R1 1 2 100
R2 2 3 50
R3 2 0 200
R4 3 0 150
.OP
.OPT nopage
.TF V(3) V
.DC V1 0 50 10
.PROBE
.END
После окончания моделирования вы можете просмотреть выходной файл и выбрать графики, которые вам хотелось бы получить. Для подготовки к построению графиков выберите View, проигнорировав View Output Window и Simulating Status Window.
Из основного меню выберите Trace, Add Trace и вы увидите новый экран с выходными параметрами, такими как напряжения V, V(1), V(2) и V(3), токи I(R1), I(R2) и так далее. Выберите I(R3) и, повторив процесс, выберите I(R1). Вы получите график зависимости этих двух токов от напряжения V в диапазоне от 0 до 50 В.
Желательно получить распечатку результатов, но если вы захотите также нанести на графики поясняющие надписи, используйте команды Plot, Label, Text и наберите необходимый текст в соответствующем поле. Затем нажмите OK. С помощью мыши перетащите появившийся текст в необходимую точку экрана. Вы должны получить вид экрана в соответствии с рис. 1.34.