
Рис. 1.34. Зависимости токов IR3 и IR1 от напряжения питания, полученные с помощью функции .Probe
Чтобы ознакомиться с еще одной интересной возможностью, выберите Trace, Cursor, Display, чтобы вызвать окно Probe Cursor. Вы увидите табло:
А1 = 0.000, 0.000
А2 = 0.000, 0.000
dif = 0.000, 0.000
показывающее значения, соответствующие положению курсора в начале координат. Подведите с помощью мыши курсор к точке, соответствующей примерно 15 В на оси X, затем с помощью стрелок ← и → на клавиатуре переместите точку точно в 15 В. На табло должны появиться цифры:
А1 = 15.000, 37.500m
А2 = 0.000, 0.000
dif = 15.000, 37.500m
Координаты А1 представляют собой напряжение V и ток I(R3) в выделенной точке. Затем нажмите Ctrl и стрелку → на клавиатуре, чтобы перейти к другой кривой, и проверьте, что при V=15 В ток I(R1) = 75,0 мА. Вспомним, что вариации проводились для значений V, равных 0, 10, 20, 30, 40 и 50 В. Программа Probe автоматически проводит анализ кривых, чтобы рационально разместить все полученные точки на экране.
Чтобы рассмотреть другой интересный пример использования программы Probe, вернемся к примеру рис. 1.30, где была показана схема с полиномиальным зависимым источником напряжения. Добавьте команду .PROBE во входной файл и снова запустите моделирование. Теперь вместо таблиц результатов в выходном файле используйте Probe, чтобы построить график зависимости V(2), V(3), V(4). Поработайте с кривыми, пока не почувствуете, что свободно пользуетесь функциями Probe. Используйте Trace, Cursor, Display, чтобы проверить численные результаты, сравнив их с полученными при помощи команды .PRINT.
В программе Probe имеется много других возможностей, которые будут продемонстрированы в процессе рассмотрения примеров в тексте.
Метод узловых потенциалов и PSpice
Традиционные курсы электротехники обычно излагают метод узловых потенциалов, используя стандартные уравнения. Эти уравнения гораздо легче записать, если все неидеальные источники напряжения заменить неидеальными источниками тока. Это имеет тот недостаток, что цепь физически изменяется, но за счет этого уменьшается количество узлов и, соответственно, количество уравнений. После нахождения узловых потенциалов вы можете провести обратное преобразование источников, приведя схему снова к исходной. Стандартная форма уравнений для узловых потенциалов:
G11V1 + G12V2 + G13V3 = I1;
G22V2 + G22V2 + G13V3 = I2;
G31V1 + G32V2 + G33V3 = I3,
где G11 - собственная проводимость узла 1; G12- взаимная проводимость узлов 1 и 2; G13 - взаимная проводимость узлов 1 и 3, а I1 - ток узла 1, алгебраическая сумма всех токов, походящих к узлу 1. В методе узловых потенциалов все собственные проводимости положительны, а все взаимные проводимости отрицательны.
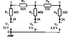
Схема на рис. 1.35 будет использована для анализа по методу узловых потенциалов. В качестве упражнения запишите уравнения по этому методу и решите их с помощью какой-либо компьютерной программы или калькулятора. Записать стандартные уравнения и решить их полезно, но решать их каждый раз неэффективно.

Рис. 1.35. Схема с несколькими источниками тока для анализа методом узловых потенциалов
Решение с помощью PSpice достаточно просто и не содержит ничего нового. Входной файл имеет вид:
Nodal Analysis of Circuit with Several Current Sources
I1 1 0 20mA
I2 0 2 10mA
I3 0 3 15mA
R1 1 0 500
R2 1 2 500
R3 2 0 400
R4 2 3 500
R5 3 0 300
.OP
.ОРТ nopage
.END
Во входном файле достаточно информации, чтобы найти все узловые потенциалы. Запустим моделирование и проверим напряжения V(1)=7,694 В; V(2)=5,3947 В и V(3)=4,8355 В. Значение общей рассеиваемой мощности, приведенное в выходном файле, равно 0, что, очевидно, некорректно. Напомним, что это происходит, поскольку в схеме нет независимых источников напряжения.
Чтобы получить правильное значение, преобразуйте источники тока (рис. 1.35) в источники напряжения и создайте входной файл для получившейся схемы (рис. 1.36).

Рис. 1.36. Преобразование неидеальных источников тока в неидеальные источники напряжения
На этом, последнем, рисунке к узлам 1, 2 и 3 подключены те же самые сопротивления, что и в предыдущей схеме, но появились три дополнительных узла, что привело к соответствующему изменению входного файла:
Nodal Analysis with Current Sources Converted to Voltage Sources
V1 1A 0 10V
V2 2A 0 4V
V3 3А 0 4.5V
R1 1A 1 500
R2 1 2 500
R3 2 2A 400
R4 2 3 500
R5 3 3А 300
.OP
.OPT nopage .END
После получения результатов моделирования убедитесь, что V(1) = 7,694 В, V(2) = 5,3947 В и V(3) = 4,8355 В, как и ранее. Для трех дополнительных узлов напряжения будут равны: V(1A) = 10 В; V(2A) = 4 В и V(3A) = 4,5 В, как указано во входном файле для идеальных источников напряжения. В дополнение к этому вы можете определить три тока источников. Например, ток через V1 равен –4,605 мА. Это означает, что положительный ток 4,605 мА вытекает из положительного полюса источника V1. Проверьте, что остальные токи вычислены правильно. Поскольку все источники являются источниками напряжения, общая мощность вычислена верно и равна 27,1 мВт.
Непланарные цепи
Если схемы непланарны, их нельзя изобразить в двухмерном пространстве без пересечения линий, соединяющих узлы. Такова схема на рис. 1.37, которая содержит источник напряжения и восемь резисторов, то есть всего девять элементов. Из используемых методов расчета метод контурных токов может быть использован только для планарных схем, однако метод узловых потенциалов может быть использован и для непланарных схем. PSpice является инструментом, наиболее часто применяемым для анализа схем с большим числом элементов. Для исследуемой схемы входной файл имеет вид:
Nonplanar Circuit Containing Nine Elements
V 1 0 9V
R1 1 2 1
R2 4 0 7
R3 3 0 5
R4 2 3 6
R5 5 3 4
R6 2 4 2
R7 1 5 8
R8 4 5 3
.DC V 9V 9V 9V
.PRINT DC V(1,2) V(2,3) V(2,4)
.PRINT DC V(4,5) V(5,3) V(1,5)
.OP
.OPT nopage
.END

Рис. 1.37. Непланарная схема
Во входном файле предусмотрено вычисление напряжений на отдельных элементах, которые желательно знать, чтобы определить токи в ветвях. С другой стороны, в команде .PRINT можно заложить распечатку токов через резисторы, например I(R1). Отметим, что без введения команды .ОР узловые потенциалы не могут быть получены. Убедитесь, что V(1,2)=1,367 В; V(2,4)=1,685 В; V(1,5)=3,031 В. Проведите также численную проверку равенства V(1)=V(1,2)+V(2,3)+V(3).