Другие источники напряжения, управляемые током
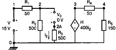
Вспомним, что источники напряжения, управляемые токами в какой-либо ветви, называются управляемыми током (ИНУТ) или зависимыми от тока (CCVS или CDVS). На рис. 1.28 приведена типовая схема такого источника, отличная от предшествующей. Управляющим током в этом примере является ток i2, протекающий через резистор R3 (к узлу 0). ИНУТ обозначается символом Н. Значение k в этом случае составляет 400. Рассчитаем ток источника V, получим IS=15/(50 + 250) = 50 мА. Этот ток делится поровну между резисторами R2 и R3, обеспечивая протекание управляющего тока I2=25 мА. Напряжение источника Н составляет при этом 400·25 мА=10 В. Ток в правом контуре схемы равен 10/200=50 мА.

Рис. 1.28. Схема с источником напряжения, управляемым током
Входной файл PSpice имеет вид:
Current-Controlled Voltage Source
V 1 0 15V
V0 2A 2 0V
H 3 0 V0 -400
R1 1 2 50
R2 2 0 500
R3 2A 0 500
R3 3 4 50
R4 4 0 150
.OP
.OPT nopage
.TF V(4) V
.END
Запустите моделирование на PSpice и убедитесь, что величины V(2)=2,5 В, V(3)=10 В и V(4)=7,5 В. Команда PSpice, вводящая H, дает узлы 3 и 0 в качестве плюса и минуса управляющего напряжения. На рисунке приведен также источник V0 в цепи управляющего тока i2. Полярность этого источника дает направление тока i2, показанное на рис. 1.28. Последнее значение в командной строке, вводящей H, дает –400 для множителя k. Знак минус необходим, как и в предыдущем примере, чтобы обеспечить правильное направление тока через источник.
Отметим, что выходной файл дает для тока через источник -50 мА, что означает протекание тока от положительного полюса V, и -25 мА для управляющего тока, протекающего от положительного полюса V0. Под строкой заголовка Current-Controlled Voltage Source в выходном файле приведено значение 10 В, показанное как источник напряжения V. Значение -50 мА, показанное как источник тока I представляет собой ток источника Н. И снова знак минус означает, что ток внутри H течет от минуса к плюсу.
Итак, мы рассмотрели зависимые источники четырех типов E (VCVS или ИНУН - источник напряжения, управляемый напряжением), F (CCCS или ИТУТ - источник тока, управляемый током), G (VCCS или ИТУН - источник тока, управляемый напряжением) и H (CCVS или ИНУТ - источник напряжения, управляемый током). Зависимые источники играют важную роль при анализе большинства схем с активными приборами, такими как транзисторы. Они дают возможность достаточно просто рассчитывать такие схемы, открывая путь к пониманию работы сложных устройств. При этом основные идеи лучше всего можно понять при исследовании цепей постоянного тока, которое проводится в данной главе.
Полиномиальные зависимые источники
Материал этой главы обычно не включается в общие программы обучения. Если полиномиальные источники не интересуют вас в настоящий момент, вы можете пропустить этот раздел, перейдя сразу к разделу, посвященному методу контурных токов.
Возможности применения для анализа нелинейных зависимых источников лучше всего рассмотреть на конкретном примере, приведенном на рис. 1.29. На нем показан источник напряжения V, питающий два последовательно включенных резистора R1=R2=1 кОм. Источник ИНУН обозначен как Е, но в нашем случае напряжение Е связано с управляющим напряжением не просто постоянным коэффициентом k. Предполагается, что Е связано с напряжением V20 нелинейной зависимостью, задаваемой полиномом
Зависимые источники, управляемые двумя напряжениями
Рассмотрим теперь, как вводятся в командной строке, использующей зависимые источники (POLY), управляемые более чем одним напряжением. В примере, представленном на рис. 1.29, сделаем Е функцией сразу двух напряжений v1 и v2. Для этого в командной строке следует записать POLY(2) 2,0 4,0. Запятые приведены для ясности и могут быть опущены. В оставшейся части строки должны быть приведены коэффициенты. При двух управляющих напряжениях необходимо ввести шесть коэффициентов: k0, k1v1, k2v2, k3v1², k4v1v2 и k5v2². Эта последовательность более сложна и требует некоторого изучения. Коэффициенты k представляют собой множители для каждого возможного напряжения и для их комбинаций. Напряжения перечисляются в порядке возрастания степени, начиная с первого напряжения, обозначенного как v1. В нашем примере v1 является напряжением V20, a v2 представляет собой V40.
Приведем теперь командную строку, вводящую источник, управляемый двумя напряжениями:
Е 3 0 POLY(2) 2,0 4,0 0 2 3
Последние три значения (0 2 3) представляют собой значения коэффициентов k0, k1 и k2. Они устанавливают полином (0+2v1+3v2). Таким образом, напряжение зависимого источника Е представляет собой сумму удвоенного падения напряжения на R2 и утроенного падения напряжения на R4. Отметим снова, что запятые внесены для ясности и их можно опустить. Входной файл имеет вид:
Polynomial Form for Two Inputs
V 1 0 1V
E 3 0 POLY(2) 2,0 4,0 0 2 3
R1 1 2 1k
R2 2 0 1k
R3 3 4 2k
R4 4 0 2k
.DC V -4 4 1
.PRINT DC V(2) V(3) V(4)
.END
Запустим моделирование и убедимся, что Е задается выражением (2V20+3V40). Вы можете использовать такой зависимый источник в схемах, в которых появляются суммы, разности или произведения различных токов и напряжений. Использование зависимых источников типа Е, F, G и Н с обозначением POLY позволяет моделировать источники, получая выходные файлы, подобные приведенному на рис. 1.31.
**** 07/27/05 10:54:26 ******** Evaluation PSpice (Nov 1999) **********
Polynomial Form for Two Inputs
**** CIRCUIT DESCRIPTION
V 1 0 1V
E 3 0 POLY(2) 2,0 4,0 0 2 3
R1 1 2 1k
R2 2 0 1k
R3 3 4 2k
R4 4 0 2k
.DC V -4 4 1
.PRINT DC V(2) V(3) V(4)
.END
**** 07/27/05 10:54:26 ******* Evaluation PSpice (Nov 1999) ***********
Polynomial Form for Two Inputs
**** DC TRANSFER CURVES TEMPERATURE = 27.000 DEG С
V V(2) V(3) V(4)
-4.000E+00 -2.000E+00 8.000E+00 4.000E+00
-3.000E+00 -1.500E+00 6.000E+00 3.000E+00
-2.000E+00 -1.000E+00 4.000E+00 2.000E+00
-1.000E+00 -5.000E-01 2.000E+00 1.000E+00
0.000E+00 0.000E+00 0.000E+00 0.000E+00
1.000E+00 5.000E-01 -2.000E+00 -1.000E+00
2.000E+00 1.000E+00 -4.000E+00 -2.000E+00
3.000E+00 1.500E+00 -6.000E+00 -3.000E+00
4.000E+00 2.000E+00 -8.000E+00 -4.000E+00
Рис. 1.31. Вид выходного файла при анализе схемы на рис. 1.29 с двумя управляющими напряжениями