
Ток через источник Е определяется из первого закона Кирхгофа:
IЕ = 13,33 мА – 66,67 мкА – 6,41 мА = 6,85 мА.
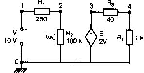
Как такие задачи решаются на PSpice? Входным файлом для схемы на рис. 1.21 будет:
Voltage-Controlled Voltage Sources
V 1 0 10V
Е 2 0 1 2 2
R1 1 2 250
R2 2 0 100k
R3 2 3 40
RL 3 0 1k
.OP
.OPT nopage
.TF V(3) V
.END
Новой командой во входном файле является команда описания зависимого источника напряжения Е. Узлы 2 и 0 являются его положительным и отрицательным полюсами, узлы 1 и 2 являются положительным и отрицательным полюсами напряжения, которое управляет выходным напряжением источника Е. Наконец, последнее число 2 является коэффициентом k. Выходной файл (рис. 1.22) дает значения V(2) = 6,6667 В и V(3) = 6,4103 В, как и было ранее рассчитано. Ток источника напряжения V также равен расчетному значению 13,333 мА. Ток источника питания E равен 6,856 мА и направлен от положительного полюса источника внутри него.
**** 07/27/05 12:27:16 *********** Evaluation PSpice (Nov 1999) ************
Voltage-Controlled Voltage Sources
**** CIRCUIT DESCRIPTION
V 1 0 10V
E 2 0 1 2 2
R1 1 2 250
R2 2 0 100k
R3 2 3 40
RL 3 0 1k
.OP
.OPT nopage
.TF V(3) V.END
**** SMALL SIGNAL BIAS SOLUTION TEMPERATURE = 27.000 DEG С
NODE VOLTAGE NODE VOLTAGE NODE VOLTAGE NODE VOLTAGE
( 1) 10.0000 ( 2) 6.6667 ( 3) 6.4103
VOLTAGE SOURCE CURRENTS
NAME CURRENT
V -1.333E-02
TOTAL POWER DISSIPATION 1.33E-01 WATTS
**** OPERATING POINT INFORMATION TEMPERATURE = 27.000 DEG С
**** VOLTAGE-CONTROLLED VOLTAGE SOURCES
NAME E
V-SOURCE 6.667E+00
I-SOURCE 6.856E-03
**** SMALL-SIGNAL CHARACTERISTICS
V(3)/V = 6.410E-01
INPUT RESISTANCE AT V = 7.500E+02
OUTPUT RESISTANCE AT V(3) = 3.846E+01
Рис. 1.22. Выходной файл для схемы на рис. 1.21
Выходной файл дает значение входного сопротивления в 750 Ом. Это просто отношение V к I12. Для определения выходного сопротивления каждый из источников питания необходимо закоротить. При закорачивании узлов 2 и 0 параллельное соединение R3 и RL дает сопротивление 8,46 Ом.
На рис 1.23 показана модификация схемы, для которой входной файл имеет вид:
Another Voltage-Controlled Voltage Sources
V 1 0 10V
E 2 0 1 2 2
R1 1 2 250
R2 2 0 100k
R3 3 4 40
RL 4 0 1k
.OP
.OPT nopage
.TF V(4) V
.END

Рис. 1.23. К исследованию схемы с источником напряжения, управляемым напряжением
В этой упрощенной схеме легче рассчитать усилитель напряжения. Ток в левом контуре равен:
![]()
Падение напряжения на R2 равно:
V2 = Va = I12R2=(99,75 мкА)(100 кОм) = 9,975 В;
и
Е = 2Va = (2) (9,75 В) = 19,95 В.
Из выходного файла находим V(2)=9,9751 В, V(3)=19,95 В и V(4)=19,183 В. Ток через источник питания V составляет 99,75 мкА, а ток через источник Е равен -19,18 мА. Знак минус показывает, что ток внутри источника течет от минуса к плюсу.
Источник напряжения, управляемый током
Данный источник напряжения управляется током в какой либо ветви схемы, как показано на рис. 1.24. Зависимый источник имеет значение 0,5I, где I - ток через резистор R1. Ток протекает от узла 1 к узлу 2. Положительный полюс зависимого источника напряжения подключен к узлу 3, что дает в правом контуре направление тока по часовой стрелке. Это необходимо отметить, поскольку направление токов играет важную роль в расчетах.

Рис. 1.24. Схема с источником напряжения, управляемым током
Схему несложно рассчитать. В левом контуре источник в 15 В создает ток I=V/(R1+R2)=15/(10+5)=1 А. Зависимый источник напряжения обозначен как 0,5I. Его ток будет 0,5·1=0,5 В. Таким образом, V30=0,5 В. Как вдруг появилась размерность напряжения? Дело в том, что коэффициент k не безразмерный, он имеет размерность Ом. В общем, для этого источника напряжения, управляемого током (ИНУТ), следует применить запись kI. Коэффициент к выражается в омах, поэтому произведение k и I даст вольты.
Ток в правом контуре находится как IL=0,5/(25+25)=10 мА, а напряжение V40=ILRL=0,25 В.
Используя PSpice, решим эту задачу в качестве подготовки к расчету другой, более сложной схемы. Входной файл содержит командную строку для описания ИНУТ (CDVS - Current-Dependent Voltage Source) и имеет следующий вид:
Circuit with Current-Dependent Voltage Sources
V 1 0 15V
H 3 0 V -0.5
R1 1 2 10
R2 2 0 5
R3 3 4 25
R4 4 0 25
.OP
.OPT nopage
.TF V(4) V
.END
Внимательно следите за тем, чтобы командная строка для ИНУТ начиналась с символа Н. На той же строке 3 и 0 означают номера положительного и отрицательного полюсов источника питания. Следующий символ V обозначает независимый источник, через который протекает управляющий ток I. И последней записью этой строки является –0,5. Здесь 0,5 - величина коэффициента k, а знак "минус" требует пояснения. В SPICE ток источника напряжения (например ток через V) положителен, если внутри источника он течет от плюса к минусу. Поскольку управляющий ток течет в обратном направлении, коэффициент k в источнике H отрицателен. Если знак "минус" будет опущен, напряжения V(3) и V(4) будут иметь в выходном файле неверные знаки.
Если вы уверены, что готовы продолжать, запустите анализ на PSpice и получите выходной файл. Отметим, что V(3)=0,5 В и V(4)=0,25 В. Ток источника V равен I=-1,0 А. Это означает, что ток течет от плюса источника V и на рис. 1.24 он положителен. Таким образом, положительно и V(3).
Вспомним также, что значение, показанное в выходном файле, равно просто VI, а не представляет собой действительную полную мощность. В разделе выходного файла, названном Current-Controlled Voltage Sources, имеется две строки ввода. Первая вводит источник V c напряжением 0,5 В. Это - значение напряжения независимого источника напряжения. Сложнее запись второй строки, которая дает значение тока -10 мА. Можете вы понять, что это означает? Это означает, что ток через ИНУТ равен 10 мА и протекает внутри источника от плюса к минусу, в соответствии с соглашением Spice относительно тока источника, которое мы уже знаем. Входное напряжение относительно V в выходном файле рано 15 Ом, выходное сопротивление относительно V(4) составляет 12,5 кОм.