
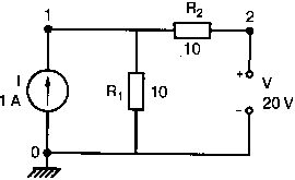
Рис. 1.19. Схема с простыми источниками тока и напряжения
Напряжение V10(a), которое получается при замыкании источника напряжения, составляет V10(a)=5 В, напряжение V10(b), получающееся от V при размыкании источника тока, равно V10(b)=10 В, и после сложения этих двух значений получим V10=15 В.
Обратимся теперь к анализу схемы на PSpice. Входной файл должен выглядеть следующим образом:
Simple Current and Voltage Sources
I 0 1 1A
V 20 20
R1 1 0 10
R2 1 2 10
.OP
.OPT nopage
.TF V(1) V
.END
Выходной файл дает V(1) = 15 В, что соответствует расчету методом наложения. Команда .TF дает нам возможность найти ток источника напряжения V, равный 0,5 А. Проверьте правильность этого результата. Вспомним, что PSpice дает корректное значение отдаваемой мощности только для источников напряжения, оно просто равно произведению напряжения на ток источника и составляет 10 Вт. Вычислим мощность, рассеиваемую в каждом резисторе: Р1=22,5 Вт, Р2=2,5 Вт, что в сумме дает 25 Вт. Команда .TF дает возможность вычислить входное и выходное сопротивления. Проверьте эти значения, учитывая, что при их расчете источник тока следует разомкнуть.
Итак, если в исследуемой цепи есть источники тока, следует осторожно подходить к расчету рассеиваемой мощности, поскольку выходной файл показывает лишь мощность, потребляемую от источников напряжения. Если в схеме несколько таких источников, то в выходном файле приводится суммарная мощность всех источников напряжения.
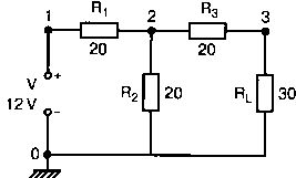
Максимальная передача мощности
Для схем, в которых нагрузочное сопротивление может изменяться при функционировании устройства, представляется существенным вопрос: при какой величине нагрузочного сопротивления передаваемая ему мощность будет максимальной? На рис. 1.20 таким нагрузочным сопротивлением является резистор RL. Когда сопротивление RL равно сопротивлению схемы относительно выходных узлов (узлов 3 и 0 в нашей схеме), передаваемая в нагрузку мощность будет максимальной.

Рис. 1.20. Схема для определения максимальной мощности, передаваемой в нагрузку
Выходное сопротивление цепи - это просто сопротивление Тевенина RTh которое для нашей схемы составляет 30 Ом. Поэтому при RL=30 Ом в нагрузке рассеивается максимальная мощность. Это означает, что при неизменных параметрах цепи любое изменение RL в сторону увеличения или уменьшения приведет к снижению выделяемой в нем мощности. И анализ на SPICE может нам это продемонстрировать. Входной файл для такого анализа имеет вид:
Maximum Power Transfer to R Load
V 1 0 12V
R1 1 2 20
R2 2 0 20
R3 2 3 20
RL 3 0 30
.OP
.OPT nopage
.END
Выходной файл показывает V(3) = 3 В, откуда PL=V(3)²/RL=0,3 Вт. Теперь можно почувствовать реальные преимущества SPICE, в которой не составляет труда сделать RL больше или меньше. Изменив в исходном файле только величину RL и снова проведя анализ, мы быстро увидим новый результат.
Например, при RL=29 Ом, V(3)=2,9492 В и PL=0,2999 Вт. Попытка проверить результат при нескольких различных значениях RL покажет вам, что мощность всегда меньше 0,3 Вт. Запомните, что максимальная мощность в нагрузочном сопротивлении выделяется тогда, когда оно равно выходному сопротивлению схемы. Это может быть показано при применении теоремы Тевенина для сколь угодно сложных схем.
Из этого примера видно, что компьютерный анализ позволяет яснее представить себе общие принципы, определяющие поведение схем без нудного повторения сложных вычислений.
Зависимые источники в электрических цепях
Зависимые (управляемые) источники могут представлять собой источники тока или напряжения, выходное значение которых зависит от токов или напряжений, возникающих еще где-либо в схеме.
Источник напряжения, управляемый напряжением
Схема на рис. 1.21 содержит независимый источник напряжения V и зависимый источник напряжения Е c меткой 2Va. От чего же зависит этот зависимый источник? Его выходное напряжение является функцией напряжения на резисторе R1, которое обозначается как Va. Множитель 2 означает, что напряжение Е равно удвоенному значению Va. В общем виде множитель обозначается как k.

Рис. 1.21. Источник напряжения, управляемый напряжением
Токи и напряжения в схеме могут быть получены с помощью обычных уравнений. Для левого контура второй закон Кирхгофа дает
V = R1I12 + E = RII12 + 2Va,
где I12 - ток через резистор R1. Поскольку Va=R1I12, выражение можно преобразовать к виду:
V = R1I12 + 2R1I12 = 3R1I12;
10 В = 3·(250 Ом)·I12;
I12 = 13,33 мА;
V12 = Va = R1I12 = (250 Ом)·(13,33 мА) = 3,333 В;
Е = 2Va = 6,667 В.
Поскольку это напряжение приложено к R2, можно найти ток через R2, а также ток через ветвь, содержащую R3 и RL: