
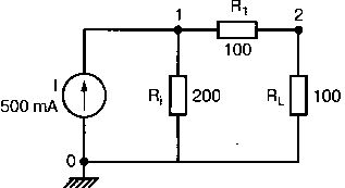
Рис. 1.16. Простая цепь с источником тока
Поскольку сопротивление каждой из двух параллельных резистивных ветвей составляет 200 Ом, ток источника в 500 мА делится поровну между ветвями: I1=I2=250 мА. Напряжение на Riравно V10=RiI1=200·0,250=50 В. Напряжение на выходе V20=RLI2=100·0,250=25 В.
Создадим входной файл и получим решение на PSpice:
Simple Circuit with Current Source
I 0 1 500mA
RI 1 0 200
R1 1 2 100
RL 2 0 100
.OP
.OPT nopage
.TF V(2) I
.END
Отметим, что в качестве обозначения для единицы силы тока с префиксом применяется mA (миллиампер). Иногда вместо этого применяется обозначение М или МА. Будьте осторожны! Символ для мега - это MEG. Ток источника направлен от узла 0 к узлу 1 по стрелке внутри источника. Переходная функция показана для случая, когда выходной величиной является V(2), а входной - ток I. Команда при этом имеет такой же формат, как и в случае определения входного или выходного сопротивления.
Запустите анализ и получите результаты: V(1) = 50 В, V(2) = 25 В. Отметим, что V(2)/I = 50. Эта переходная функция представляет собой отношение выходного напряжения к входному току и имеет размерность сопротивления (Ом). Для данного анализа она не представляет интереса. Входное сопротивление в
100 Ом проверяется просто. Выходное сопротивление составляет 75 Ом и представляет собой сопротивление, которое "видит" нагрузка при неактивном источнике тока. Это означает, что источник тока разомкнут или удален из схемы. Проверьте значение 75 Ом для выходного сопротивления. Выходной файл показан на рис. 1.17
**** 07/27/05 12:15:15 *********** Evaluation PSpice (Nov 1999) **************
Simple Circuit with Current Source
**** CIRCUIT DESCRIPTION
I 0 1 500mA
RI 1 0 200
R1 1 2 100
RL 2 0 100
.OP
.OPT nopage
.TF V (2) I
.END
**** SMALL SIGNAL BIAS SOLUTION TEMPERATURE = 27.000 DEG С
NODE VOLTAGE NODE VOLTAGE NODE VOLTAGE NODE VOLTAGE
( 1) 50.0000 ( 2) 25.0000
VOLTAGE SOURCE CURRENTS
NAME CURRENT
TOTAL POWER DISSIPATION 0.00E+00 WATTS
**** OPERATING POINT INFORMATION TEMPERATURE = 27.000 DEG С
**** SMALL-SIGNAL CHARACTERISTICS
V(2)/I = 5.000E+01
INPUT RESISTANCE AT I = 1.000E+02
OUTPUT RESISTANCE AT V(2) = 7.500E+01
Рис. 1.17. Выходной файл при моделировании схемы на рис. 1.16
Рассеиваемая мощность равна 0, что, конечно, неверно. Дело в том, что команда .OР дает рассеиваемую мощность только для источников напряжения. А как же определить общую рассеиваемую мощность в нашем случае? Можно вычислить сумму I²R для всех трех резисторов и проверить, что это и есть суммарная потребляемая мощность, составляющая 25 Вт. Еще проще вычислить произведение тока источника I и напряжения V(1) на его выходе. Проверьте, что и в этом случае расчет дает 25 Вт.
Теорема Нортона
Теорема Нортона используется, чтобы представлять неидеальные источники в виде идеальных источников тока с шунтирующим резистором, так же как теорема Тевенина представляет их в виде последовательного соединения резистора и идеального источника напряжения. Соотношение между параметрами этих двух моделей задается уравнением:
![]()
причем внутренние сопротивления у обеих моделей одинаковы. Ток IN определяется при закороченной нагрузке.
Для одних цепей принято находить ток короткого замыкания IN, для других- напряжение холостого хода VTh. Когда найдена одна из этих величин, другую можно получить из приведенного выше соотношения.
Применение теоремы Нортона
В схеме на рис. 1.18 ток короткого замыкания можно определить при закорачивании резистора R4. При этом узел 3 исчезает, поскольку потенциал его сравнивается с потенциалом узла 0. Входной файл для этого случая имеет вид:
Norton's Theorem; Find Isc
V 1 0 48V
R1 1 2 20k
R2 2 0 20k
R3 2 0 5k
.DC V 48V 48V 48V
.OP
.OPT nopage
.PRINT DC I(R3) V(1,2)
.END

Рис. 1.18. Т-образная схема для анализа по теореме Нортона
Запустите анализ и проверьте, что ток короткого замыкания равен току через R3 и что I(R3)=1,6 мА.
Определение тока короткого замыкания
Вернемся снова к схеме на рис. 1.9, в которой резистор RLдолжен быть закорочен, чтобы получить ток короткого замыкания. Проблема, которая при этом возникает, состоит в том, что мы не можем указать элемент схемы, в котором следует определить ток. В подобных ситуациях можно просто заменить RLрезистором с сопротивлением, пренебрежимо малым по сравнению с любым другим сопротивлением схемы. При этом вид входного файла будет:
Norton's Theorem with RL Replaced by Small R
V 1 0 80V
R1 2 1 20
R2 2 3 100
R3 3 0 200
R4 3 4 100
R5 2 4 400
RL 4 0 0.001
.DC V 80V 80V 80V
.OP
.OPT nopage
.PRINT DC I(RL)
.END
Анализ на PSpice дает I(RL)=0,444 А, что и является искомым током короткого замыкания IN. Включим в последний входной файл команду .TF, чтобы попытаться найти выходное сопротивление относительно V(4). Это сопротивление не должно отличаться от сопротивления RL=0,001 Ом, которое мы включили в файл для определения тока короткого замыкания.
Мы должны признать, что определение VTh и RTh с использованием PSpice намного проще, поскольку в выходном файле можно получить оба значения. В примере на рис. 1.9 IN=VTh/RTh=0,444 А.
Цепи с источниками тока и напряжения
Цепи, включающие источники тока и напряжения, могут быть рассчитаны при применении метода наложения. Если цепи не слишком сложны, этот метод дает простое и вполне приемлемое решение. На рис. 1.19 приведена цепь, содержащая источник тока I и источник напряжения V. Применим метод наложения для определения напряжения V10. Проведите расчет самостоятельно, а затем проверьте результат по приведенному ниже решению.