
Рис. 1.11. Схема для замещения по теореме Тевенина
Это можно еще раз проверить с помощью следующего входного файла:
Bridge-Circuit for Thevenin
V 4 3 40V
R1 1 2 100
R2 2 0 150
R3 1 4 200
R4 4 0 200
R5 2 3 50
.OP
.OPT nopage
.TF V(1) V
.END
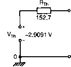
Запустите анализ и нарисуйте по его результатам неидеальный источник напряжения Тевенина. Убедитесь, что вы обозначили все необходимые узлы. Результат должен соответствовать рис. 1.12. Выходные узлы обозначены как 1 и 0. Отметим, что напряжение холостого хода на узле 1 отрицательно относительно узла 0. PSpice дает для него значение V(1)=-2,9091 В. Команда .TF позволяет вычислить выходное сопротивление относительно V(1), равное 152,7 Ом, что соответствует значению сопротивления на рис. 1.13. Теперь мы можем изменять значение RL в широких пределах и проводить расчеты для каждого значения вручную.
**** 06/14/99 10:05:31 *********** Evaluation PSpice (Nov 1998) **********
Bridge Circuit for Thevenin
**** CIRCUIT DESCRIPTION
V 4 3 40V
R1 1 2 100
R2 2 0 150
R3 1 4 200
R4 4 0 200
R5 2 3 50 .OP
.ОРТ nopage
.TF V(1) V
.END
NODE VOLTAGE NODE VOLTAGE NODE VOLTAGE NODE VOLTAGE
( 1) -2.9091 ( 2) -13.0910 ( 3) -22.5450 ( 4) 17.4550
VOLTAGE SOURCE CURRENTS
NAME CURRENT
V -1.891E-01
TOTAL POWER DISSIPATION 7.56E+00 WATTS
**** OPERATING POINT INFORMATION TEMPERATURE = 27.000 DEG С
**** SMALL-SIGNAL CHARACTERISTICS
V(1)/V = -7.273E-2
INPUT RESISTANCE AT V = 2.115E+02
OUTPUT RESISTANCE AT V(1) = 1.527E+02
Рис. 1.12. Выходной файл при моделировании схемы на рис. 1.11

Рис. 1.13. Схема со значениями VTh и RTh для эквивалентного генератора Тевенина
Применение теоремы Тевенина позволило нам заменить сложную схему простым неидеальным генератором напряжения. И поскольку в этой схеме нет сопротивления нагрузки RL, не имеет значения, подключим ли мы его к реальной схеме или к эквивалентному генератору. Однако эти две схемы не вполне эквивалентны.
Вернемся, например, к схеме (рис. 1.8), с которой мы начали рассмотрение, при удаленном сопротивлении нагрузки VTh=50 В и RTh=216,7 Ом.
При RL=200 Ом ток составляет 0,12 А. Поскольку этот ток проходит через последовательную цепочку сопротивлений, мощность, потребляемая от источника VTh, составляет 6 Вт. Поскольку мощность нагрузки равна 2,88 Вт, оставшиеся 3,12 Вт выделяются на внутреннем сопротивлении RTh. Но в исходной схеме, напряжение источника равно 75 В и ток его составляет 0,33 А. Следовательно, от него потребляется мощность 24,8 Вт. Поскольку мощность, выделяемая в нагрузочном резисторе сопротивлением 200 Ом равна 2,88 Вт, оставшаяся часть мощности рассеивается на трех резисторах Т-образной схемы.
Этот пример показывает, что с энергетической точки зрения исходная схема и генератор Тевенина не эквивалентны.
Реальные источники тока или реальные источники напряжения
До сих пор мы работали с источниками питания только одного типа, с источниками напряжения. Однако во многих случаях удобно представлять реальные источники электрической энергии как неидеальные источники тока.
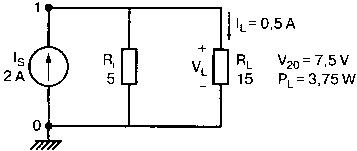
На рис. 1.14 представлен неидеальный источник напряжения. Его напряжение холостого хода, которое часто называют напряжением идеального источника напряжения, составляет 10 В. В реальных источниках напряжения при увеличении тока нагрузки выходное напряжение падает. Чтобы учесть этот эффект, в схеме замещения последовательно с идеальным источником включается внутреннее сопротивление Ri (в данном случае Ri=5 Ом).

Рис. 1.14. Неидеальный источник напряжения
Схема, кроме того, содержит нагрузочный резистор RL=15 Ом. Рассчитав значения напряжения V20=7,5 В и тока IL=0,5 А, попытаемся найти неидеальный источник тока, которым можно было бы заменить неидеальный источник напряжения так, чтобы ток и напряжение на нагрузке не изменились.
Нетрудно проверить, что, заменив неидеальный источник напряжения идеальным источником тока в 2 А и включенным параллельно ему резистором Ri=5 Ом, мы реализуем такой источник. При этом значения двух эквивалентных генераторов связаны соотношением IS= VS/Ri.
На рис. 1.15 приведена схема неидеального источника тока. В ней напряжение и ток нагрузочного резистора такие же, как в схеме на рис. 1.14: V20=7,5 В и IL=0,5 А. Мощность, выделяемая в нагрузке, равна V20IL=3,75 Вт. Но эквивалентны ли обе схемы по энергетическим соотношениям? В схеме на рис. 1.14 мощность, потребляемая от VS, составляла 5 Вт, а в схеме на рис. 1.15, мощность, потребляемая от источника тока, равна 15 Вт. Чтобы объяснить это различие подсчитайте мощность, выделяемую в Ri для обоих случаев.

Рис. 1.15. Неидеальный источник тока, обеспечивающий те же условия в нагрузке, что схема на рис. 1.14
Анализ для цепей с источниками тока с помощью Spice
Решения для цепей, содержащих источники тока, могут быть получены методом узловых потенциалов проще, чем методом контурных токов. Моделирование с помощью Spice основано на методе узловых потенциалов. Вспомните, что каждый узел в Spice должен быть обозначен, а каждый элемент цепи должен быть включен между определенными узлами. Для источников напряжения положительный узел должен быть указан в строке описания первым. Для источников тока первым должен быть указан узел, от которого направлена стрелка внутри обозначения источника. Простейший пример приведен на рис. 1.16. Рассчитаем токи и напряжения в схеме.