Теорема Тевенина и ее применения
Что представляет собой теорема Тевенина, и почему она так важна и так широко применяется? Если вы рассчитываете нетривиальные цепи и при этом хотите получить результат при различных нагрузочных сопротивлениях, то идеальным методом расчета и является применение теоремы Тевенина.
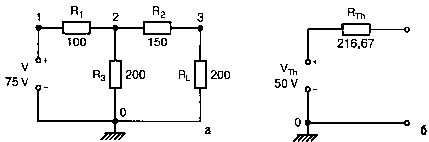
Схема на рис. 1.8(a) содержит источник напряжения и несколько резисторов, включая нагрузочный резистор RL. Найдем напряжение на резисторе RL и ток через него. Для этого можно найти эквивалентное сопротивление цепи, затем ток источника, падение напряжения на R1 и так далее вплоть до падения напряжения на RL. Однако если изменить сопротивление RL, всю последовательность вычислений придется повторить. С помощью теоремы Тевенина эта проблема решается проще.

Рис. 1.8. К применению теоремы Тевенина: а - схема; б - источник эквивалентного напряжения и эквивалентное внутреннее сопротивление
Для начала удалим из схемы нагрузочное сопротивление. Этот метод не зависит от нагрузочного сопротивления, и это очень важно. Теперь найдем напряжение V30, проще говоря, напряжение между узлами, к которым было подключено исключенное из схемы сопротивление нагрузки. Можно обозначить его как VTh (Th - первые буквы имени Тевенина). Затем вычислим сопротивление схемы относительно этих же узлов, закоротив источник питания. Его можно обозначить как RTh.
Заменим теперь схему неидеальным источником напряжения, содержащим идеальный источник VTh с внутренним сопротивлением RTh и вернем в полученную схему нагрузочное сопротивление RL. Падение напряжения на этом резисторе и ток через него будут такими же, как в исходной схеме.
Найдем VTh и RTh для схемы рис. 1.8. Удалим RL, затем используем выражение для делителя напряжения, чтобы вычислить V20=50 В. Для определения RTh закоротим источник V. Вычисляя теперь сопротивление относительно узлов 3 и 0, получим RTh=216,67 Ом. Неидеальный источник напряжения состоит из включенных последовательно VTh и RTh, рис. 1.8(б). Для новой схемы гораздо проще получить значения тока и напряжения на нагрузке при любом значении RL. Например, при RL=200 Ом найдем, применяя выражение для делителя напряжения, V30=24 В, а при RL=300 Ом получим V30=29 В.
Spice и теорема Тевенина
Продолжим исследование схемы на рис. 1.8, применяя теперь для проверки полученного нами решения PSpice. Вместо того чтобы удалять сопротивление RL, изменим реальное значение сопротивления RL на очень большое, например в 1 ТОм (1Е12). Входной файл будет иметь вид:
Thevenin Circuit for Spice
V 1 0 75V
R1 1 2 100
R2 2 3 150
R3 2 0 200
RL 3 0 1E12
.OP
.OPT nopage
.TF V(3) V
.END
После запуска PSpice, заметим, что V(2) = 50,0000 В и V(3) = 50,0000 В. Можете вы это объяснить, прежде чем продолжите разбор? Каково же значение VTh?
Команда .TF дает значение выходного сопротивления относительно V(3), равное 216,7 Ом. Это и есть значение RTh. Отметим, что значение RL на несколько порядков превосходит любое другое сопротивление в схеме и практически не нагружает ее (опыт холостого хода). Попробуйте повторить анализ при существенно меньшем значении RL.
Практические применения теоремы Тевенина
Предыдущий пример был относительно легким для расчета и без применения PSpice. Если мы сталкиваемся с более сложной задачей, например, с показанной на рис. 1.9, PSpice может сэкономить нам массу времени. Создайте самостоятельно входной файл для этой схемы и затем проверьте полученные вами результаты, исследуя приведенный ниже файл:
Thevenin Analysis of Bridged-Tee Circuit
V 1 0 75V
R1 2 1 20
R2 2 3 100
R3 3 0 200
R4 3 4 100
R5 2 4 400
R6 4 0 1E8
.OP
.OPT nopage
.TF V(4) V
.END

Рис. 1.9. Мостовая Т-образная схема
Выходной файл показан на рис. 1.10. Напряжение V(4)=57,143 В и представляет собой VTh. Выходное сопротивление относительно V(4) равно RTh=128,6 Ом. Отметим, что как напряжение холостого хода, так и сопротивление цепи относительно выходных полюсов находятся при удаленном нагрузочном сопротивлении или при значении этого сопротивления столь высоком, что остальные сопротивления схемы становятся пренебрежимо малыми.
**** 07/27/05 09:41:47 *********** Evaluation PSpice (Nov 1999) **************
Thevenin Analysis of Bridged-Tee Circuit
**** CIRCUIT DESCRIPTION
V 1 0 75V
R1 2 1 20
R2 2 3 100
R3 3 0 200
R4 3 4 100
R5 2 4 400
R6 4 0 1E8
.OP
.OPT nopage
.TF V(4) V
.END
**** SMALL SIGNAL BIAS SOLUTION TEMPERATURE = 27.000 DEG С
NODE VOLTAGE NODE VOLTAGE NODE VOLTAGE NODE VOLTAGE
( 1) 75.0000 ( 2) 70.0550 ( 3) 49.4510 ( 4) 53.5710
VOLTAGE SOURCE CURRENTS
NAME CURRENT
V -2.473E-01
TOTAL POWER DISSIPATION 1.85E+01 WATTS
**** OPERATING POINT INFORMATION TEMPERATURE = 27.000 DEG С
**** SMALL-SIGNAL CHARACTERISTICS
V(4)/V = 7.143E-01
INPUT RESISTANCE AT V = 3.033E+02
OUTPUT RESISTANCE AT V(4) = 1.286E+02
JOB CONCLUDED
TOTAL JOB TIME .05
Рис. 1.10. Выходной файл при моделировании схемы на рис. 1.9
По результатам анализа нарисуем эквивалентную схему для неидеального источника Тевенина, содержащую последовательно соединенные VTh и RTh. Ручной расчет вы можете провести самостоятельно.
Как вы думаете, просто исключив резистор R6, решите ли вы тем самым задачу? Попытайтесь это сделать и посмотреть, изменится ли результат. Причина, по которой можно удалить R6, состоит в том, что и в этом случае остается путь возврата от узла 4 на землю.
Замена цепей при применении теоремы Тевенина
Схема на рис. 1.11 показывает другие возможности применения теоремы Тевенина. В этой схеме величине RL присваивается ряд различных значений и предлагается вычислить ток и напряжение нагрузки для каждого из них. Мы убедились, что нагрузочное сопротивление может быть удалено из схемы вместо замены его резистором с очень большим сопротивлением.