Коломиец Максим Викторович - Тяжёлый танк «Пантера». Первая полная энциклопедия стр 24.

Шрифт
Фон

Но вскоре профессор Фейфель (Feifel) из Высшей технической школы Вены произвёл необходимые расчёты и предложил конструкцию циклонного фильтра, который оказался значительно эффективнее использовавшегося до этого масляно-инерционного. Компания Filterwerk Mann & Hummel GmbH в Людвигсбурге взяла на себя массовое производство таких фильтров (получивших название Feifel по имени их проектировщика), которые стали устанавливаться на танки «Пантера» и «Тигр».

На максимальных оборотах двигателя этот фильтр, по заявлению немцев, обеспечивал 99-процентную очистку. Фильтры Feifel использовались исключительно как фильтры предварительной очистки. Осаждаемая циклонами пыль автоматически удалялась из осадительной зоны вентиляторами системы охлаждения, что требовало минимальных работ по обслуживанию самого фильтра.

Но фильтры Feifel устанавливались не на всех «пантерах» Ausf.D первых выпусков. Так, в руководстве по использованию трофейного танка «Пантера», изданного после изучения машин, захваченных в ходе летней кампании 1943 года, сказано следующее: «Для очистки воздуха, поступающего в двигатель, установлены комбинированные воздухоочистители, имеющие сетчатые фильтры и масляные ванны.

На некоторых танках, кроме воздухоочистителей, последовательно включаются установленные вне танка воздушные циклоны».


Схема питания двигателя танка «Пантера»:

1 топливные баки; 2 заливная горловина; 3 трубки сообщения с атмосферой; 4 электрический подкачивающий насос; 5 диафрагменные топливные насосы; 6 краники для слива топлива; 7 карбюраторы; 8 перекрывной кран; 9 трубка к бакам (из «Краткого руководства по использованию трофейного танка Пантера» военного издательства наркомата обороны СССР, 1944 год).


Для запуска двигателя в холодное время года имелся специальный термосифонный подогреватель, установленный слева от двигателя. Для нагрева воды в подогревателе использовалась паяльная лампа, которая устанавливалась в специальный лючок в кормовом листе корпуса.

Топливная система «Пантеры» состояла из пяти топливных баков обшей ёмкостью 730 л, четырёх топливных диафрагменных насосов, подкачивающего насоса, четырёх карбюраторов, двух воздухоочистителей и всасывающего коллектора.


Схема размещения боекомплекта в танке «Пантера»:

1 в нишах корпуса; 2 в полу боевого отделения; 3 вертикальные укладки в боевом отделении; 4 в отделении управления (из «Краткого руководства по использованию трофейного танка Пантера» военного издательства наркомата обороны СССР, 1944 год).


Бензобаки размещались вдоль бортов танка и у кормового листа корпуса и отделялись от двигателя специальными перегородками. Топливные насосы, помимо механического, имели ещё и дополнительный ручной привод для подкачки топлива, а также специальные стеклянные «отстойники», в которых собиралась вода и механические примеси, попадающие в топливо.

КОНЕЦ ОЗНАКОМИТЕЛЬНОГО ОТРЫВКА

Следует сказать, что у «пантер» Ausf.D моторное отделение не имело нормальной вентиляции оно заполнялось собственным воздухом для сгорания в цилиндрах в дополнение к уже нагретому охлаждающему воздуху, прошедшему через охлаждающие рукава выхлопных патрубков. Это часто приводило к многочисленным возгораниям двигателей, что потребовало принятия мер на более поздних модификациях танка.

Трансмиссия «Пантеры» включала в себя карданную передачу, главный фрикцион, коробку перемены передач, механизм поворота, бортовые передачи и дисковые тормоза.


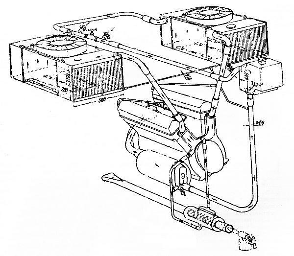
Схема охлаждения двигателя танка «Пантера». Внизу пунктиром показана паяльная лампа для прогрева системы в холодное время года (из «Краткого руководства по использованию трофейного танка Пантера» военного издательства наркомата обороны СССР, 1944 год).


Карданная передача состояла из двух соединённых между собой карданных валов. Первый с одной стороны жёстко соединялся с маховиком двигателя, а с другой с раздаточной коробкой. Второй вал соединялся с раздаточной коробкой и валом главного фрикциона. От раздаточной коробки осуществлялся привод на механизм поворота башни и два гидравлических насоса для обеспечения смазки бортовых передач танка.

Главный фрикцион многодисковый, сухой устанавливался в общем блоке с коробкой передач и механизмом поворота и защищался закрытым картером.

«Пантера» оснащалась трёхвальной семискоростной коробкой перемены передач AK 7-200 с шестернями, находящимися в постоянном зацеплении. Передачи включались при помощи кулачковых муфт с синхронизаторами системой рычагов, приводимых в движение рычагом переключения передач.

Все валы и шестерни коробки передач находились в закрытом картере. Их смазка осуществлялась маслом, подаваемым к трущимся частям специальным насосом, а также разбрызгиванием.

От коробки передач крутящий момент передавался к бортовым передачам через планетарный механизм поворота танка, который управлялся при помощи двух рычагов. Последние действовали одновременно на механический привод и гидравлический сервомеханизм.

Механизм поворота танка «Пантера» конструкции фирмы MAN состоял из распределительной передачи, состоящей из валов, передающих крутящий момент от двигателя, системы зубчатых цилиндрических и конических шестерён, планетарных механизмов, а также фрикционов и тормозов.

Ваша оценка очень важна

0
Шрифт
Фон

Помогите Вашим друзьям узнать о библиотеке