Михаил Иванович Азанов - Стирлинг Азанова стр 3.

Книгу можно купить на ЛитРес.
Всего за 59.9 руб. Купить полную версию
Шрифт
Фон

Такое расчётное сравнение является целью настоящей работы, а критерием перспективности предлагаемого поршня-вытеснителя будет получение равенства производимой работы для обеих сравниваемых схем при условии равенства масс рабочего газа и диаметров рабочих поршней.

Почему только равенство, а не превосходство? Причина в том, что пока нет достаточно простой и надёжной методики расчёта главного бесспорного преимущества предлагаемого поршня-вытеснителя интенсификации теплообменных процессов.

Для сравнения необходимо использовать реальный, действующий двигатель Стирлинга с хорошо известными параметрами и, если расчёт покажет, что предлагаемый поршень-вытеснитель при той же массе рабочего газа и прочих равных условиях не ухудшит показателей «эталонного», взятого за образец двигателя-прототипа, то этого будет достаточно. Это будет означать, что неучтённые в нижеприведённых расчётах преимущества предлагаемого поршня-вытеснителя и соответствующей ему головки цилиндра, а именно повышенная конвекция и площадь теплового излучения, делают их более перспективными в сравнении с классическими. Подчеркну ещё раз: рабочий газ распределяется между теплоподводящими и теплоотводящими внутренними стенками головки цилиндра и предлагаемым поршнем-вытеснителем с его большей площадью и меньшим ходом на большей площади более тонким «слоем», что способствует более интенсивному нагреву и охлаждению газового рабочего тела.

Выбор прототипа

Расчёт двигателя Стирлинга «с нуля» невозможен без сложного итерационного процесса с коррекцией теоретического расчёта по результатам практических лабораторных экспериментов, измерений реальных узлов.

Такой возможности у меня нет и поэтому я вынужден был заняться поиском в интернете реального, уже созданного, апробированного и хорошо изученного двигателя Стирлинга, чтобы применить к нему наиболее работающие алгоритмы расчёта и убедиться, что предлагаемый поршень-вытеснитель, по крайней мере, не хуже классического.

Конечно, для большей убедительности хотелось бы взять за образец бета-стирлинг, но, к сожалению, поскольку все дорожатся своими тайнами, мне не удалось найти достойного «кандидата» среди бета-стирлингов, но я таки нашёл прекрасный, «заезженный» дотошными студентами-экспериментаторами немецкий альфа-стирлинг ST05G-CNC, для которого удалось найти достаточно подробные описания и даже чертежи (см., например, видео: https://www.youtube.com/watch?v=N809s2raaqk ). Поскольку отличие расчёта альфа- и бета- стирлингов непринципиально, то, буду считать, мне крупно повезло.

Паспортные данные двигателя ST05G-CNC:

Мощность: 500 Вт при 500 об/мин, макс. частота вращения двигателя: 750 об/мин;

максимальная температура нагревательной головки: 550° C;

рабочее давление газа: 10 бар (1 000 000 Па), ограничено герметичным предохранительным клапаном 11 бар (1 100 000 Па);

рабочий газ: азот, условно сухой, очищенный от масла сжатый воздух, другие газы могут вызвать повреждения в результате коррозии или превышения скорости вращения;

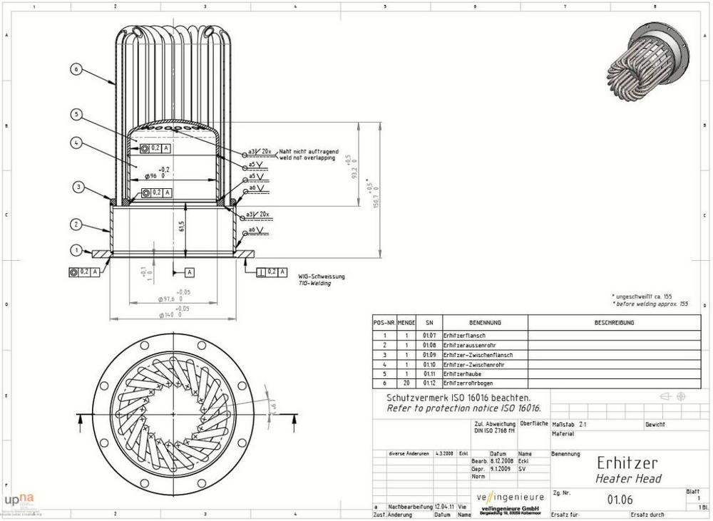
ход штока: 75 мм, диаметр поршня-вытеснителя 96 мм, рабочего поршня 85 мм;

основные размеры: прибл. 410 * 375 * 780 мм, общий вес: 33,5 кг.

Мёртвый объём Vd это весь объём двигателя, который не участвует в расширении или сжатии, т.е. сумма объёмов охладителя Vk, регенератора Vr и нагревателя Vh:



Примечание: давление в двигателе ST05G-CNC невысокое и нет угрозы смятия оболочки поршня-вытеснителя, который поэтому не сообщается с общим объёмом двигателя, а его внутренний объём не учитывается как часть мёртвого объёма и не входит в формулу.

Общий вид двигателя и его разрез:



Рис. 3

Нагревательная головка с 20-ю нагревательными трубками 8-ми мм диаметра:




Рис. 4

Далее мне повезло ещё больше: я нашёл в архиве NASA

Ваша оценка очень важна

0

Дальше читают

Шрифт
Фон

Помогите Вашим друзьям узнать о библиотеке

Скачать книгу

Если нет возможности читать онлайн, скачайте книгу файлом для электронной книжки и читайте офлайн.

fb2.zip txt txt.zip rtf.zip a4.pdf a6.pdf mobi.prc epub ios.epub fb3