Николай Петрович Ларюшин - Сельскохозяйственные машины стр 6.

Книгу можно купить на ЛитРес.
Всего за 480 руб. Купить полную версию
Шрифт
Фон

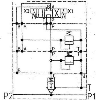
В корпусе 12 распределителя имеются запорные клапаны 2, электромагниты 1, каналы и золотник 10. Золотник имеет кольцевые проточки, пояски, радиальные и осевые сверления, в которых размещены седла 8 клапанов, центральная втулка 11 и кольца. В нейтральное положение золотник устанавливается пружинами 9.

При выключенных электромагнитах полости Р (подвод), А и Г соединены с полостью нагнетания (в нейтральном положении золотника 10 давление разгрузки); полости Б и В соединены со сливом.

При включении клавиши на пульте управления замыкается цепь правого электромагнита 1 якорь 3 втягивается вовнутрь, разгрузка гидрораспределителя прекращается и в полостях Р, А и Г создается рабочее давление. Потоком рабочей жидкости игла 7 перемещается до упора в торец якоря, полость А соединяется со сливом. Изза разности давлений в полостях А и Г золотник перемещается в крайнее правое положение. Полость Р соединяется с полостью Б, а полость В остается соединенной со сливом. Под давлением рабочей жидкости открывается клапан 3 и масло поступает в нагнетательную полость цилиндра. Одновременно поршень 4, перемещаясь влево под действием давления, механически открывает клапан 3 противоположного запорного клапана и рабочая жидкость со сливной полости цилиндра поступает на слив.

При выключении электромагнита золотник под действием пружины 9 возвращается в нейтральное положение.

Аналогично происходит работа секции при включении левого электромагнита.


Рисунок 1.10 Секция гидрораспределителя с электрогидравлическим управлением:

1 электромагнит; 2 запорный клапан; 3 клапан; 4 поршень; 5 пружина; 6 якорь электромагнита; 7 игла; 8 седло; 9 пружина; 10 золотник; 11 втулка; 12 корпус; А, Б, В, Г, Р полости


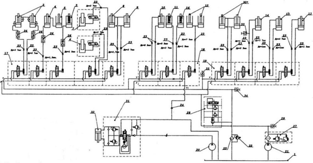
Рисунок 1.11 Схема гидравлическая принципиальная:

1 гидравлический бак; 2 гидроциливдры выноса мотовила; 3 гидроцилиндр вариатора мотовила; 4 гидроцилиндр подъема мотовила; 5 гидроцилиндр подъема мотовила; 6 гидроцилиндр вариатора барабана; 7 гидроцилиндр вариатора барабана; 8 гидроцилиндр откидного шнека; 9 гидроцилиндр откидного шнека; 10 гидроцилиндр обратной прокрутки барабана; 11 гидроцилиндр отключения жатки; 12 гидроцилиндры подъема жатки; 13 гидроцилиндр открытия заслонок бункера; 14 гидроцилиндр включения молотильного аппарата; 15 гидронилиндр включения выгрузного шнека; 16 гидроцилиндр привода механизма очистки сеток воздухозаборника; 17, 18, 19 рапределитель; 20 насос НШ-10; 21 насос; 22 клапан; 23 дроссель; 24 клапан обратный; 25 элемент фильтрующий; 26 муфта быстроразъемная;27 фильтр напорный; 28 блок разгрузочнопредохранительный; 29 муфта быстроразъемная; 30 гидроцилиндры открытия копнителя; 31 агрегат рулевой;32 гидроцилиндр поворота колес; 33,34 муфта быстроразъемная


Блок разгрузочно-предохранительный

Блок разгрузочно-предохранительный предназначен для разгрузки насоса и ограничения максимального давления в гидросистеме до величины, соответствующей значению настройки клапанов, в соответствии со своей гидравлической схемой.

Принципиальная схема блока приведена на рисунке 1.12.


Рисунок 1.12 Схема принципиальная предохранительно-разгрузочного блока


Блок состоит из корпуса 1 (рисунок 1.13), в котором установлен основной клапан Ду15 мм, состоящий из гильзы 26, клапана 25, пружины. В клапане 25 установлен дроссель 27. Внутри корпуса 1 выполнены каналы для подвода и отвода рабочей жидкости. На корпусе 1 установлены управляющие предохранительные клапаны 18, 20 и гидрораспределитель 15, которые крепятся к корпусу 1 при помощи шпилек.

Рабочая жидкость от насоса подводится к каналу Р (основной поток), при этом часть рабочей жидкости (управляющий поток) через дроссель 27 поступает в заклапанную полость основного клапана и через каналы в корпусах управляющих клапанов 18 и 20 (в том числе и через напорную полость управляющего клапана 20) поступает в полость Р гидрораспределителя 15.

При отсутствии напряжения на электромагнитах 16, золотник 13 под действием пружин 10 находится в среднем положении и пропускает управляющий поток в слив. При этом давление за клапаном 25 равно давлению в канале Т. Клапан 25 за счет разности давлений на нем открывается и пропускает основной поток из канала Р в канал Т с небольшими потерями.

При подаче напряжения на электромагнит XI золотник 13 перемещается влево и пропускает управляющий поток в напорную полость управляющего клапана 20. Клапан 6 под действием пружины 23 закрыт. При этом в заклапанной полости основного клапана создается запертый объем и клапан 25 под действием пружины закрывается. При возрастании давления в полости Р блока выше давления настройки управляющего клапана 18, клапан 6 сжимает пружину 23 и пропускает управляющий поток на слив, при этом давление в заклапанной полости основного клапана уменьшается и клапан 25 открывается, пропуская основной поток в канал Т. Управляющий поток проходит через клапан 20. Открытия клапана 20 при этом не происходит, так как он настроен на большее давление срабатывания, чем клапан 18.

Ваша оценка очень важна

0
Шрифт
Фон

Помогите Вашим друзьям узнать о библиотеке

Скачать книгу

Если нет возможности читать онлайн, скачайте книгу файлом для электронной книжки и читайте офлайн.

fb2.zip txt txt.zip rtf.zip a4.pdf a6.pdf mobi.prc epub ios.epub fb3

Популярные книги автора