Пауль Хоровиц - Искусство схемотехники. Том 2 [Изд.4 е] стр 6.

Шрифт
Фон

Как было сказано выше в общем описании схемы, значение R3 таково, что требуется использование причудливого Т-образного звена в обратной связи, чтобы значения резисторов обратной связи оказались в диапазоне номиналов прецизионных проволочных резисторов. Если пользоваться обычный конфигурацией инвентирующего усилителя, то понадобятся резисторы на 100 кОм, 1 МОм и 10 МОм для коэффициента усиления 10, 100 и 1000 соответственно.

Входное полное сопротивление U2может вызвать некоторые затруднения. При коэффициенте усиления, равном 1000, его дифференциальное входное сопротивление 25 МОм умножается благодаря следящей связи на A/1000 и составляет в замкнутой схеме 125000 МОм. К счастью, это более чем в миллион раз превосходит выходное сопротивление цепи, устанавливающей коэффициент усиления (9,4 кОм), поэтому погрешность будет намного меньше 0,01 %. Это один из худших случаев, который можно себе представить, но даже и здесь входное сопротивление ОУ не создает проблем. Отсюда видно, что входное сопротивление ОУ не создает никаких эффектов, которые стоило бы учитывать.

Дрейф напряжения сдвига U1и U2от времени, температуры и напряжения питания влияют на суммарную погрешность в равной степени, и их значения приведены в бюджете. Укажем, здесь что они автоматически компенсируются в каждом "обнуляющем" цикле, поэтому играет роль только кратковременный дрейф. Эти погрешности благодаря качеству ОУ лежат в микровольтовом диапазоне. U3 имеет несколько больший дрейф, но его приходится брать ПТ-типа, чтобы обеспечить малые значения тока утечки конденсатора. Так как выходной сигнал U3 ослабляется пропорционально выбранному коэффициенту, то эта погрешность, отнесенная ко входу, при больших коэффициентах усиления ослабляется. Это важный факт, поскольку большие коэффициенты усиления употребляются при низких уровнях сигнала, для которых требуется большая точность. Погрешности, создаваемые U3 на выходе, всегда одинаковы, поэтому они специфицируются в бюджете погрешностей как выходные погрешности (приведенные к выходу).

Обратите внимание на некоторые общие принципы проектирования, которые проясняются на этом примере: вы решаете некоторый набор задач, выбирая конфигурацию и элементы так, чтобы уменьшить погрешности до приемлемых значений. При этом необходимо идти на некоторые компромиссы и уступки, при этом их выбор зависит от внешних факторов (например, использование в качестве повторителя ОУ с ПТ-входом предпочтительнее, если полное сопротивление источника сигнала больше 50 кОм). В табл. 7.2 содержатся данные ОУ, которые можно использовать при проектировании прецизионных схем.

7.07. Выходные погрешности усилителя

Как указывалось в гл. 4, операционные усилители имеют существенные ограничения, связанные с их выходным каскадом. Ограниченная скорость нарастания, нелинейные искажения выходного сигнала (см. разд. 2.15), конечное выходное сопротивление разомкнутого контура могут причинить неприятности и, если их не учитывать, привести к ошеломляюще большим погрешностям прецизионной схемы.

Скорость нарастания: общие соображения. Как отмечалось в разд. 4.11, изменения напряжения выходного сигнала ОУ могут происходить со скоростью, не превышающей некоторого максимума. Этот эффект порождается схемой частотной коррекции ОУ, как увидим при более детальном анализе. Одним из следствий конечности скорости нарастания является ограничение амплитуды выходного сигнала на высоких частотах, равное, как было показано в разд. 4.12 и как видно на рис. 7.6, UПП= Sf, где UПП - полный размах сигнала.

Пауль Хоровиц, Уинфилд Хилл - Искусство схемотехники. Том 2 [Изд.4-е]

Рис. 7.6.Частотная зависимость максимального размаха сигнала на выходе ОУ.

Второе следствие лучше всего объяснить с помощью графика зависимости скорости нарастания от напряжения дифференциального входного сигнала (рис. 7.7).

Пауль Хоровиц, Уинфилд Хилл - Искусство схемотехники. Том 2 [Изд.4-е]

Рис. 7.7.Для получения полной скорости нарастания ОУ требуется значительное дифференциальное входное напряжение.

Смысл его в том, что схема, требующая большой скорости нарастания, работает с существенными напряжениями между входными клеммами ОУ. Это может привести к катастрофическим последствиям в схеме, претендующей на высокую точность.

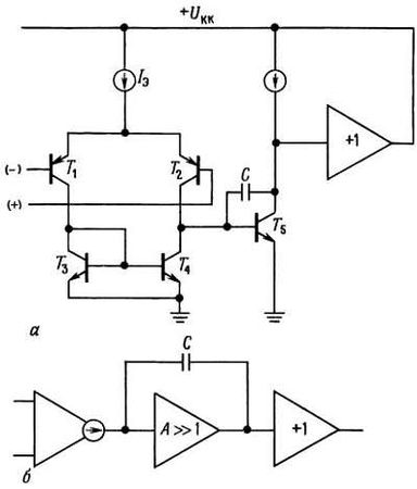
Чтобы понять, чем определяется скорость нарастания, заглянем внутрь операционного усилителя. Подавляющее большинство ОУ могут быть смоделированы схемой, изображенной на рис. 7.8.

Пауль Хоровиц, Уинфилд Хилл - Искусство схемотехники. Том 2 [Изд.4-е]

Рис. 7.8.Типичная схема частотной коррекции ОУ.

Дифференциальный входной каскад, нагруженный на токовое зеркало, возбуждает каскад с большим коэффициентом усиления по напряжению и с корректирующим конденсатором между выходом и входом. Выходной каскад - пушпульный повторитель с единичным коэффициентом усиления. Корректирующий конденсатор выбирается так, чтобы коэффициент усиления разомкнутой петли усилителя становился равным единице раньше, чем сдвиг фазы, вызванный остальными каскадами усилителя, станет существенным.

Таким образом, С выбирается таким, чтобы fср, полоса частот единичного коэффициента усиления, была близка к полюсу, с которого начинается спад усиления следующего каскада, как описывалось в разд. 4.34. Входной каскад имеет очень высокое выходное сопротивление и для следующего каскада является источником тока.

В операционных усилителях возникает ограничение скорости нарастания, когда выходной сигнал возбуждает один из транзисторов дифференциального каскада почти до насыщения, действуя на следующий каскад полным током эмиттера в дифференциальной паре. Это происходит при дифференциальном входном напряжении около 60 мВ, при котором соотношение токов в дифференциальном каскаде равно 10:1. В этот момент напряжение коллектора Т5 изменяется с максимально возможной скоростью, а весь ток Iэ идет на заряд конденсатора С. Таким образом, Т5 и С образуют интегратор с ограниченной скоростью нарастания на выходе. Выведем выражение скорости нарастания.

Скорость нарастания: детальное рассмотрение. Прежде всего напишем выражение для коэффициента усиления разомкнутого контура по напряжению при малом сигнале переменного тока без учета сдвигов фаз:

АU = gmXC = g/2πfC,

откуда полоса единичного усиления (частота, при которой АU = 1) есть

fср = (1/2π)(gm/C).

Скорость нарастания определяется током Iэ, заряжающим конденсатор С:

S = dU/dt = Iэ/С.

Для обычного дифференциального усилителя без эмиттерных резисторов gm связано с Iэ соотношением

gm = 1/rэ= Iэ/2UT = Iэ/50 мВ.

Подставляя это выражение в формулу скорости нарастания, находим

S = 2UTgm/C,

т. е. скорость нарастания пропорциональна gm/C, как и ширина полосы единичного усиления. В самом деле, S = 4πUTfср = 0,3fср, где fср выражено в МГц, а S - в В/мкс. Это выражение не зависит от конкретных значений С, gm, Iэ и т. д. и дает хорошую оценку для скорости нарастания (классический ОУ 741, например, имеет fср ~= 1,5 МГц и скорость нарастания порядка 0,5 В/мкс). Отсюда ясно, что ОУ с большим значением произведения ширины полосы пропускания на коэффициент усиления (fср) будет иметь большую скорость нарастания. Нельзя улучшить быстродействие ОУ только увеличивая ток Iэ входного каскада, поскольку увеличение коэффициента усиления (за счет роста gm) требует соответственного увеличения значения С для частотной коррекции. Добавочное усиление в других каскадах ОУ также не помогает.

Ваша оценка очень важна

0
Шрифт
Фон

Помогите Вашим друзьям узнать о библиотеке