Очень удобно все переключающее устройство смонтировать в небольшом металлическом кожухе, который устанавливается около елки. Описанное устройство можно использовать и для переключения гирлянд лампочек, применяемых для иллюминации на других молодежных праздниках.

Рис. 32.Переключатель гирлянд
Мигающие маски
Используя схему электронного переключателя (см. рис. 32), можно для иллюминации сделать мигающие маски. Из полосок алюминия шириной 50-100 мм сгибаются несколько обручей. По периметру обручей можно просверлить несколько отверстий и заклеить их целлофаном. Внутри обруча укрепляются патрончики с лампочками, разделенными на две группы и окрашенными в разные цвета. Теперь нужно обручи обтянуть марлей. В центре обруча на марлю наклейте маски смешных человечков (из сказок) или животных.
На свободном поле помещаются несколько блестящих непрозрачных или, наоборот, прозрачных, сделанных из органического стекла звездочек. Остальная часть марли окрашивается темной краской или промазывается клеем. На клей можно насыпать вату - "снег" или измельченные блестящие осколки разбитых елочных украшений. Когда клей высохнет, излишек осколков стряхивается.
Подумайте сами, как еще можно украсить такие маски (рис. 33). Во время работы мультивибратора маски будут освещаться различными цветами (в которые окрашены лампочки).

Рис. 33.Мигающие маски
"Твердость руки"
Оригинальный аттракцион для молодежного вечера можно сделать, используя принцип медицинского прибора тремометра (см. рис. 34), предназначенного для определения степени напряжения мышц.
На листе из алюминия, латуни или железа - планшете - токонепроводящей краской или лаком нарисуйте сложные фигуры и пробуйте обвести их концом металлической спицы - щупом. Предварительно планшет и щуп соедините со звуковым генератором, как показано на рис. 34.
Звуковой генератор собирается на одном транзисторе Т1 типа П13 - П16 с коэффициентом усиления В порядка 30–40. Частота генератора определяется емкостью конденсатора С1 и сопротивлением резистора R1. Трансформатор Тр - любой выходной от транзисторного радиоприемника. Если имеется трансформатор, рассчитанный на работу в двухтактном режиме, то следует использовать половину первичной обмотки. Выход генератора нагружается маломощным громкоговорителем, например типа 0,2 ГД-1 (если при включении генератор не работает, необходимо поменять местами концы первичной или вторичной обмоток трансформатора).
Планшет лучше всего выполнить в виде плоской деревянной коробки. Звуковой генератор с громкоговорителем укрепите внутри коробки, а металлическую пластину - на одной из плоскостей коробки. Планшет с нарисованными на нем фигурами можно заменить двумя стойками с проволокой, по которой передвигается проволочное кольцо. Теперь возьмите в руки щуп и обводите фигуру (или проносите кольцо от одной стойки до другой) - как только собьется рука, из громкоговорителя раздастся звуковой сигнал - значит, "ошибка", передавайте щуп товарищу. Выигрывает тот, кто первый без ошибок обведет все фигуры "или пронесет кольцо. Можно сделать несколько таких приборов и устроить соревнования.

Рис. 34.Развлекательный аттракцион "Твердость руки"
Электронный кладоискатель
Это несложное устройство можно использовать для занимательной игры - поиска клада. Какого? Об этом нужно подумать организаторам праздника. Это может быть железная коробка с конфетами или какой-либо предмет, обернутый металлической сеточкой.
Зимой "клад" можно спрятать около елки и закрыть сверху ватой или декоративной тканью. Летом, если праздник проводится в лагере, "клад" можно даже зарыть на небольшую глубину в землю.
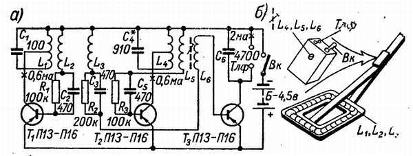
Устройство для поиска клада состоит из двух однокаскадных генераторов, собранных на транзисторах типа П13-П16, и однокаскадного усилителя, собранного на транзисторе такого же типа. Принципиальная схема устройства показана на рис. 35.

Рис. 35.Металлоискатель
Генерация создается за счет обратной связи между катушкой L1,включенной в цепь коллектора Т1 (первый генератор), и катушкой L2, включенной в цепь базы. Частота генерации (порядка 80-100 кгц) определяется индуктивностью катушки L1 и емкостью конденсатора С1. Аналогично работает и второй генератор, собираемый на транзисторе Т1. Через последовательно соединенные катушки связи L3 и L6 генерируемые колебания подводятся к усилителю, который собирается на транзисторе Т3. К выходу усилительного каскада подключаются головные телефоны Тлф.
Во время работы устройства через головные телефоны протекают переменные токи с частотой обоих генераторов и с разностью этих частот. Изменение частоты одного из генераторов (при внесении в зону контура железных предметов) сразу же отразится на высоте звука в телефонах.
Работу по сборке конструкции лучше всего начать с изготовления катушек L1, L2 и L3, которые наматываются в виде рамки. Для этого нужно из гетинакса или органического стекла выпилить рамку с внешними размерами 300х400 мм. По углам рамки укрепляются стойки - четыре болта или шпильки, на которые и укладываются витки этих катушек. Чтобы не повредить изоляцию катушек, болты нужно обернуть изоляционной лентой. Сначала наматывается катушка L1 (с отводом от 15-го витка, считая сверху). Затем наматываются витки катушки L2 и, наконец, L3. Данные всех катушек устройства приведены в табл. 1 (при намотке катушек не забудьте оставить выводы длиною 20–25 см). Верхние (по схеме) концы катушек соединяются между собой в один общий вывод. К общему выводу и ко второму выводу катушки L1 припаивается конденсатор C1.
Намотанные катушки и конденсатор C1 слегка приподнимаются и обматываются сверху двумя-тремя слоями изоляционной ленты. Затем, для лучшего закрепления катушек (осторожно тонким сверлом вдоль расположения витков), просверливаются два ряда отверстий. Через эти отверстия пропускается рыболовная леска, и, таким образом, катушки будут прочно прикреплены к рамке. Теперь угловые стойки-болты не нужны, их можно осторожно удалить. К рамке прикрепляется рукоятка. Ее можно сделать из деревянных брусков или бамбуковых палок.
При монтаже устройства желательно применять транзисторы одного типа с коэффициентом усиления В = 30–40, конденсаторы со слюдяным диэлектриком типа КСО-1 и КСО-2, резисторы - малогабаритные мощностью 0,12-0,25 вт. Катушки второго генератора наматываются на карбонильном сердечнике типа СБ-4. Он, в свою очередь, имеет подстроечный сердечник диаметром 8 мм, который выводится через стенку корпуса. После сборки прибора на него одевается ручка, и он служит для подстройки прибора. На сердечник СБ-4 сначала наматывается катушка L4 (с отводом), затем на нее наматываются катушки L5 и L6. Данные катушек прибора приведены в табл. 2. При налаживании прибора сначала при помощи частотомера или осциллографа определяется частота первого генератора, затем на эту же частоту настраивается и второй генератор. При настройке первого генератора второй генератор отключается; для этого отпаивается вывод эмиттера транзистора Т2. При настройке второго генератора отпаивается эмиттер транзистора Т1, а настройка проводится путем подбора величины конденсатора С4 при среднем положении подстроечного сердечника катушек L1, L5, L6. При увеличении емкости конденсатора С4 частота колебаний уменьшается и наоборот. Регулировкой частоты второго генератора нужно добиться "нулевых" биений, при этом звук в головных телефонах исчезает. Затем нужно немного сдвинуть настройку - должен хорошо прослушиваться звук низкого тона, что соответствует максимальной чувствительности прибора. Если теперь рамку с катушками поднести к металлическому предмету, звук в головных телефонах должен измениться.