Вот как впоследствии оценивал эти события немецкий писатель Стефан Цвейг: "Мы, более поздние поколения, никогда не сможем понять восхищения тех, кто был свидетелем первых успехов электрического телеграфа, их безмерного и восторженного удивления перед тем, что та же самая, едва ощутимая искра "Лейденской банки", которая еще вчера преодолевала лишь расстояние в один дюйм до сустава подставленного пальца, превратилась вдруг в могучую силу, способную проложить себе путь через равнины, горы и целые материки…". Безусловно, эти слова могут быть перенесены еще и на более позднее, но и более эпохальное событие - передачу кодом Морзе первой радиограммы А. С. Поповым (см. далее).
При передаче текста кодом Морзе каждая буква передается в виде определенной последовательности длинных и коротких сигналов - "тире" и "точки". В настоящее время, несмотря на широкое развитие голосовой связи, кодовая передача продолжает широко использоваться, так как имеет два больших преимущества.
Первое - это большая помехозащищенность и возможность передачи на большие расстояния, и второе - возможность получения и сохранения копии сообщения на бумаге или другом носителе.
Первые передачи велись ключом, оператор должен был сам посылать и принимать коды. Затем стали использоваться телетайпы, аппараты похожие на пишущую машинку, когда для передачи буквы нужно только нажать соответствующую клавишу, а необходимый код создается телетайпом. С появлением компьютеров они стали широко использоваться для подобных целей.
Телеграфная азбука (система кодировки символов короткими и длинными посылками для передачи их по линиям связи, известная как "код Морзе", или "морзянка"), которую применяют сейчас, существенно отличается от той, что изобрел в 1838 г. С. Морзе. Исходная таблица кода Морзе сильно отличалась от тех кодов, которые сегодня звучат на любительских диапазонах. Во-первых, в ней использовались посылки трех разных длительностей (точка, тире и длинное тире). Во-вторых, некоторые символы имели паузы внутри своих кодов. Кодировки современной и исходной таблиц совпадают примерно для половины букв (А, В, D, Е, G, Н, I, К, М, N, S, Т, U, V и W) и не совпадают ни для одной цифры. Кроме того, при построении кода ряда символов в оригинальной "морзянке" использовались разные принципы: сочетания "двойное тире" (буква L) и даже "тройное тире" (цифра 0); некоторые символы включали в себя паузу. Латинская буква С передавалась тогда как "две точки-пауза-точка", что совпадало с буквами И и Е, переданными друг за другом. Все это заметно осложняло прием радиограмм.
Вариант азбуки Морзе для Европы был разработан австрийцем Фредериком Герке; именно он ввел в код одинаковые пробелы и всего лишь две длительности импульсов - точку и тире и ряд других упрощений. Американский и европейский варианты использовались для отправки сообщений по кабельным линиям, при переходе же к радиотелеграфу потребовался унифицированный код.
Вообще азбука Морзе неминуемо прошла весь путь, который проходила и обычная азбука, применяемая для письма.
Современный вариант международного "кода Морзе" (International Morse), или МТК появился в 1939 г., и имеет в своей основе "код Герке", хотя и не совпадает с ним полностью. Так называемый "континентальный" вариант продолжал еще использоваться кое-где на железных дорогах до середины 1960-х годов.
МТК является универсальным для языков на основе латиницы, но похожие коды были разработаны и для других алфавитов: так в эфире можно услышать своеобразный "японский код".
Для сообщений телетайпом (буквопечатающих телеграфных аппаратов стартстопного типа с клавиатурой) используется специальный код Бодо, унифицированный как Международный телеграфный код (МТК-2). Этот код является равномерным и в нем используется 5 двоичных знаков (точка/тире или ноль/единица) для каждого символа, а кодовая таблица содержит 32 позиции, от 0 до 31. В телетайпе применяется частотная манипуляция с двумя звуковыми сигналами частотой 170 Гц, передаваемым по отдельности, а каждый знак передается пятью битами. В радиоэфире телетайпные сообщения звучат как непрерывная трель и для их приема используются специальные декодеры. Совмещение идеи телетайпа с компьютером привело к созданию цифровой радиосвязи.
В настоящее время, когда происходит активный симбиоз радиолюбительского пакетного радио и сети Интернет, впервые за последние 65 лет в международный радиотелеграфный код Морзе был введен новый символ - "@". Введение в "морзянку" нового символа призвано удовлетворить, прежде всего, радиолюбителей, обменивающихся электронными адресами и почтой. Код символа "@" имеет вид: "точка-тире-тире-точка-тире-точка". Он составлен из кодов двух латинских букв - А ("точка-тире") и С ("тире-точка-тире-точка"), передаваемых без паузы.
Электродвигатели
Трудно составить такую комбинацию из магнитов, переменного тока и кусков меди, которая не имела бы тенденции к вращению.
У. Томсон
Электрические двигатели - это устройства, в которых происходит преобразование электрической энергии в механическую. Общая классификация предусматривает следующее разделение двигателей. По виду механической энергии на их выходе: на двигатели вращательного или поступательного (линейного) движения. По роду тока - переменного тока (асинхронные и синхронные) или постоянного тока, а также универсальные; по мощности - силовые и микродвигатели (двигатели малой мощности: примерно до 0,6 кВт).
Кроме того, в классификации могут использоваться и другие признаки: назначение, исполнение, вид физического эффекта, лежащего в основе преобразования энергии, способы управления и т. п.
Для радиолюбителей электродвигатели, как компоненты разнообразных устройств, в основном могут представить интерес в приводах орг- и бытовой техники, электроинструменте, в игрушках и моделях. Все это двигатели малой мощности, но самых разнообразных типов.
Создание электродвигателя условно можно отнести к одной из ступеней "очеловечивания" обезьяны по механической линии: палка, колесо, ветро- и гидродвигатели (и движители), тепловые устройства и машины (паровая, пороховая, реактивная, двигатель внутреннего сгорания), электродвигатель.
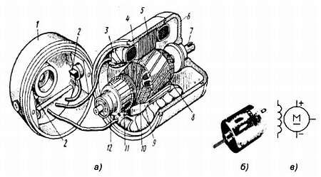
Первый шаг в этом направлении сделал М. Фарадей, описавший в 1821 г. опыты по вращению проводника в магнитном поле, а один из промежуточных, но результативных - Б. С. Якоби. В 1838 г. по реке Неве двигался бот с 12 пассажирами, приводимый в движение "магнитным двигателем" Якоби. Работа двигателя постоянного тока основана на взаимодействии проводников с током, располагаемых на якоре (вращающаяся часть двигателя) и магнитного поля, создаваемого обмоткой возбуждения, находящейся на магнитных сердечниках (полюсах) статора (рис. 24).

Рис. 24.Двигатель постоянного тока:
а - вид в разрезе (1, 6 - подшипниковые щиты; 2 - щетки; 3 - обмотка возбуждения; 4 - корпус; 5 - статор; 7 - вал; 8 - сердечник якоря; 9 - полюс; 10 - обмотка якоря; 11 - коллектор; 12 - подшипник); б - микродвигатель; в - компонент EWB
Поле возбуждения может также создаваться не обмоткой, а постоянными магнитами. Это взаимодействие приводит к появлению сил Ампера, создающих электромагнитный вращающий момент.
Подключение обмотки якоря к внешней цепи осуществляется через специальный щеточно-коллекторный узел. В последнее время появились бесколлекторные двигатели постоянного тока, имеющие датчики положения якоря и специальный полупроводниковый коммутатор.
В зависимости от способа соединения цепи якоря и обмотки возбуждения различают двигатели: независимого возбуждения, в которых обмотки питаются от разных источников (частный случай - возбуждение от постоянных магнитов); параллельного, последовательного и смешанного возбуждения. Вид механической характеристики (зависимости частоты вращения вала от нагрузки на нем) зависит от типа возбуждения.
В паспортных данных двигателей обычно указывают: напряжение питания, В; мощность (механическая мощность на валу) Вт или кВт; частоту вращения, об/мин; потребляемый ток, А. Реже можно встретить крутящий момент, момент инерции и другие характеристики.
Важной особенностью двигателей постоянного тока является простота регулирования частоты вращения с помощью реостатов, включаемых в цепь возбуждения или якоря, а также тиристорных преобразователей. При этом надо не забывать, что одновременно будет изменяться и момент (мощность) на валу двигателя.
В электродвигателях переменного тока неподвижная обмотка статора так распределена в пазах его внутренней поверхности, что при определенных способах питания ее переменным током, создаваемое ею магнитное поле вращается вокруг оси системы. Наиболее просто вращающееся поле получается в двух случаях.
В двухфазной системе (рис. 25) две обмотки (фазы) статора размещаются взаимно перпендикулярно (пространственный сдвиг) и питаются переменными синусоидальными напряжениями сдвинутыми по фазе также на 90° (временной сдвиг).