Виктор Борисов - Юный радиолюбитель [7 изд] стр 70.

Шрифт
Фон

Виктор Борисов - Юный радиолюбитель [7-изд]

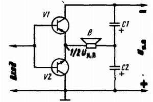
Рис. 181.Двухтактный бестрансформаторный усилитель мощности

Здесь также два транзистора, но они разной структуры: транзистор V1 - р-n-р, транзистор V2 - n-p-n. По постоянному току транзисторы включены последовательно, образуя как бы делитель напряжения питающего их источника постоянного тока. При этом на коллекторе транзистора V1 относительно средней точки между ними, называемой точкой симметрии, создается отрицательное напряжение, равное половине напряжения источника питания, а на коллекторе транзистора V2 - положительное, и также равное половине напряжения источника питания Uи. п. Динамическая головка В включена в эмиттерные цепи транзисторов: для транзистора V1 - через конденсатор С2, для транзистора V2 - через конденсатор С1. Таким образом, транзисторы по переменному току включены по схеме ОК (эмиттерными повторителями) и работают на одну общую нагрузку - головку В.

На базах обоих транзисторов усилителя действует одинаковое по значению и частоте переменное напряжение, поступающее от предоконечного каскада. А так как транзисторы разной структуры, то и работают они поочередно, на два такта: при отрицательной полуволне напряжения открывается только транзистор V1 и в цепи головка В - конденсатор С2 появляется импульс коллекторного тока (на рис. 180 - график б), а при положительной полуволне открывается только транзистор V2 и в цепи головка - конденсатор С1 появляется импульс коллекторного тока этого транзистора (на рис. 180 - график в). Таким образом, через головку течет суммарный ток транзисторов (график г на рис. 180), представляющий собой усиленные по мощности колебания звуковой частоты, которые она преобразует в звуковые колебания. Практически получается тот же эффект, что и в усилителе с трансформаторами, но, благодаря использованию транзисторов разной структуры, отпадает надобность в устройстве для подачи на базы транзисторов сигнала в противофазе.

Ты, уверен, заметил одно противоречие в моем объяснении работы двухтактных усилителей мощности: на базы транзисторов не подавались напряжения смещения. Ты прав, но особой ошибки здесь нет. Дело в том, что транзисторы двухтактного каскада могут работать без начального напряжения смещения. Но тогда в усиливаемом сигнале появляются искажения типа "ступенька", особенно сильно ощущаемые при слабом входном сигнале. Ступенькой же их называют потому, что на осциллограмме синусоидального сигнала они имеют ступенчатую форму (рис. 182). Наиболее простой способ устранения таких искажений - подача на базы транзисторов напряжения смещения, что и делают на практике.

Юный радиолюбитель [7-изд]

Рис. 182.Искажения типа "ступенька", которые можно увидеть на экране осциллографа

Теперь, прежде чем начать разговор об усилителях, обеспечивающих громкое звуковоспроизведение, хочу познакомить тебя с некоторыми параметрами, характеризующими усилитель 3Ч.

ПАРАМЕТРЫ УСИЛИТЕЛЯ 3Ч

О качестве и пригодности усилителя для тех или иных целей судят но нескольким параметрам, наиболее важными из которых можно считать три: выходная мощность Рвых, чувствительность и частотная характеристика. Это те основные параметры, которые ты должен знать и разбираться в них.

Выходная мощность - это мощность электрических колебаний звуковой частоты, выраженная в ваттах или в милливаттах, которую усилитель отдает нагрузке - обычно динамической головке прямого излучения. В соответствии с установленными нормами (ГОСТ) различают номинальную Рном и максимальную мощности Рmax. Номинальной называют такую мощность, при которой так называемые нелинейные искажения выходного сигнала, вносимые усилителем, не превышают 3–5 % по отношению к неискаженному сигналу. По мере дальнейшего повышения мощности нелинейные искажения выходного сигнала увеличиваются. Ту мощность, при которой искажения достигают 10 %, называют максимальной. Максимальная выходная мощность может быть в 5-10 раз больше номинальной, но при ней даже на слух заметны искажения.

Рассказывая об усилителях в этой и других беседах, я, как правило, буду указывать их усредненные выходные мощности и называть их просто выходными мощностями.

Чувствительностью усилителя называют напряжение сигнала звуковой частоты, выраженное в вольтах или милливольтах, которое надо подать на его вход, чтобы мощность на нагрузке достигла номинальной. Чем меньше это напряжение, тем, естественно, лучше чувствительность усилителя. Для примера скажу: чувствительность подавляющего большинства любительских и промышленных усилителей, предназначаемых для воспроизведения грамзаписи, равна 100–200 мВ (примерно такое напряжение развивает пьезокерамический звукосниматель), чувствительность усилителей, работающих от микрофонов, составляет 1–2 мВ.

Частотную характеристику (или полосу рабочих частот усилителя) выражают графически горизонтальной, несколько искривленной линией, показывающей зависимость напряжения выходного сигнала Uвых от его частоты при неизменном входном напряжении Uвх. Дело в том, что любой усилитель по ряду причин неодинаково усиливает сигналы разных частот. Как правило, хуже всего усиливаются колебания самых низших и самых высших частот звукового диапазона. Поэтому линии - частотные характеристик и усилителей - неравномерны и обязательно имеют спады (завалы) по краям. Колебания крайних низших и высших частот, усиление которых по сравнению с колебаниями средних частот (800-1000 Гц) падает до 30 %, считают границами полосы частот усилителя. Полоса частот усилителей, предназначенных для воспроизведения грамзаписи, может быть от 20 Гц до 20–30 кГц, усилителей сетевых радиовещательных приемников - от 60 Гц до 10 кГц, а усилителей малогабаритных транзисторных приемников - примерно от 200 Гц до 3–4 кГц.

Для измерения основных параметров усилителей нужны генератор колебаний звуковой частоты, вольтметр переменного напряжения, осциллограф и некоторые другие измерительные приборы. Они есть в радиолабораториях Дворцов и Домов пионеров и школьников, станций и клубов юных техников, в спортивно-технических клубах ДОСААФ, куда ты, если захочешь, можешь обратиться с просьбой измерить параметры сконструированного усилителя.

Перехожу к практике. Расскажу о трех усилителях 3Ч.

УСИЛИТЕЛЬ 3Ч С ПОВЫШЕННОЙ ВЫХОДНОЙ МОЩНОСТЬЮ

Сразу же сделаю оговорку: хотя сейчас и пойдет разговор об усилителе 3Ч для воспроизведения грамзаписи, он с таким же успехом может стать составной частью малогабаритного транзисторного радиоприемника.

Принципиальная схема усилителя показана на рис. 183.

Ваша оценка очень важна

0
Шрифт
Фон

Помогите Вашим друзьям узнать о библиотеке