![Виктор Борисов - Юный радиолюбитель [7-изд]](/page_images/25/1e305c2398b00f8996c70059c5c42dee.jpg)
Рис. 175.Усилитель на транзисторах разной структуры
Особенностью этого усилителя является то, что в первом его каскаде работает транзистор структуры р-n-р, а во втором - структуры n-р-n. Причем база второго транзистора соединена с коллектором первого не через связующий конденсатор, как в усилителе первых двух вариантов, а непосредственно или, как еще говорят, гальванически. При такой связи расширяется диапазон частот усиливаемых колебаний, а режим работы второго транзистора определяется в основном режимом работы первого, который устанавливают подбором резистора R2. В таком усилителе нагрузкой транзистора первого каскада служит не резистор R3, а эмиттерный р-n переход второго транзистора. Резистор же нужен лишь как элемент смещения: создающееся на нем падение напряжения открывает второй транзистор. Если этот транзистор германиевый (МП35-МП38), сопротивление резистора R3 может быть 680–750 Ом, а если кремниевый (МП111-МП116, КТЗ15) - около 3 кОм.
К сожалению, стабильность работы такого усилителя при изменении напряжения питания или температуры невысока. В остальном все то, что сказано применительно к усилителям первых двух вариантов, относится и к этому усилителю.
Можно ли усилители питать от источника постоянного тока напряжением 9 В, например от двух батарей 3336Л, или, наоборот, от источника напряжением 1,5–3 В - от одного-двух элементов 332 или 316? Разумеется, можно: при более высоком напряжении источника питания нагрузка усилителя - головка громкоговорителя - должна звучать громче, при более низком - тише. Но при этом несколько иными должны быть и режимы работы транзисторов.
Кроме того, при напряжении источника питания 9 В номинальные напряжения электролитических конденсаторов С2 первых двух вариантов усилителя должны быть не менее 10 В. Пока детали усилителя смонтированы на макетной панели, все это нетрудно проверить опытным путем и сделать соответствующие выводы.
Смонтировать детали налаженного усилителя на постоянной плате - дело несложное. Для примера на рис. 176 показана монтажная плата усилителя первого варианта (по схеме на рис. 174, а).
![Виктор Борисов - Юный радиолюбитель [7-изд]](/page_images/25/f50e249c7ead8189a990f94851ba2110.jpg)
Рис 176.Монтажная плата двухкаскадного усилителя 3Ч
Плату выпили из листового гетинакса или текстолита толщиной 1,5–2 мм. Ее размеры, указанные на рисунке, примерные и зависят от габаритов имеющихся у тебя деталей. Например, на схеме мощность резисторов обозначена 0,125 Вт, емкости электролитических конденсаторов - по 10 мкФ. Но это не значит, что только такие детали надо ставить в усилитель. Мощности рассеяния резисторов могут быть любыми. Вместо электролитических конденсаторов К50-3 или K52-1, показанных на монтажной плате, могут быть конденсаторы К50-6, к тому же на большие номинальные напряжения. В зависимости от имеющихся у тебя деталей может измениться и монтажная схема усилителя.
О самом монтаже я уже говорил в девятой беседе. Если забыл, загляни в нее еще раз.
Любой из усилителей, о которых я рассказал в этой части беседы, пригодится тебе в будущем, например для портативного транзисторного приемника. Аналогичные усилители можно использовать и для проводной телефонной связи с живущим неподалеку приятелем.
ДВУСТОРОННИЙ ТЕЛЕФОН
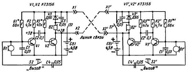
Схему аппаратуры для двухсторонней телефонной связи, о которой я хочу здесь рассказать, ты видишь на рис. 177.
![Виктор Борисов - Юный радиолюбитель [7-изд]](/page_images/25/2855859f7b55edf2cfe1c035e2be7c9a.jpg)
Рис. 177.Схема двустороннего телефона
Слева приведена принципиальная схема первого аппарата, например твоего, справа второго - находящегося в доме твоего приятеля. Через разъемы X1, Х2 и Х1', Х2' аппараты соединены между собой двухпроводной линией связи (на схеме обозначена штриховыми линиями), длина которой может достигать 40–50 м. Разъем X1 первого аппарата должен соединяться с разъемом Х2' второго, а разъем Х2 - с разъемом Х1'. При невыполнении этого совершенно обязательного правила телефонная связь не состоится.
Телефонные аппараты, как видишь, идентичные, поэтому разберем работу лишь одного из них, например первого.
Его основой служит двухкаскадный усилитель 3Ч на кремниевых транзисторах структуры n-р-n. Оба транзистора включены по схеме ОЭ. Усилитель питается от батареи GB1 напряжением 4,5 В (батарея 3336Л или составленная из трех элементов 332 или 343). Разомкнутое положение контактов выключателя питания S1 соответствует дежурному режиму работы аппарата. Ко входу усилителя подключен микрофон В1. Колебания звуковой частоты, создаваемые им при разговоре, подаются непосредственно на базу транзистора V1 первого каскада. Усиленные им колебания снимаются с нагрузочного резистора R2 и далее через конденсатор С2 поступают на базу транзистора V2 для дополнительного усиления. Но нагрузкой этого, выходного транзистора усилителя служит не "свой" телефон В2, а телефон В2' второго аппарата - он-то и преобразует в звук низкочастотный сигнал, усиленный транзисторами первого аппарата.
Разберемся в особенностях выходной цепи усилителя телефонного аппарата. Следи за моим рассказом внимательно.
При включении питания выключателем S1 положительное напряжение батареи GBI подается на коллектор транзистора V2 через линейный провод, соединяющий разъемы X1 и Х2', телефон В2', открытый в это время диод V3' и далее через второй линейный провод, соединяющий разъемы Х1' и Х2. Диод V3' остается открытым все время, пока контакты выключателя S1 замкнуты. Конденсатор С3' шунтирующий диод V3', уменьшает падение переменной составляющей на его внутреннем сопротивлении, благодаря чему телефон B2' сигнал не искажает. А диод V3 первого аппарата в это время закрыт положительным напряжением питающей батареи и через него, а значит, и через телефон В2 коллекторный ток транзистора V2 не идет. Конденсатор С1 шунтирует вход усилителя по наиболее высоким частотам звукового диапазона и тем самым предотвращает самовозбуждение на этих частотах.
Точно так работает и второй телефонный аппарат. Но нагрузкой транзистора V2' выходного каскада его усилителя 3Ч служит цепь, состоящая из телефона В2, диода V3 и конденсатора С3 первого аппарата.
Но чтобы приятеля пригласить для телефонного разговора, ты должен подать ему соответствующий сигнал. Для этого надо не только включить питание усилителя, но и нажать еще кнопку S2 "Вызов". При этом между коллектором транзистора V2 и базой транзистора V1 включится конденсатор С4, который создаст между выходом и входом усилителя положительную обратную связь, благодаря которой усилитель превратится в генератор колебаний звуковой частоты. При этом телефон В2' второго аппарата издаст достаточно громкий звук средней тональности, приглашающий приятеля к телефону. Услышав этот сигнал, приятель должен включить питание своего аппарата и нажать кнопку S2'. Теперь в телефоне твоего аппарата появится ответный сигнал, после чего можно начать взаимный разговор.
Возможная конструкция микротелефонной трубки (т. е. устройства, включающего в себя микрофон и телефонный капсюль) и плата усилителя аппарата показаны на рис. 178.