![Виктор Борисов - Юный радиолюбитель [7-изд]](/page_images/25/865d4327063f38c075cf1344823b5da4.jpg)
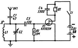
Рис. 97.Схема приемника на полевом транзисторе
Диода, как видишь, в нем нет. Транзистор включен по схеме ОИ. Между входным колебательным контуром L1C2 (может быть любым) и затвором транзистора включен конденсатор С3 (100–150 пФ), а между затвором и истоком - резистор R1 (750 кОм -1,5 МОм). Головные телефоны, включенные в цепь стока, заблокированы конденсатором С4 (2200–3300 пФ). Источником питания служит батарея GB1 напряжением 9 В (две батареи 3336Л, соединенные последовательно). Питание включают выключателем S1.
Как в таком приемнике происходит детектирование модулированных колебаний радиочастоты? Роль детектора в нем выполняет р-n переход между затвором и каналом. Действуя как выпрямитель, он создает на резисторе R1 слабые колебания звуковой частоты, которые усиливаются транзистором и преобразуются телефонами в звуковые колебания. Конденсатор С4, блокирующий телефоны по высокой частоте, выполняет ту же роль, что и аналогичный ему конденсатор детекторного приемника.
Входное сопротивление полевого транзистора огромно - в тысячи раз больше входного сопротивления биполярного транзистора, включенного по схеме ОЭ. Это преимущество полевого транзистора и позволило использовать его в приемнике для одновременного детектирования: радиочастотной составляющей и усиления, сигнала звуковой частоты.
ОДНОТРАНЗИСТОРНЫЙ РЕФЛЕКСНЫЙ
Чувствительность однотранзисторного приемника можно значительно повысить, если его транзистор, работающий в усилителе 3Ч, использовать еще и для усиления колебаний радиочастоты, т. е. сделать приемник рефлексным. Суть работы такого приемника иллюстрируют схема и графики, приведенные на рис. 98. Здесь треугольником А условно обозначен однотранзисторный усилитель.
![Виктор Борисов - Юный радиолюбитель [7-изд]](/page_images/25/8a9262bf04d7b9e774d77277022560cf.jpg)
Рис. 98.Схема, иллюстрирующая принцип работы рефлексного приемника
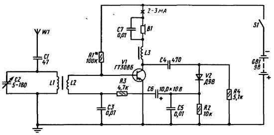
На его вход от колебательного контура поступает модулированный сигнал радиовещательной станции. После усиления этот сигнал детектируется диодом V; выделенные им колебания звуковой частоты подаются на вход того же усилителя, а после усиления преобразуется телефонами в звук. Принципиальную схему возможного варианта такого приемника ты видишь на рис. 99.
![Виктор Борисов - Юный радиолюбитель [7-изд]](/page_images/25/db18990d0fff26d9aefe25a697095899.jpg)
Рис. 99.Принципиальная схема однотранзисторного рефлексного приемника
Разберемся в его электрических цепях, в функциях, выполняемых его элементами. Входную цепь образуют знакомый тебе колебательный контур L1C2, настраиваемый на сигналы радиостанций конденсатором переменной емкости С2, и подключенные к нему антенна и заземление. Через катушку связи L2, индуктивно связанную с контурной катушкой L1, принятый модулированный сигнал радиочастоты поступает на базу транзистора V1, включенного по схеме ОЭ. Напряжение смещения, устанавливающее транзистор в режим усиления, подается на базу через резистор R1. В этой части приемника для тебя также нет ничего нового.
Незнакома пока коллекторная цепь транзистора. В связи с тем, что транзистор используется для усиления сигналов как радио, так и звуковой частот, в его коллекторной цепи две нагрузки: высокочастотная - дроссель L3 и низкочастотная - телефоны В1. Дроссель L3 - это катушка индуктивности, оказывающая колебаниям радиочастоты большое сопротивление. С него радиочастотный сигнал, усиленный транзистором, поступает через разделительный конденсатор С4 на диод V2 и детектируется им. Резистор R2 является нагрузкой детектора. Создающиеся на резисторе колебания звуковой частоты через конденсатор С6, резистор R3 и катушку связи L2 поступают на базу транзистора. Вместе с высокочастотным сигналом они устанавливаются и, пройдя свободно через дроссель L3, преобразуются телефонами В1 в звук. Таким образом, каскад на транзисторе V1 работает одновременно как усилитель РЧ и 3Ч, т. е. как рефлексный каскад.
Цепь, состоящая из диода V2, резистора R2 и конденсатора С5 должна на помнить тебе детекторную цепь первого варианта однотранзисторного приемника (рис. 92). Только там в детекторную цепь радиочастотный сигнал поступает непосредственно с колебательного контура, а в этом приемнике предварительно усиленный транзистором. Конденсатор С4, беспрепятственно пропуская через себя колебания радиочастоты, практически не пропускает колебания звуковой частоты и полностью перекрывает путь в эту цепь постоянному току.
Резистор R4 улучшает условия работы диода. Электрический конденсатор С6 - связующий элемент, а резистор R3 и конденсатор С3 образуют фильтр, очищающий сигнал звуковой частоты от высокочастотной составляющей. Без такого фильтра между коллектором и базой транзистора (через детекторную цепь) может возникнуть паразитная обратная связь по высокой частоте, усилительный каскад самовозбудится и в телефонах будет прослушиваться только свистящий звук.
Теперь о деталях. Транзистор V1 должен быть высокочастотным, например, ГТ308, П401-П403 с любым буквенным индексом. Диод V2 - любой из серий Д9, Д2. Конденсатор С4 - слюдяной (КСО) или керамический (КТК, КДК) емкостью 300–510 пФ. Конденсаторы С3, С5 и С7 могут быть типа МБМ, KЛC емкостью от 3300 пФ до 0,01 мкФ. Конденсатор С6 типа К50-6 или К53-1; резисторы R1-R3 - MЛT-0,125 или MЛT-0,25.
Высокочастотный дроссель L3 сделаешь сам. Его сердечником будет служить кольцо из феррита марки 400НН или 600НН с внутренним диаметром 6–8 мм (рис. 100, а). На него надо намотать 180–200 витков провода ПЭВ-1 0,12-0,18-практически до заполнения внутреннего отверстия кольца. Более толстый провод использовать не следует, так как может не уместиться необходимое число витков. Выводы и витки обмотки скрепи каплями клея БФ-2.
Для удобства намотки провода на кольцо сделай челнок (рис. 100, б) из двух отрезков неизолированной медной проволоки толщиной 0,8–1 и длиной 60–70 мм. Спаяй их в нескольких местах. Весь челнок и особенно концы его вилок зачисть мелкой наждачной бумагой, чтобы не портить изоляцию обмоточного провода. Намотай на челнок провод такой длины, чтобы его хватило на всю катушку. Среднюю длину одного витка провода ты можешь измерить. Она составляет 10–12 мм. Значит, для дросселя, содержащего 200 витков, на челнок, с учетом некоторого запаса, надо намотать около 2,5 м провода.
Пропуская челнок в окно ферритового кольца, витки укладывай плотно и следи, чтобы на проводе не было петель и не портилась его изоляция. Перед намоткой провода углы кольца сгладь наждачной бумагой.
![Юный радиолюбитель [7-изд]](/page_images/25/4695a1cdb0ce487323ffd44ff8de7dc2.jpg)
Рис. 100.Ферритовое кольцо (а), высокочастотный дроссель (б) и проволочный челнок для намотки провода
Для питания приемника используй две батареи 3336Л, соединив их последовательно. Выключатель S1 любой конструкции. Впрочем, его может и не быть - в опытном приемнике питание можно включать соединением проводников.
Колебательный контур может быть любым из тех, с которыми тебе пришлось иметь дело в третьей беседе. Надо только поверх контурной катушки или возле нее на ферритовом стержне намотать катушку связи L2 - 15–20 витков провода ПЭВ-1 или ПЭЛ диаметром 0,18-2 мм. Настраивать колебательный контур желательно конденсатором переменной емкости, например конденсатором КПЕ-180, или подстроечным конденсатором КПК-2 с наибольшей емкостью 150 пФ.
Детали усилителя и детекторной цепи смонтируй на картонной панели размерами примерно 80х50 мм (рис. 101).