Установка режима работы транзистора "на слух" - наиболее простой способ налаживания усилителя приемника. Лучше, однако, делать это с помощью миллиамперметра, включенного в разрыв коллекторной цепи транзистора, отмеченный на схеме крестом. Постепенно уменьшая сопротивление резистора в базовой цепи транзистора, надо добиться, чтобы ток в коллекторной цепи был 0,7–0,8 мА. Такой ток будет соответствовать нормальному режиму работы транзистора. Если при наибольшей громкости усилитель будет возбуждаться (в телефонах появятся звуки высокой тональности, ухудшающие качество радиоприема), то параллельно телефонам или между коллектором транзистора и заземленным проводником источника питания включи конденсатор емкостью примерно 0,01 мкФ (на схеме рис. 92 он показан штриховыми линиями). Свистящие звуки должны исчезнуть. Заменяя его конденсаторами других емкостей, примерно до 0,05 мкФ, можно опытным путем подобрать наиболее приятный тон звучания телефонов.
Можно ли в коллекторную цепь транзистора включить низкоомные головные телефоны или электромагнитный телефонный капсюль ДЭМ-4м.
Можно! Режим работы транзистора и в этом случае устанавливай временной цепочкой подстроечных резисторов, добиваясь наибольшей громкости звучания телефонов. Но теперь ток коллекторной цепи будет немного больше, чем с высокоомными телефонами. Но можно пойти по другому пути: в коллекторную цепь транзистора включить резистор, а головные телефоны, будь они высокоомными или низкоомными - безразлично, или капсюль ДЭМ-4м подключить через конденсатор параллельно участку эмиттер-коллектор транзистора, как показано на рис. 94.
![Виктор Борисов - Юный радиолюбитель [7-изд]](/page_images/25/6f96fcf3c6be47384dc141d275c15d34.jpg)
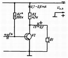
Рис. 94.Схема усилителя с резистивной нагрузкой
В этом случае резистор R3 будет выполнять функцию нагрузки транзистора. Создающиеся на нем колебания звуковой частоты, т. е. низкочастотная составляющая коллекторного тока, через конденсатор С5 будут поступать к телефонам В1 и преобразовываться ими в звуковые колебания. Конденсатор С5 может быть электролитическим емкостью 1–5 мкФ на номинальное напряжение не менее, чем напряжение источника питания Uи. п. В данном случае выводом отрицательной обкладки он должен подключаться к коллектору транзистора, а выводом положительной обкладки к телефонам.
Каким должно быть сопротивление нагрузочного резистора R3? Такое, чтобы в режиме покоя на коллекторе относительно эмиттера, т. е. на участке эмиттер-коллектор, было напряжение, равное примерно половине напряжения источника питания. При этом эффективность работы транзистора будет наилучшей. Такому условию отвечают резисторы сопротивлением в несколько килоом, обычно от 3 до 5,1 к Ом. И здесь режим работы транзистора устанавливай подбором сопротивления цепочки резисторов в его базовой цепи.
На этом, по существу, и заканчивается процесс налаживания усилителя. Остается только измерить омметром суммарное сопротивление временной цепочки резисторов, впаять в базовую цепь транзистора резистор такого же или ближайшего номинала, еще раз проверить работу приемника и смонтировать детали детекторного приемника и усилителя на постоянной панели. Но этим, если захочешь, ты займешься после нашей беседы, самостоятельно. Сейчас же я предлагаю проверить в работе несколько вариантов такого приемника.
ВАРИАНТЫ ОДНОТРАНЗИСТОРНОГО ПРИЕМНИКА
Прежде всего - включи в цепь питания последовательно еще одну батарею 3336Л, чтобы увеличить напряжение источника питания до 9 В, и точно так же переменным резистором добейся наиболее громкого и неискаженного приема сигналов той же радиостанции. Теперь телефоны будут звучать немного громче. Это потому, что увеличивая напряжение источника питания, ты тем самым повышаешь напряжение на коллекторе транзистора и, следовательно, его усиление. Затем замени батарею питания одним элементом типа 332 или 343. Теперь, чтобы добиться наиболее громкого приема, сопротивление подстроечной цепочки резисторов придется уменьшить. Телефоны будут звучать тише.
Зависит ли громкость звучания телефонов от статического коэффициента передачи тока h21э транзистора? Конечно, и значительно больше, чем от напряжения источника питания. А чем больше h21э используемого транзистора и напряжение источника питания, тем больше должно быть сопротивление резистора в базовой цепи транзистора. В твоем распоряжении могут оказаться транзисторы с малым коэффициентом h21э, например, равным 10–15. Транзистор с таким h21э даст меньшее усиление низкочастотного сигнала и телефоны будут звучать тише. Но и в этом случае можно добиться громкого радиоприема, если в усилителе будет работать не один, а два таких транзистора. Соедини их так, как показано на рис. 95: коллекторы транзисторов вместе, а эмиттер первого транзистора V2 - c базой второго транзистора V3. Получится так называемый составной транзистор V2V3.
![Виктор Борисов - Юный радиолюбитель [7-изд]](/page_images/25/30de7b15f56af7b7840a93240cbc9086.jpg)
Рис. 95.Усилитель приемника с составном транзистором
Усиление составного транзистора приблизительно равно произведению h21э входящих в него транзисторов. Так, например, если h21э каждого из транзисторов 15, то общий коэффициент усиления составного транзистора будет около 200.
Проверь работу составного транзистора в твоем опытном приемнике. При этом учти: первым транзистором (V2) должен быть тот из составляемых транзисторов, у которого обратный ток коллекторного перехода IКБО меньше.
Обязательно ли конденсатор С4 должен быть электролитическим? Нет, но емкость должна быть большой, во всяком случае не меньше 1 мкФ, чтобы оказывать возможно меньшее емкостное сопротивление току звуковой частоты. Среди малогабаритных бумажных нет конденсаторов, обладающих такими емкостями. А если в этом связующем узле приемника будет стоять конденсатор меньшей емкости, то на нем будет падать большая часть напряжения тока звуковой частоты, чем на эмиттерном р-n переходе транзистора, из-за чего будет проигрыш в усилении. Чтобы снизить потери, емкостное сопротивление конденсатора С4 должно быть по крайней мере в 3–5 раз меньше входного сопротивления транзистора. Этому требованию и отвечают электролитические конденсаторы.
А нельзя ли вообще обойтись без связующего конденсатора, соединив базу транзистора непосредственно с резистором R1? Можно. Но тогда обязательно надо будет изменить полярность включения диода V1. В этом случае схема приемника примет вид, показанный на рис. 96.
![Виктор Борисов - Юный радиолюбитель [7-изд]](/page_images/25/d1219bbd7773d44d16f7495cbfeaf67d.jpg)
Рис. 96.Схема возможного варианта однотранзисторного приемника
Теперь резисторы R1 и R2 образуют делитель, подключенный к батарее, с которого на базу транзистора снимается начальное напряжение смещения. Основной же нагрузкой детектора становится уже не резистор R1, как было в предыдущем варианте приемника, а эмиттерный переход транзистора. А так как сопротивление эмиттерного перехода много меньше сопротивления резистора R1, этот резистор вообще можно исключить из приемника. Испытай этот вариант приемника в действии. Режим работы транзистора устанавливай так же - подбором резистора R2.
Почему полярность включения диода должна быть обязательно такой, как показано на рис. 96? Чтобы по постоянному току база транзистора не оказалась замкнутой на эмиттер. Объясняется это очень просто. На базе транзистора относительно эмиттера действует отрицательное напряжение, равное примерно 0,1 В. И если с ней будет соединен не анод диода, а катод, то диод откроется, через него и катушку L1 потечет прямой ток и он перестанет выполнять функцию детектора.
А нельзя ли и диод исключить из приемника? Можно. Но тогда транзистор должен быть полевым, например КП103. Принципиальная схема такого варианта приемника показана на рис. 97.