Виктор Борисов - Юный радиолюбитель [7 изд] стр 16.

Шрифт
Фон

Виктор Борисов - Юный радиолюбитель [7-изд]

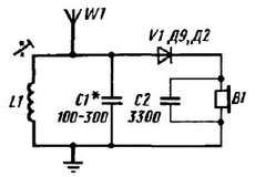
Рис. 37.Принципиальная схема детекторного приемника с фиксированной настройкой на одну радиостанцию

Настроить приемник на местную станцию можно ферритовым подстроечным сердечником катушки L1 (на схеме подстроечник символизирует короткая жирная черточка, пересекающаяся "молоточком") и подбором емкости конденсатора С1 от 100 до 300 пФ.

Можно использовать уже имеющуюся у тебя катушку с ферритовым стержнем, который будет выполнять функцию подстроечного сердечника. Но, разумеется, можно намотать новую, более короткую катушку, а в качестве подстроечника использовать отрезок ферритового стержня по длине каркаса катушки. Сердечник укрепи на панели приемника неподвижно, а настраивать контур на волну радиостанции будешь перемещением катушки вдоль сердечника. Настроив таким способом контур, закрепи каркас катушки на сердечнике каплей клея.

Пользуясь таким приемником, помни, что в его контур входят емкость и индуктивность антенны. Поэтому при подключении к нему другой антенны контур придется снова подстраивать.

ВОЗМОЖНЫЕ НЕИСПРАВНОСТИ

Детекторный приемник является наиболее простым радиотехническим устройством. Однако и в нем, как и в сложном приемнике, могут быть неполадки, которые надо уметь находить и устранять. Меньше всего неисправностей бывает, как правило, в приемнике, детали которого укреплены прочно, монтаж выполнен аккуратно, а все соединения надежно пропаяны.

Но если все же приемник перестал работать или работает с перебоями, значит, где-то обрыв, ненадежный или совсем плохой контакт, произошло короткое замыкание. Надо прежде всего посмотреть, нет ли внешних повреждений в катушке, хорошо ли присоединены антенна и заземление, в порядке ли переключатель. Проверь исправность антенны и заземления и их вводов, посмотри, не соприкасается ли провод антенны с каким-либо предметом, через который может быть утечка тока из антенны в землю помимо приемника. Если внешних повреждений в приемнике, антенне и заземлении не обнаружено, значит, где-то нарушился контакт в самом приемнике. Чаще всего плохие контакты появляются в переключателях из-за отвертывания гаек и винтов во время настройки, плохой зачистки монтажного провода в местах соединений. При этом приемник вообще перестает работать или передачи принимаются со значительным треском.

Неисправность может быть и в самой катушке, если она намотана не из целого отрезка провода и места соединения не пропаяны. Такие случаи бывают наиболее часто, если приемник долго находился в сыром месте: от сырости соединения окисляются, нарушаются электрические контакты.

Какие еще могут быть неисправности в приемнике?

Посмотри на схему своего приемника и ответь на такие вопросы. Будет ли работать приемник, если блокировочный конденсатор окажется "пробитым" (его обкладки соединены)? Что произойдет, если соединяются проводники шнура головных телефонов? Будет ли работать приемник, если случайно соединятся начало и конец контурной катушки или надломятся ее отводы?

Задай себе еще ряд подобных вопросов и ответь на них. Тогда тебе будет легче отыскивать неисправности в приемнике и устранять их.

В восьмой беседе ты узнаешь о пробниках и приборах, с помощью которых облегчается оценка качества деталей, контактов, соединений. Ими тоже можно воспользоваться для отыскания неисправностей в детекторном приемнике.

* * *

В этой беседе я затронул только практическую сторону построения простейшего радиоприемника, познакомил с принципом начертания и "чтения" его схемы. Но здесь почти ничего не было сказано о самом важном - о сущности работы колебательного контура, детектора, телефонов и приемника в целом, о тех явлениях и преобразованиях, которые про исходят в его цепях. Разговор об этом пойдет в следующей беседе.

Виктор Борисов - Юный радиолюбитель [7-изд]

Беседа 4
КАК РАБОТАЕТ РАДИОПРИЕМНИК

В любом радиовещательном приемнике, независимо от его сложности, совершенно обязательно есть три элемента, обеспечивающие ему работоспособность. Эти элементы колебательный контур, детектор и телефоны или, если приемник с усилителем 3Ч, (динамическая головка прямого излучения. Твой первый приемник, собранный и испытанный в ходе предыдущей беседы, состоял только из этих трех элементов. Колебательный контур, в который входили антенна с заземлением, обеспечивали приемнику настройку на волну радиостанции, детектор преобразовывал модулированные колебания радиочастоты в колебания звуковой частоты, которые телефоны преобразовывали в звук. Без них или без любого из них радиоприем невозможен.

В чем сущность действия этих обязательных элементов радиоприемного устройства?

КОЛЕБАТЕЛЬНЫЙ КОНТУР

Устройство простейшего колебательного контура и его схема изображены на рис. 38. Он, как видишь, состоит из катушки L и конденсатора С, образующих замкнутую электрическую цепь. При некоторых условиях в контуре могут возникать и существовать электрические колебания. Поэтому его и называют колебательным контуром.

Юный радиолюбитель [7-изд]

Рис. 38.Простейший электрический колебательный контур

Приходилось ли тебе наблюдать такое явление: в момент выключения питания электроосветительной лампы между размыкающимися контактами выключателя появляется искра. Если случайно соединить выводы полюсов батареи электрического карманного фонарика (чего нужно избегать), в момент их разъединения между ними также проскакивает маленькая искра. А на заводах, в цехах фабрик, где рубильниками разрывают электрические цепи, по которым текут токи большой силы, искры могут быть столь значительными, что приходится принимать меры, чтобы они не причинили вреда человеку, включающему ток. Почему возникают эти искры?

Из первой беседы ты уже знаешь, что вокруг проводника с током существует магнитное поле, которое можно изобразить в виде замкнутых магнитных силовых линий, пронизывающих окружающее его пространство. Обнаружить это поле, если оно постоянное, можно с помощью магнитной стрелки компаса. Если отключить проводник от источника тока, то его исчезающее магнитное поле, рассеиваясь в пространстве, будет индуцировать токи в ближайших от него других проводниках. Ток индуцируется и в том проводнике, который создал это магнитное поле. А так как он находится в самой гуще своих же магнитных силовых линий, в нем будет индуцироваться более сильный ток, чем в любом другом проводнике. Направление этого тока будет таким же, каким оно было в момент разрыва проводника. Иначе говоря, исчезающее магнитное поле будет поддерживать создающий его ток до тех пор, пока оно само не исчезнет, т. е. полностью не израсходуется содержащаяся в нем энергия. Следовательно, ток в проводнике течет и после того, как выключен источник тока, но, разумеется, недолго - ничтожно малую долю секунды.

Но ведь в разомкнутой цепи движение электронов невозможно, - возразишь ты. Да, это так. Но после размыкания цепи электрический ток может некоторое время течь через воздушный промежуток между разъединенными концами проводника, между контактами выключателя или рубильника. Вот этот ток через воздух и образует электрическую искру.

Это явление называют самоиндукцией, а электрическую силу (не путай с явлением индукции, знакомым тебе по первой беседе), которая под действием исчезающего магнитного поля поддерживает в нем ток, - электродвижущей силой самоиндукции или, сокращенно, ЭДС самоиндукции. Чем больше ЭДС самоиндукции, тем значительнее может быть искра в месте разрыва электрической цепи.

Явление самоиндукции наблюдается не только при выключении, но и при включении тока. В пространстве, окружающем проводник, магнитное поле возникает сразу при включении тока. Вначале оно слабое, но затем очень быстро усиливается. Усиливающееся магнитное поле тока также возбуждает ток самоиндукции, но этот ток направлен навстречу основному току. Ток самоиндукции мешает мгновенному увеличению основного тока и росту магнитного поля. Однако через короткий промежуток времени основной ток в проводнике преодолевает встречный ток самоиндукции и достигает наибольшего значения, магнитное поле становится постоянным и действие самоиндукции прекращается.

Явление самоиндукции можно сравнивать с явлением инерции. Санки, например, трудно сдвинуть с места. Но когда они наберут скорость, запасутся кинетической энергией энергией движения, их невозможно остановить мгновенно. При торможении санки продолжают скользить до тех пор, пока запасенная ими энергия движения не израсходуется на преодоление трения о снег.

Все ли проводники обладают одинаковой самоиндукцией? Нет! Чем длиннее проводник, тем значительнее самоиндукция. В проводнике, свернутом в катушку, явление самоиндукции сказывается сильнее, чем в прямолинейном проводнике, так как магнитное поле каждого витка катушки наводит ток не только в этом витке, но и в соседних витках этой катушки. Чем больше длина провода в катушке, тем дольше будет существовать в нем ток самоиндукции после выключения основного тока. И наоборот, потребуется больше времени после включения основного тока, чтобы ток в цепи увеличился до определенного значения и установилось постоянное по силе магнитного поле.

Ваша оценка очень важна

0
Шрифт
Фон

Помогите Вашим друзьям узнать о библиотеке