![Виктор Борисов - Юный радиолюбитель [7-изд]](/page_images/25/94c67890978c8d9d05d5dd86bf9b6b94.jpg)
Рис. 33.Условные графические обозначения некоторых радиотехнических деталей, приборов и устройств на принципиальных схемах
На принципиальных схемах рядом с символическими обозначениями радиодеталей, приборов, коммутирующих и других устройств пишут соответствующие им латинские буквы. Так, например, всем конденсаторам, независимо от их конструктивных особенностей и применения, присвоена буква С, резисторам буква R, катушкам - буква L, полупроводниковым диодам, транзисторам и многим другим полупроводниковым приборам - буква V, антеннам - буква W, гнездам и другим соединительным устройствам - буква X, головным телефонам, головкам громкоговорителей, микрофонам и другим преобразователям электрических или звуковых колебаний - буква В, гальваническим элементам и аккумуляторам - буква G, батареям гальванических элементов или аккумуляторов - буквы GB, лампам накаливания - буква Н и т. д.
Кроме того, на схемах детали нумеруют, т. е. рядом с буквой, присвоенной детали, пишут цифру, например C1, L1, L2, R1, V1 и т. д. Для упрощения принципиальных схем на них иногда не показывают антенну, головные телефоны, ограничиваясь только обозначениями гнезд или зажимов для их подключения, но тогда возле них пишут соответствующие буквы с цифрами: W1, В1.
Подробнее об условном буквенно-цифровом позиционном обозначении радиотехнических элементов и устройств на схемах радиоаппаратуры говорится в приложении 2, в конце книги.
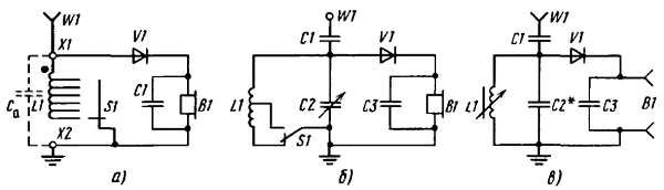
Вот теперь, зная условные позиционные обозначения деталей, можно изобразить принципиальными схемами детекторные приемники, с которыми ты экспериментировал.
Принципиальная схема первого варианта опытного приемника показана на рис. 34, а. Его ты настраивал изменением числа секций катушки, входящих в контур, путем переключения заземленного проводника. Поэтому в схему введен переключатель S1. Вспомни нашу "прогулку" по цепям приемника и соверши ее еще раз, но уже по принципиальной схеме. От начала катушки L1, обозначенного на схеме точкой, ты попадешь к диоду V1 и через него - к телефонам В1, далее через телефоны по заземленному проводнику, переключатель S1 и витки катушки L1 - к исходной точке. Это - детекторная цепь. Для токов высокой частоты путь из антенны в землю идет через секции катушки и переключатель. Это антенный контур. Приемник настраивается на радиостанцию скачкообразным изменением числа витков, включаемых в контур. Параллельно телефонам подключен блокировочный конденсатор С1.
На схеме штриховыми линиями показан конденсатор Са. В приемнике такой детали не было. Но символизирующая его электрическая емкость присутствовала она образовывалась антенной и заземлением и как бы подключалась к настраиваемому контуру.
Принципиальная схема одного из последующих вариантов опытного приемника показана на рис. 34, б. Его входной настраиваемый контур состоит из катушки L1, имеющей один отвод, введенного тобой конденсатора переменной емкости С2, антенного устройства и антенного конденсатора С1. Включение в контур только верхней (по схеме) секции катушки соответствует приему радиостанций СВ диапазона, включение обеих секций - приему радиостанций ДВ диапазона. Таким образом, в приемнике переход с одного диапазона на другой осуществляется переключателем S1, а плавная настройка в каждом диапазоне - конденсатором переменной емкости С2.
Последним вариантом был приемник, настраиваемый ферритовым стержнем. Его принципиальную схему ты видишь на рис. 34, в. Колебательный контур образуют катушка L1 и конденсатор постоянной емкости С2. Катушка не имеет отводов, значит, приемник однодиапазонный. Для приема радиостанции другого диапазона в контур надо включить катушку, рассчитанную на прием станций этого диапазона. Для подключения головных телефонов предусмотрены гнезда В1.
![Виктор Борисов - Юный радиолюбитель [7-изд]](/page_images/25/831a53dba2627b31d54da8504a77dc71.jpg)
Рис. 34.Принципиальные схемы вариантов опытного приемника с настройкой переключением отводов катушки (а), конденсатором переменной емкости (б), ферритовым стержнем (в)
КОНСТРУКЦИЯ ПРИЕМНИКА
В принципе детекторный приемник утратил былое практическое значение. Сегодня им уже никого не удивишь. Таково веление времени. Но для тебя, как и для всех начинающих любителей, он ценен как учебное пособие по основам радиотехники, на котором, кроме того, можно освоить и некоторые навыки радиомонтажных работ. Поэтому, полагают, тебе будет полезно довести приемник до простой законченной конструкции.
Возможная конструкция приемника первого варианта (по схеме рис. 34, а) показана на рис. 35.
![Виктор Борисов - Юный радиолюбитель [7-изд]](/page_images/25/28c0b50e3eb98cbb0b18506f35f7619f.jpg)
Рис. 35.Приемник с настройкой переключением секций контурной катушки
Диод V1, выполняющий функцию детектора, может быть любым из серий Д2, Д9. Емкость конденсатора С1, блокирующего телефоны В1, может быть от 2200 до 6800 пФ. Переключатель S1 самодельный ползункового типа (см. девятую беседу).
Приемник монтируй на фанерной панели размерами примерно 60х100 мм. Снизу по краям прибей бруски высотой по 10–15 мм, которые будут служить стойками. Сверху на панели будут переключатель, двухгнездная колодка для включения телефонов, зажимы антенны и заземления, под панелью диод V1, блокировочный конденсатор С1 и контурная катушка L1. Отводы и выводы катушки соединены с контактами переключателя и зажимом антенны. Закончив монтаж, проверь прочность всех соединений и их правильность по принципиальной схеме, включи телефоны, присоедини антенну и заземление и приступай к испытанию приемника. Может случиться, что наиболее длинноволновая радиостанция будет слышна слабо даже тогда, когда в контур включены все секции катушки. В таком случае между зажимами антенны и заземления придется включить дополнительный конденсатор емкостью 100–270 нФ. А если одновременно прослушиваются передачи двух радиостанций, то для улучшения селективности приемника в цепь антенны включи конденсатор емкостью 47–62 пФ.
В конструкции, показанной на рис. 36, ты должен узнать третий вариант опытного приемника с настройкой ферритовым стержнем (по схеме на рис. 34, в). Только тогда контурная катушка находилась на столе и ты подключал ее выводами к детекторной приставке, здесь же она концами каркаса вклеена в отверстия стоек аналогичной приставки.
![Виктор Борисов - Юный радиолюбитель [7-изд]](/page_images/25/91ab6cceb9ae335e8c6f7ab5d07a932c.jpg)
Рис 36.Приемник с настройкой ферритовым стержнем
Приемник настраивается только ферритовым стержнем. На стержне сделаны метки, соответствующие его положению в каркасе катушки при настройке на разные станции.
Если в вашей местности хорошо слышны передачи радиостанций в основном только ДВ диапазона, в приемнике используй опытную катушку. Если же лучше слышны радиостанции СВ диапазона, тогда надо сделать другую катушку, рассчитанную на прием станций этого диапазона.
Конструкция катушки СВ диапазона такая же. Длина ее каркаса, также склеенного на ферритовом стержне, может быть 80–90 мм. Катушка должна содержать 80–90 витков провода ПЭВ-1 или ПЭВ-2 диаметром 0,2–0,3 мм, но уложенных на каркас вразрядку (с небольшим расстоянием между витками) с таким расчетом, чтобы общая длина намотки составила 60–70 мм. При такой намотке можно точнее настраивать контур на волну радиостанции, особенно работающую в наиболее коротковолновом участке этого диапазона. В этом ты еще убедишься.
Диод V1, как и в предыдущем приемнике, серии Д9 или Д2 с любым буквенным индексом. Емкость конденсатора C1 может быть 47–62 пФ, конденсатора С3 - 2200–6800 пФ. Конденсатор С2 подбери опытным путем (на схеме отмечено звездочкой): его емкость (от 100 до 470 пФ) должна быть такой, чтобы наиболее длинноволновая радиостанция принималась при почти полностью введенном внутрь каркаса ферритового стержня. Как пользоваться таким приемником, ты уже знаешь.
Если в вашей местности хорошо слышны передачи всего лишь одной радиостанции, скажем, только местной, ты можешь сделать более простой детекторный приемник - с фиксированной настройкой, например, по схеме, показанной на рис. 37. Такой приемник не имеет ручек настройки. Его один раз настраивают на выбранную станцию, и он всегда готов для приема этой станции.