
Рис. 6.17. Правильно ли соединены между собой динамические головки?
9. При частоте подводимого напряжения f = 1000 Гц мембрана головного телефона колеблется также с частотой 1000 Гц (рис. 6.18). С какой частотой будет колебаться мембрана при той же частоте подводимого напряжения, если вместо постоянного магнита поставить сердечник из мягкого железа?

Рис. 6.18. Схема капсуля головного телефона
Глава 7
Основные сведения об интегральных микросхемах
7.1. ОБЩИЕ СВЕДЕНИЯ
По технологии изготовления интегральные микросхемы (ИМС) делят на гибридные, пленочные и полупроводниковые.
У полупроводниковых микросхем все активные и пассивные элементы выполнены в объеме и на поверхности кристалла полупроводника. В пленочной ИМС все элементы и межэлементные соединения выполнены только в виде пленок проводящих и диэлектрических материалов на поверхности диэлектрической подложки. В гибридных микросхемах токонесущие проводники, резисторы, обкладки конденсаторов представляют собой пленки определенных размеров и электрических свойств, нанесенных на диэлектрическую подложку, на которую устанавливают диоды, транзисторы (как правило кремниевые структуры n-p-n), но без корпусов.
По функциональному назначению микросхемы делят на аналоговые (или линейно-импульсные) и логические (или цифровые). Аналоговые микросхемы используются для усиления, генерирования, преобразования электрических сигналов в приемниках, телевизорах и т. д. Логические (цифровые) микросхемы используются в ЭВМ, различных цифровых приборах и т. д.
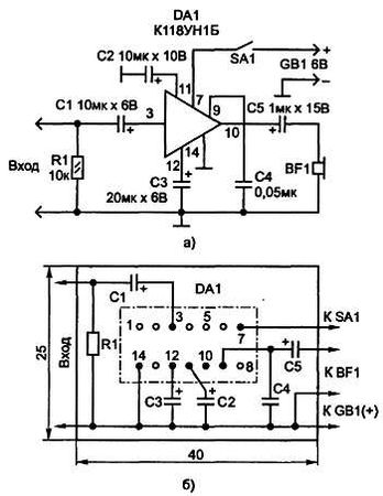
Изучение лучше начать с аналоговой полупроводниковой микросхемы широкого применения К118УН1Б (серия К122 отличается только конструктивным оформлением). Принципиальная схема этой микросхемы изображена на рис. 7.1, а, вид корпуса - на рис. 7.1, б, принципиальная схема УЗЧ на этой микросхеме - на рис. 7.2.

Рис. 7.1, а Принципиальная схема микросхемы К118УН1Б

Рис. 7.1, б)Тип корпуса микросхемы К118УН1Б (201.14-1)

Рис. 7.2.УЗЧ на микросхеме К118УН1Б:
а) принципиальная схема; б) монтажная плата
Из рис 7.1 видно, что микросхема К118УН1Б представляет собой двухкаскадный усилитель постоянного тока (УПТ), выполненный на кремниевых транзисторах структуры n-р-n с непосредственными связями. Каскад на транзисторе VT1 выполнен по схеме с ОЭ, а на транзисторе VT2 может быть использован как в схеме с ОЭ, так и в схеме ОК в зависимости от схемы включения транзистора VT2.
Роль нагрузки могут выполнять резисторы R7 (в схеме с ОК) или R5 (в схеме с ОЭ), а также внешние элементы. Через резисторы R4 и R6 транзисторы охвачены ООС, определяющей и стабилизирующей режим работы по постоянному току. Коэффициент усиления усилителя на микросхеме не менее 400 на частоте 12 кГц и не мене 30 на частоте 5 МГц, так что эта микросхема может быть использована и как усилитель напряжения радиочастоты в радиоприемнике.
Очень широкое применение в радиоэлектронике находят операционные усилители (ОУ). Операционным усилителем называют усилитель с большим коэффициентом усиления, имеющий два высокоомных входа, один низкоомный выход и предназначенный для построения разнообразных узлов электронной аппаратуры. Впервые они были использованы в аналоговых ЭВМ, в узлах, реализующих различные математические операции - суммирование, вычитание, дифференцирование, интегрирование и др. В настоящее время ОУ выполняют функции более 200 функциональных узлов электронной аппаратуры.
На рис. 7.3, а приведены типовые схемы включения ОУ К140УД1 и 140УД5.

Рис. 7.3. Типовые схемы включения ОУ 140УД1 (а) и К140УД5 (б)
Основными характеристиками ОУ являются характеристика прямой передачи, как ее принято называть - амплитудная характеристика (рис. 7.3, б), и амплитудно-частотная характеристика (рис. 7.3, в). При подаче сигнала на неинвертирующий вход амплитудная характеристика имеет вид кривой АВ (рис. 7.3, б), а при подаче сигнала на инвертирующий вход - вид кривой CD. Линейный участок амплитудной характеристики сверху и снизу практически ограничен напряжениями источников питания положительной и отрицательной полярности. Коэффициент усиления постоянного тока и очень низких частот современных ОУ достигает 10-10, а частота единичного усиления - 15∙10 Гц. Наличие у ОУ инвертирующего входа позволяет охватывать его цепями ООС и реализовывать требуемые амплитудные и амплитудно-частотные характеристики.
Основные параметры ОУ и их общепринятая размерность:
• Коэффициент усиления напряжения Ки, (1010);
• Коэффициент ослабления синфазного сигнала Kосл. сф, дБ;
• Частота единичного усиления (при которой Ku = 1) f1, МГц;
• Входное сопротивление Rвх, кОм;
• Напряжение смещения нуля Uсм, мВ;
• Максимальное входное дифференциальное напряжение Uвх. диф. max, В
• Максимальное входное синфазное напряжение Uвх. сф. max, В;
• Максимальное выходное напряжение Uвых. max, В;
• Скорость нарастания выходного напряжения V, В/мкс;
• Количество ОУ в одном корпусе ИМС, шт.
Чтобы знать, как работает ЭВМ и другие цифровые устройства, необходимо знать алгебру логики или Булеву алгебру (по имени ее основоположника Д. Буля). Цифровая (двоичная) логика различает только два состояния, которые в классической логике соответствуют понятиям "истина" и "ложь", а в применении к электронике - понятиям "1" и "0", соответствующие двум состояниям вентиля. Использование этого термина ("вентиль") удобно для понимания физики процесса и можно объяснить так, что схемы с вентилями могут задерживать или пропускать цифровую информацию по принципу обычного вентиля, предназначенного для управления потоком жидкости. Такое объяснение особенно удобно для начинающих радиолюбителей.
Логические преобразования двоичных сигналов включают три элементарные операции:
• логическое умножение, или операцию И;
• логическое сложение, или операцию ИЛИ;
• логическое отрицание, или операцию НЕ.
Все возможные логические функции n переменных можно образовать с помощью этих трех операций. В таблице 7.1 приведены математические записи основных аксиом и законов Булевой алгебры. Применение данных аксиом и законов позволяет производить упрощение логических функций, которые могут иметь различные формы представления: словесное, табличное, алгебраическое, графическое. Наиболее широко используют представление функций в виде таблиц истинности, которые содержат все возможные наборы значений логических переменных и значения функций, соответствующих каждому из наборов.

Элементы, выполняющие логические операции И, ИЛИ, НЕ, называются логическими элементами И, ИЛИ, НЕ соответственно.
УГО логического элемента И показано на рис. 7.4, а. Его условным символом служит знак "&", стоящий внутри прямоугольника; этот знак заменяет союз "и" в английском языке. Слева - два (может быть и больше) логических входа - X1 и Х2, справа - один выход Y. Логика действия элемента такова: напряжение высокого уровня появляется на выходе элемента лишь тогда, когда сигналы такого же уровня будут поданы на все его входы.