
Рис. 6.11. Схема для измерения выходного сопротивления УЗЧ
6.5.5. Измерение сопротивления катушки электродинамического громкоговорителя
Полное сопротивление катушки на заданной звуковой частоте чаще всего определяют с помощью звукового генератора (ЗГ) и электронного вольтметра (V). Измерительные приборы присоединяют к громкоговорителю так, как показано на рис. 6.12.

Рис. 6.12.Схема для измерения сопротивления катушки электродинамического громкоговорителя
Сопротивление резистора R, выбираемое в пределах 10–20 Ом, должно быть известно. Определение полного сопротивления катушки (Zк) заключается в измерении двух напряжений.
Сначала измеряют падение напряжения на катушке Uк. Затем переносят верхний (по схеме рис. 6.12) проводник вольтметра и точки В в точку А, измеряя таким образом падение напряжения Uвых на последовательно соединенных резисторе R и звуковой катушке.
Так как падения напряжений на последовательно соединенных элементах пропорциональны их сопротивлениям, то можно написать:
Uвых/Uк = (R + Zк)/Zк
откуда полное сопротивление катушки:
Zк = R/[(Uвых/Uк) - 1]
Пример.
• Определите сопротивление катушки громкоговорителя, если при включении последовательно с ней резистора сопротивлением 15 Ом стрелка вольтметра отклонилась в первый раз до отметки шкалы "0,85", а во второй раз, то есть при измерении напряжения на выходе генератора, - до отметки шкалы "3".
Решение. В соответствии с формулой полное сопротивление звуковой катушки:
Zк = 15/[(3/0,85) - 1] ~= 5.9 Ом
6.5.6. Измерение выходной мощности УЗЧ
Под выходной мощностью УЗЧ понимают наибольшую мощность, отдаваемую усилителем нагрузке при линейных искажениях, не превышающих заданной для данного усилителя величины.
В любительских условиях выходную мощность определяют косвенным путем.
Сначала измеряют сопротивление нагрузки и переменное напряжение на ней, а затем вычисляют мощность по формуле:
Pвых = Uн/Rн Вт
где Uн - действующее напряжение на нагрузке, В; Rн - сопротивление нагрузки, Ом;
Напряжение Uн определяют с помощью высокоомного вольтметра. С этой целью устанавливают ручку регулятора громкости усилителя в положение, соответствующее максимальному усилению, и присоединяют к нагрузке вольтметр. Затем подают на вход каскад звуковой частоты от звукового генератора напряжение такой величины, при которой громкоговоритель не перегружается и громко, без искажений, воспроизводит звук, соответствующий установленной частоте генератора. При достижении максимального неискаженного звучания записывают показания вольтметра, которое и принимают равным максимально допустимому напряжению (Uн) на нагрузке.
Пример.
• При измерении Rн и Uн оказалось, что:
1) сопротивление нагрузки равно Rн = 5,1 Ом;
2) Действующее значение напряжения на нагрузке Uн = 2,3 В;
3) Просматриваемая на экране осциллографа синусоидальная кривая выходного напряжения начинает искажаться при Uн = 2,35 В.
Чему равна выходная мощность усилителя?
Решение. Полагая, что при напряжении на нагрузке Uн = 2,35 В нелинейные искажения будут отсутствовать и пользуясь приведенной выше формулой, находим, что выходная мощность
P = 2,35/5,1 ~= 1 Вт
6.5.7. Практические советы
1. Тепловой режим маломощных транзисторов можно облегчить, надев на металлический корпус транзистора тор ("баранку") из спирали, выполненной из медной, латунной или бронзовой проволоки диаметром 0,5… 1,0 мм.
2. Радиатор для транзисторов серий КТ315, КТ361 можно изготовить из полоски меди, алюминия или жести шириной на 2…3 мм большей ширины корпуса транзистора (широкой его части). Транзистор вклеивают между изогнутыми краями пластины эпоксидным или другим клеем с хорошей теплопроводностью.
Для лучшего теплового контакта корпуса транзистора с радиатором необходимо сошлифовать с корпуса лакокрасочное покрытие в местах контакта, а установку в радиатор и склеивание производить с возможным минимальным зазором. Устанавливают транзистор с радиатором на плату, как и обычно, при этом нижние концы радиатора (концы буквы "П") должны упираться в плату. Если ширина полоски 7 мм, а высота радиатора (высота буквы "П"), изготовленного из луженой жести, толщиной 0,35…2,2 мм, то при мощности рассеивания 500 мВт температура радиатора в месте приклеивания транзистора не превышает 55 °C.
3. Ровность контактной площадки проверяют, смазав ее каким-либо красителем и приложив основание транзистора, который будут крепить. Выступающие участки площадки окрасят донышко корпуса транзистора.
4. Зажимы для выводов батареи 3336Л позволяют быстро и надежно подключать ее к схеме. Контактную пластину вырезают из латунной ленты толщиной 0,1…0,2 мм, сгибают пополам, к месту сгиба припаивают проводник и надевают отрезок полихлорвиниловой трубки подходящего диаметра. Выступающие концы пластины отгибают в разные стороны (на хлорвиниловую трубку). Если диаметр трубки подобран правильно, зажим обеспечивает надежный контакт с выводом батареи достаточно прочно удерживается на нем.
6.6. ЗАДАЧИ
1. Определить коэффициент усиления усилителя по току и по мощности в децибелах, если оба коэффициента усиления равны 100.
2. Определить коэффициент усиления по напряжению двухкаскадного усилителя, если выходное напряжение первого и второго каскадов соответственно равны 0,2 и 4 В, а напряжение источника входного сигнала - 0,01 В.
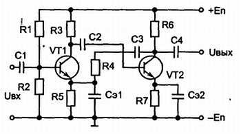
3. Объяснить назначение элементов двухкаскадного усилителя (рис. 6.13). Какие элементы можно использовать для регулировки коэффициентов усиления первого и второго каскадов, коэффициента частотных искажений, коэффициента обратной связи?

Рис. 6.13.Схема двухкаскадного УЗЧ
4. В полосе пропускания допустимые изменения коэффициента усиления Кдб не должны превышать 13 дБ. Каким процентным изменениям коэффициента усиления К соответствуют эти изменения?
5. В схеме каскада (рис 6.14) произошел обрыв шунтирующего конденсатора Сэ. Останутся ли при этом неизменными коэффициент усиления по напряжению и входное сопротивление?

Рис. 6.14.Схема однокаскадного УЗЧ
6. На вход усилителя мощности (рис 6.15), работающего на нагрузку Rн = 9,2 Ом, поступает гармонический сигнал Uвх = 10 В. Определить мощность, отдаваемую усилителем в нагрузку, приняв максимальное напряжение на эмиттерном переходе открытого транзистора UБЭ mах = 0,8 В.

Рис. 6.15.Схема двухтактного усилителя мощности
7. Какой операционный усилитель (ОУ) называется идеальным? Почему в схеме ОУ предусматривают два источника питания: с положительным (+Еп) и отрицательным (-Еп) постоянными напряжениями относительно нулевой общей точки схемы, которая заземляется? (рис. 6.16).

Рис. 6.16.Схема УЗЧ на операционном усилителе
8. На рис. 6.17 показано подключение к УЗЧ с выходным сопротивлением = 8 Ом восьми четырехомных динамических головок. Правильно ли соединены между собой динамические головки?