
Рис. 4.21.УГО полевых транзисторов
По конструктивному исполнению и технологии изготовления ПТ можно разделить на две группы: ПТ с управляющим р-n-переходом и ПТ с изолированным затвором.
Электрод, из которого в канал входят основные носители заряда, называют истоком; электрод, через который в канал уходят носители заряда, - стоком; электрод, служащий для регулирования поперечного сечения канала, - затвором. При подключении к истоку отрицательного (для n-канала), а к стоку положительного напряжения в канале возникает электрический ток, создаваемый движением электронов от истока к стоку, т. е. основными носителями заряда. В этом заключается существенное отличие ПТ от биполярного транзистора. Движение носителей заряда вдоль электронно-дырочного перехода (а не через переходы, как в биполярном транзисторе) является второй характерной особенностью ПТ.
ПТ с изолированным затвором имеют структуру, состоящую из металла, диэлектрика и полупроводника, поэтому их часто называют МДП-транзисторами, или МОП-транзисторами (металл - оксид - полупроводник). Существуют две разновидности МДП-транзисторов: с индуцированным и со встроенным каналами.
В МДП-транзисторах с индуцированным каналом заметный ток стока появляется только при определенной полярности и при определенном значении напряжения на затворе относительно истока - отрицательного при p-канале и положительного при n-канале. Это напряжение называют пороговым (Uпор).
В МДП - транзисторах со встроенным каналом проводящий канал образуется при напряжении на затворе, равном нулю. Током стока можно управлять, изменяя значение и полярность напряжения между затвором и истоком. При некотором положительном напряжении затвор-исток транзистора с p-каналом или отрицательном напряжении транзистора с n-каналом ток в цепи стока прекращается. Это напряжение называют напряжением отсечки (U3И. отс).
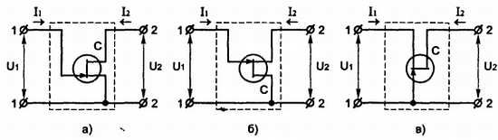
ПТ в качестве элемента схемы представляет собой активный несимметричный четырехполюсник, у которого один из зажимов является общим для цепей входа и выхода. В зависимости от того, какой из электродов ПТ подключен к общему выводу, различают схемы: с общим истоком и входом на затвор (рис. 4.22, а); с общим стоком и входом на затвор (рис. 4.22, б); с общим затвором и входом на исток (рис. 4.22, в). По аналогии с ламповой электроникой, где за типовую принята схема с общим катодом, для ПТ типовой является схема с общим истоком.

Рис. 4.22.Схемы включения ПТ
4.4.1. Основные параметры полевых транзисторов
1. Начальный ток стока IС. нач, - ток стока при напряжении между затвором и истоком, равном нулю, и напряжении на стоке, равном или превышающем напряжение насыщения.
2. Остаточный ток стока IС. ост - ток стока при напряжении между затвором и истоком, превышающем напряжение отсечки.
3. Ток утечки затвора I3.ут - ток затвора при заданном напряжении между затвором и остальными выводами, замкнутыми между собой.
4. Напряжение отсечки U3И. отс - напряжение между затвором и истоком транзистора с р-n-переходом или изолированным затвором, работающего в режиме обеднения, при котором ток стока достигает заданного низкого значения (обычно 10 мкА).
5. Пороговое напряжение U3И. пор - напряжение между затвором и истоком транзистора с изолированным затвором, работающего в режиме обогащения, при котором ток стока достигает заданного низкого значения (обычно 10 мкА).
6. Крутизна характеристик S - отношение изменения тока стока к изменению напряжения на затворе при коротком замыкании по переменному току на выходе транзистора в схеме с общим истоком. Значение S зависит от рабочей точки транзистора. Измеряют S на низкой частоте (обычно 50… 1500 Гц).
В таблице 4.11 приведены основные параметры некоторых наиболее распространенных ПТ.


Частотные свойства ПТ определяются постоянной времени RC-цепи затвора. Поскольку входная емкость у транзистора с р-n-переходом велика (десятки пикофарад), их применение в усилительных каскадах с большим входным сопротивлением возможно в диапазоне частот, не превышающих сотен килогерц - единиц мегагерц. У ПТ с изолированным затвором входная емкость значительно меньше, поэтому их частотные свойства намного лучше, чем у ПТ с р-n-переходом.
Тепловые параметры ПТ характеризуют его устойчивость при работе в диапазоне температур. В отличие от биполярных транзисторов, у которых при повышении температуры ток коллектора возрастает, ток стока ПТ в зависимости от выбранного режима может увеличиваться, уменьшаться или оставаться постоянным. На рис. 4.23 приведены стоко-затворные характеристики при различных температурах окружающей среды и указано положение термостабильной точки.

Рис. 4.23.Стоко-затворные характеристики ПТ при температурах:
1) +85 °C; 2) +25 °C; 3) -60 °C
Зависимость крутизны характеристики от температуры у полевых транзисторов такая же, как и у тока стока. С ростом температуры ток утечки затвора увеличивается. Хотя абсолютное изменение тока незначительно, его надо учитывать при больших сопротивлениях в цепи затвора. В этом случае изменение тока утечки затвора может вызвать существенное изменение напряжения на затворе ПТ и режима его работы.
В ПТ с изолированным затвором ток затвора практически не зависит от температуры.
При конструировании устройств на ПТ следует учитывать, что с увеличением напряжения отсечки термостабильная точка смещается в область малых токов стока, где относительная крутизна характеристики невелика. Поэтому в устройствах, которые должны иметь минимальную температурную нестабильность, необходимо применять транзисторы с индексом Е (Ж), у которых напряжение отсечки мало, а термостабильная точка находится в средней части стоко-затворной характеристики с относительно большой крутизной. У транзисторов же последних групп (КП102К, КП102Л) термостабильная точка находится в самом начале характеристики, где ее крутизна и ток стока относительно невелики, хотя и больше, чем у транзисторов КП102Е.
4.4.2. Максимально допустимые параметры
Они определяют значения конкретных режимов ПТ, которые не должны превышаться при любых условиях эксплуатации, при которых обеспечивается заданная надежность. К максимально допустимым параметрам относятся: максимально допустимое напряжение затвор - исток U3И. max, затвор - сток U3C.max, сток - исток UCИ. max, максимально допустимое напряжение сток - подложка UСП. max, исток - подложка UИП. max, затвор - подложка U3П. max. Максимально допустимый постоянный ток стока IС. max максимально допустимый прямой ток затвора, IЗ(пр). max - максимально допустимая постоянная рассеиваемая мощность Рmax.
Все основные и максимально допустимые параметры ПТ можно найти в справочниках по транзисторам.
4.4.3. Вольт-амперные характеристики ПТ
Они устанавливают зависимость тока стока Iс от одного из напряжений Uси или Uзи при фиксированной величине второго.
Статические стоковые характеристики ПТ с управляющим р-n-переходом представляют собой выраженную графически зависимость Iс = φ(Uси) при Uзи = const. При Uзи = 0 и малых значениях Uси ток стока изменяется прямо пропорционально напряжению (начало участка АБ, рис. 4.24, а). В точке Б из-за заметного сужения стокового участка канала и уменьшения его общей проводимости намечается некоторое отклонение характеристики от прямой линии.