
Приведенные выше предельные величины нагрузок являются все же достаточно условными. Ведь нередко приходится идти даже на значительное недоиспользование емкости, лишь бы получить значительный ток разряда на короткое время, при минимальных габаритах и весе автономного источника. Например, для модели аэровагона колеи 16 мм дороги "РIКО" был взят аккумулятор 7Д-0,1, который "крутил" моторчик с пропеллером при токе около 17 мА, что раз в семь-восемь превышает стандартную нагрузку при работе в радиоприемнике, для которого батарея предназначена. При повторном кратковременном режиме этого хватало на одну игру. Что касается гальванических элементов, то многие зарубежные изделия одного типоразмера с нашими имеют бóльшую емкость и могут разряжаться большими токами. Выбирая химические источники для конструкции, где они должны работать в нештатном режиме форсированного или ослабленного разряда, следует испытать их, чтобы не просчитаться. Вообще-то, полноценное с инженерной точки зрения испытание - дело не простое. Но в нашем случае можно этого избежать. Чтобы не тратиться на полномасштабную батарею, испытывать можно один лишь ее элемент. При этом нагрузкой послужит резистор-эквивалент, сопротивление которого находят из соотношения
R = Uном/(n - Iср)
где Uном - номинальное напряжение нагрузки, n - количество последовательно включаемых элементов батареи, Iср - средний ток нагрузки свежей батареи. Если ваш потребитель не имеет общей стабилизации напряжения питания, ток разряда будет падающим соответственно снижению разрядного напряжения источника. В таком случае испытательный "стенд" собирается по схеме рис. 2.42, а. Здесь по обычным часам находят время, за которое напряжение по вольтметру снизится до нижнего предела (Uк = Umin/n), допускаемого потребителем.
Иное дело, когда последний использует стабилизацию напряжения питания; этому соответствует испытательная схема по рис. 2, 42, б.

Рис. 2.42."Стенд" для испытания батареек
Имитировать автоматическую стабилизацию придется переменным резистором R1, поддерживая примерно постоянный ток через эквивалент R2. Конечно, реальный ток нагрузки не будет строго неизменным даже при стабилизированном питании - например, магнитофон потребляет больший ток при большей громкости, и наоборот. Но, принимая средние значения тока, отвечающие обычным условиям эксплуатации прибора, мы получите достаточно достоверный результат.
2.9. ЗАДАЧИ
1. В практических условиях иногда применяется последовательное включение электрических лампочек (например, в елочных гирляндах).
В такой цепи перегорела одна из лампочек (рис. 2.43). Рассмотреть в какой из ламп перегорела нить накала, затруднительно. Как обнаружить перегоревшую лампу, имея только вольтметр? Как отыскать перегоревшую лампу, используя только кусок провода в изоляции?

Рис. 2.43.Как отыскать перегоревшую лампочку?
2. В приведенной на рис. 2.44 схеме переменный резистор R1 (его сопротивление неизвестно) можно установить в два разных положения, при которых на нем будет рассеиваться мощность, равная 5 Вт.
При каких значениях тока в цепи это произойдет? Напряжение источника питания 30 В.

Рис. 2.44.Оказывается, на резисторе R1 выделяется одинаковая мощность при двух положениях переменного контакта
3. На схеме рис. 2.45 сопротивление каждого резистора составляет 1 Ом. Чему равно общее сопротивление цепи?

Рис. 2.45.Чему равно общее сопротивление цепи?
4. На рис. 2.46 приведены разные схемы (а, б, в, г) включения ламп. Попробуйте определить в каждой схеме лампу, которая светится ярче остальных. Все лампы имеют одинаковые параметры.

Рис. 2.46.Какая лампа светится ярче остальных?
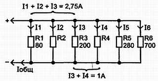
5. На рис. 2.47 приведена схема с шестью параллельно включенными резисторами. Сопротивления резисторов R2 и R4 неизвестны. Измерения показывают, что сила токов, протекающих через резисторы R1, R2, R3, составляет 2,75 А, а сумма токов, протекающих через резисторы R3, R4, равна 1 А. Какая сила тока в общей цепи?

Рис. 2.47.Чему равен общий ток в цепи?
6. На рис. 2.48 представлены 4 схемы. Найдите сопротивление внешней цепи каждой схемы. Все резисторы имеют одинаковое сопротивление, равное 12 Ом. Сопротивление диодов в прямом направлении равно нулю, в обратном - бесконечности.

Рис. 2.49.Чему равно сопротивление цепи?
Глава 3
Переменный ток
Из этой главы вы узнаете, чем отличается переменный ток от постоянного, об основных параметрах переменного тока, познакомитесь с основными элементами электрической цепи, рассмотрите их параметры, выясните основные закономерности в цепях переменного тока.
3.1. ПЕРЕМЕННЫЙ ТОК СИНУСОИДАЛЬНОЙ ФОРМЫ. ПОЛУЧЕНИЕ ПЕРЕМЕННОГО ТОКА. ОСНОВНЫЕ ПАРАМЕТРЫ
Если в источниках постоянного тока - гальванических элементах, батареях, аккумуляторах - сила тока (напряжение, э.д.с.) не меняют своего направления, ток во внешней цепи всегда течет от положительного зажима к отрицательному, то в источнике переменного тока, который, например, вырабатывает напряжение для городской сети, ток много раз в секунду (50 раз) меняет свое направление и величину (рис. 3.1). Этот ток изменяется по синусоидальному (гармоническому) закону.

Рис. 3.1.Ток много раз в секунду (50 раз) меняет свое направление и величину
Маятник часов - "ходиков" нарисовал бы на стене синусоиду, если их опускать вертикально вниз по стене (рис. 3.2); металлический шар, закрепленный между двумя горизонтально расположенными пружинами (рис. 3.3, а), будет тоже колебаться по убывающей синусоиде, если шар отвести в сторону одной какой-либо пружины и отпустить его.

Рис. 3.2.Маятник часов - "ходиков" рисует на стене синусоиду

Рис. 3.3, а. Металлический шар, закрепленный между двумя горизонтально расположенными пружинами, колеблется по убывающей синусоиде, если шар отвести в сторону
Груз, подвешенный на пружине, будет рисовать убывающую синусоиду (рис. 3.3, б).

Рис. 3.3, б. Груз, подвешенный ив пружине, будет рисовать убывающую синусоиду
На рис. 3.4, а показано получение (генерирование) переменного тока.