Как правило, корпус фотодиода обеспечивает широкую направленность приема излучения. С целью ослабления помех от посторонних оптических сигналов следует ограничить угол, в пределах которого излучение может попадать на прибор.
1.5. Датчики
1.5.1. Датчик освещенности
Классические полупроводниковые датчики освещенности, например фотодиоды и фототранзисторы, представляют собой диоды и транзисторы, у которых одна сторона корпуса пропускает. свет. Чтобы в этом убедиться, попробуйте аккуратно спилить верхнюю часть металлического корпуса транзистора. Затем подключите к нему напряжение, не присоединяя базу, и вы сможете констатировать, что протекающий по цепи коллектор-эмиттер ток реагирует на источник света, направленный на прибор (рис. 1.16). Аналогичный эксперимент можно провести и с диодом.

Рис. 1.16.Датчик освещенности
1.5.2. Датчик уровня жидкости
Для определения уровня жидкости часто используются свойства проводимости этой жидкости. Во избежание появления коррозии измерение ограничивают во времени, включая схему только на промежуток считывания или используя импульсный сигнал. Собственно датчик уровня может иметь металлические контактные пластины различной формы, закрепленные на стенке сосуда или просто погружаемые в жидкость. Базовая точка измерений всегда должна находиться на дне сосуда в постоянном контакте с жидкостью независимо от ее уровня. Датчик в виде отрезка многожильного ленточного кабеля, провода которого обрезаны до различной длины, а затем оголены и облужены, представляет собой оригинальное и не лишенное изящества решение (рис. 1.17).

Рис. 1.17.Датчик уровня жидкости
Электрическое подключение к схеме существенно упрощается за счет применения одного из многочисленных соединительных элементов, разработанных для кабелей такого типа. Одна жила ленточного кабеля (самая длинная) резервируется для фиксации базового уровня и при необходимости снабжается кабельным наконечником: Для механической сборки датчика можно применять специальные хомутики или отрезки клейкой ленты. По мере увеличения уровня жидкости все большее количество проводов датчика соединяется с заземленной базовой точкой через сопротивление жидкости, что легко зафиксировать по изменению потенциалов на выходах.
Следует учитывать, что жидкость (в частности, вода) может иметь высокое удельное сопротивление, поэтому иногда приходится обрабатывать выходные сигналы с помощью операционных усилителей.
1.5.3. Датчик температуры из транзистора
При измерении температуры высокая точность обычно не требуется, особенно когда речь идет только о фиксации превышения заданного порогового значения. Это относится, в частности, к схемам термической защиты, которыми оснащены устройства определенного класса. Долгое время в таких схемах использовались электромеханические датчики температуры, однако в настоящее время разработчики все чаще применяют электронные компоненты, необязательно специализированные. Измерить температуру можно и с помощью обычного транзистора, как это сделано в схеме на рис. 1.18.

Рис. 1.18.Измеритель температуры на транзисторном датчике
Собственно датчиком служит переход база-эмиттер первого транзистора, так как при нагревании напряжение на переходе существенно изменяется. Два других транзистора нужны для усиления снимаемого с датчика напряжения и для его преобразования в логический сигнал, который переключается при достижении заданной температуры (обычно 80-100 °C). В данном устройстве необходимо обеспечить хороший тепловой контакт между датчиком и радиатором, как и в случае монтажа охлаждаемых компонентов. Однако на этом контакте должно соблюдаться условие полной электрической изоляции во избежание сбоев логического сигнала.
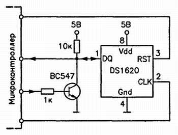
1.5.4. Датчик температуры на микросхеме
Широко распространенная микросхема типа DS1620 принадлежит к новому поколению специализированных схем, выполняющих широкий диапазон функций. Она размещена в простом корпусе DIP8. Однако для работы с микросхемой требуется микроконтроллер. На базе DS1620 можно создать термостат с двумя заданными порогами регулировки температуры (верхним и нижним). Микросхема может работать в режиме термометра в интервале температур от-55 до +125 °C. Результат измерения представляется в виде девятибитного сигнала с точностью 0,5 °C.
Для управления ИС микроконтроллером требуется три линии. Одна из них должна быть двунаправленной. Последнее требование выполняется редко. Чтобы его обойти, можно использовать простой каскад на транзисторе, включенном по схеме с общим эмиттером (рис. 1.19).

Рис. 1.19.Датчик температуры на микросхеме
Это позволяет заменить одну двунаправленную линию двумя обычными линиями, соединенными с входом и выходом каскада. Следует напомнить, что такая схема инвертирует сигналы, поступающие от микроконтроллера. Поэтому необходимо либо добавить инвертор, либо соответствующим образом изменить программу. Достаточно простой вариант программы обычно приводится в технической документации, которую рекомендуется приобрести вместе с микросхемой.
1.6. Механические и другие компоненты
1.6.1. Предохранитель
К выбору предохранителя следует отнестись со всей серьезностью, особенно если он находится в цепи питания, соединенной с сетью. Когда первые испытания схемы проведены, необходимо определить ток, потребляемый устройством, и умножить его на коэффициент, который в значительной степени определяется типом используемого трансформатора.
При выборе значения коэффициента следует помнить, что всплеск тока при включении может в 10 раз превышать ток, потребляемый в стационарном рабочем режиме. Сказанное относится к трансформаторам, имеющим значительную мощность. Если нет уверенности, стоит пожертвовать несколькими предохранителями и провести серию экспериментов по включению устройства, постепенно понижая номинальное значение тока предохранителя до выхода его из строя.
Для защиты низковольтных цепей (например, питающих реле) можно обратиться к предохранителям автомобильного типа, небольшим, недорогим и несложным в монтаже. Подобный предохранитель нетрудно смонтировать на основание в виде вилочной части стандартного двухконтактного разъема, розеточную часть которого можно припаять непосредственно к печатной плате.
1.6.2. Герконовое реле
Малогабаритные герконовые реле содержат герметизированные магнитоуправляемые контакты. Переключение инициируется магнитным полем, которое возникает при подаче питания на катушку реле. Чувствительность геркона к магнитному полю довольно высока, поэтому любой намагниченный элемент, расположенный вблизи реле, может нарушить его работу. Возможной причиной сбоя может стать, например, громкоговоритель, содержащий сильный магнит. При этом иногда возникает непростая для анализа ситуация: сбой проявляется только тогда, когда устройство находится на своем рабочем месте.
1.6.3. Реле с самоблокировкой
В электротехнике широко используется реле с самоблокировкой, у которого питание обмотки осуществляется через одну из пар контактов. Такая схема имеет ряд достоинств по сравнению со схемами, содержащими только выключатели. В частности, она позволяет избежать ситуации, когда нагрузка, отключившаяся из-за снятия напряжения питания, неожиданно включается снова при возобновлении питания. Используя реле, имеется возможность выполнять включение и выключение с помощью двух независимых кнопок. Для этого требуется реле, имеющее по крайней мере два нормально разомкнутых контакта.
На схемах, приведенных на рис. 1.20а, б, показаны два упомянутых варианта применения реле с самоблокировкой. Кроме этого, представлена схема включения индикатора отсутствия напряжения сети (рис. 1.20в).