
Рис. 1.13.Структура транзистора Дарлингтона с защитным диодом
1.4.9. МОП транзистор
Полевые транзисторы с изолированным затвором (МОП транзисторы) отличаются по характеристикам от биполярных транзисторов. Как правило, они используются в качестве переключателей, хотя МОП транзисторы можно применять и в аналоговой электронике, о чем свидетельствуют многочисленные ИС усилителей на этих приборах. МОП транзистор в состоянии проводимости можно сравнить с замкнутым выключателем: он имеет остаточное сопротивление около 2 Ом для маломощных приборов и порядка 0,1 Ом для мощных. При высоких токах, которые способны пропускать данные компоненты, такие величины сопротивлений могут вызывать заметное падение напряжения. Например, резистор 0,1 Ом, через который проходит ток 10 А, имеет падение напряжения 1 В. При высоких рабочих напряжениях этой величиной можно пренебречь. Иначе обстоит дело при управлении регулятором скорости вращения двигателя, получающего питание от батарейки или аккумулятора напряжением 6 В (например, в радиоуправляемых моделях).
Для снижения остаточного сопротивления МОП транзисторы можно соединять параллельно. Два параллельно включенных идентичных транзистора с остаточным сопротивлением по 0,1 Ом составят один прибор с сопротивлением 0,05 Ом, который может пропускать удвоенный ток. Теоретически допустимо соединять подобным образом любое число транзисторов, но на практике обычно ограничиваются несколькими приборами (не более четырех).
В справочниках представлены мощные МОП транзисторы, которые могут коммутировать токи до 100 и даже до 150 А. Как правило, приборы могут выдержать максимально допустимые токи лишь в течение очень короткого времени.
Например, транзистор IRF540 (в корпусе ТО220) имеет максимальный ток 28 А при напряжении 100 В. Однако из анализа его характеристик следует, что такой ток допустим лишь в импульсном режиме, когда длительность импульсов не превышает 100 мкс. При ее увеличении до 10 мс приходится довольствоваться током 4 А. Превышение указанных значений сопряжено с риском вывода из строя самого транзистора или встроенного в него защитного диода.
Ограничения по току распространяются и на случай параллельного включения транзисторов. Если учесть разброс параметров приборов, становится очевидным, что два параллельно включенных МОП транзистора никогда не имеют идентичные сопротивления в открытом состоянии. Вследствие этого через них будут проходить неравные токи и риск превышения допустимых значений увеличивается. Наконец, следует отметить, что МОП транзисторы, как правило, менее надежны, чем биполярные.
Одно из несомненных достоинств полевых транзисторов - простота управления при малом токе, потребляемом от источника сигнала. Поданный на вход импульс напряжения 5 В, генерируемый логическим вентилем, позволяет коммутировать большие токи в выходной цепи. Именно в этом и заключается основное преимущество полевых транзисторов по сравнению с биполярными, при использовании которых для достижения аналогичных выходных мощностей требуется каскадное соединение нескольких приборов. Обычно МОП транзистор начинает проводить ток при управляющем напряжении 4 В. Однако для полного открывания на его вход нужно подать напряжение 10 или 12 В (последнее значение соответствует стандарту RS232).
Для наиболее распространенной схемы включения с общим истоком управляющим напряжением является Uзи, a выходным напряжением - Uси (рис. 1.14а).

Между источником входного сигнала и затвором, как правило, включается низкоомный резистор. Одно и то же управляющее напряжение может подаваться на несколько параллельно включенных полевых транзисторов. В этом случае на каждый транзистор требуется по отдельному резистору (рис. 1.14б).

Примеры управления МОП транзистором с помощью логического инвертора и каскада на биполярных транзисторах показаны на рис. 1.14в,г.

Рис. 1.14.Схемы включения МОП транзистора: схема с общим истоком (а), параллельное включение МОП транзисторов (б), управление через логический вентиль (в) и управление с помощью транзисторов (г)
Аналогично существованию биполярных транзисторов n-р-n и p-n-р типов имеются полевые транзисторы с каналом n-типа и р-типа. Транзисторы с р-каналом редко применяются в виде дискретных элементов. Объединение МОП транзисторов обоих типов позволило создать комплементарные интегральные схемы, характеризующиеся исключительно низкой потребляемой мощностью.
Тестирование МОП транзистора при помощи мультиметра затруднено, поскольку затвор фактически изолирован от двух других. Можно лишь получить информацию о состоянии защитного диода, включенного между стоком и истоком, и проверить отсутствие короткого замыкания между выводами.
Следует помнить, что входной электрод МОП транзистора, как и вход логического вентиля КМОП типа, не должен оставаться свободным. Под воздействием наводок потенциал электрода способен принимать любое значение, что, в частности, может вызвать открывание транзистора и протекание высокого тока в выходной цепи при отсутствии входного сигнала. Поэтому во всех режимах, в том числе и на этапе тестирования, между затвором и общей точкой должно быть включено сопротивление утечки (обычно порядка 1 МОм).
1.4.10. Применение оптопар
Оптопары обеспечивают полную электрическую изоляцию между частями схемы, получающими питание от разных источников. Как и транзисторы, они применяются в устройствах коммутации (в частности, при передаче данных с использованием оптоэлектронных систем) или в аналоговых схемах (например, в стабилизаторах~напряжения).
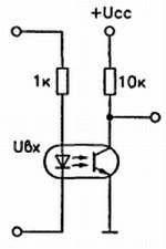
Отличительной особенностью оптопар является значительный разброд параметров от одного экземпляра к другому. Для проверки их характеристик достаточно построить небольшую схему, показанную на рис. 1.15.

Рис. 1.15.Схема включения оптопары
Уровень входного напряжения, нужного для переключения выходного транзистора в режим насыщения (низкоомное состояние), может изменяться на несколько вольт для разных экземпляров прибора одного типа. В цифровой электронике этот разброс не играет существенной роли при правильном выборе входного напряжения Uвх и сопротивления в цепи светодиода (чтобы переключение на выходе осуществлялось одинаково для всех приборов). В аналоговых схемах дело обстоит иначе, поэтому для обеспечения надежной работы необходимо предусмотреть ручную регулировку входного напряжения Uвх в достаточно широких пределах.
Наиболее распространенные оптопары имеют корпус DIP6. Два вывода относятся к светодиоду, а три - к транзистору, один вывод не задействован. Имеющийся вывод базы транзистора используется очень редко. Если этот вывод остается свободным, он, подобно антенне, может принимать сигналы различного рода помех, возникающие, например, в импульсных источниках питания. Не всегда легко определить, с какой точкой схемы допустимо соединить этот вывод, не нарушив работу транзистора. В этом" случае необходимо провести несколько тестов, не забывая о том, что неправильное подключение может иметь неприятные последствия для каскада, соединенного с выходом транзистора.
Проблемы такого рода не возникают при использовании более простой оптопары в корпусе DIP4, не имеющем вывода базы фототранзистора или включающем фотодиод. Следует иметь в виду, что для таких корпусов предусмотрены различные варианты расположения выводов. Некоторые типы оптопар исполняются в двух вариантах, единственное различие между которыми заключается в инверсном расположении выводов, соответствующих коллектору и эмиттеру фототранзистора.
1.4.11. Фотодиод ИК диапазона
В современных электронных схемах широко используются приборы, выполняющие функции генерации, детектирования или измерения излучения. Повышенное внимание в последние годы уделяется приборам ИК диапазона. Это связано с появлением и распространением устройств дистанционного управления, которыми оснащается практически вся аудио- и видеоаппаратура. Кодирование управляющих сигналов в таких устройствах постепенно стандартизируется, что расширяет область их применения.
Для детектирования сигналов ИК диапазона разработаны серийные модули, но радиолюбители могут без труда изготовить приемное" устройство самостоятельно. В качестве детектора излучения используется фотодиод ИК диапазона. Такой диод обладает чувствительностью и в видимой части спектра, поэтому искусственное освещение является для него источником помех. Для их подавления детектор должен быть защищен оптическим фильтром.