7. Селективное действие не обеспечивается в условиях, описанных в пунктах 5 и 6, то есть при токах в предохранителе F1,превышающих номинальный ток предохранителя F2 более чем в 3,5 раза.
8. Чтобы добиться селективной работы защиты предохранителями в рассматриваемой электрической цепи, необходимо, чтобы время срабатывания головного предохранителя было больше, чем время срабатывания предохранителей присоединений при всех возможных для них значениях тока. Для этого времятоковая характеристика предохранителя F1 не должна пересекать характеристик предохранителей F2 и F3, то есть должна располагаться выше этих характеристик (по оси tСР) во всем рассматриваемом диапазоне токов.
2.8. Защита от однофазных замыканий на землю
Защита от однофазных замыканий на землю может быть реализована на основе двух разных подходов [8]. Во-первых, путем общего (неселективного) контроля состояния изоляции сети относительно земли. Во-вторых, избирательно (селективно) действующими средствами, выявляющими замыкания на землю на отдельных присоединениях.
Общий контроль состояния изоляции и выявление однофазных замыканий на землю, как правило, основаны на непрерывном измерении напряжения нулевой последовательности в контролируемой электрической сети. При этом выявляется лишь факт возникновения замыкания. Но определить по напряжению нулевой последовательности, на каком из присоединений произошло повреждение, невозможно. Поэтому приходится их поочередно отключать. При отключении поврежденного присоединения напряжение нулевой последовательности в сети снижается до фонового уровня. Этот признак и используется при поиске повреждения.
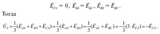
В соответствии с определением симметричных составляющих напряжение нулевой последовательности представляется так:
![]()
Здесь ĖA0, ĖB0, ĖC0 - векторы э.д.с. фаз соответственно А, B, C относительно земли.
Отсюда следует, что в нормальном симметричном режиме, когда потенциал нейтрали сети равен нулю, а модули векторов ĖA0, ĖB0, ĖC0 равны соответствующим модулям векторов фазных э.д.с., напряжение нулевой последовательности в сети Ú = 0.
При замыкании фазы С на землю

Как видно, при металлическом замыкании фазы на землю модуль напряжения нулевой последовательности равен модулю фазной э.д.с. сети. Следовательно, действующее значение напряжения нулевой последовательности равно действующему значению фазного напряжения. Интегральное значение этого напряжения можно контролировать непосредственно с помощью реле, которое подключается к нейтрали сети через ТН (рис. 2.32).

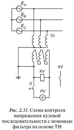
Для контроля напряжения нулевой последовательности часто используется фильтр напряжения нулевой последовательности, построенный на основе трехфазного ТН, вторичные обмотки которого соединены по схеме разомкнутого треугольника (рис. 2.33) [8]. Для измерения текущих значений напряжения нулевой последовательности параллельно катушке реле напряжения KV подключается и вольтметр PV(см. рис. 2.32 и рис. 2.33).

Значение напряжения срабатывания (в масштабе первичных величин) выбирается по условию отстройки от максимально возможного напряжения нулевой последовательности, возникающего в контролируемой сети в нормальных для нее режимах:
UСЗ > U0HP MAX.
Здесь UСЗ - действующее (первичное) значение напряжения срабатывания защиты; U0HP MAX - наибольшее возможное в нормальных режимах действующее (первичное) значение напряжения нулевой последовательности в контролируемой сети.
Значение напряжения U0HP MAX определяется предельно допустимым потенциалом нейтрали (UN MAX), которое, в свою очередь, обусловлено степенью несимметрии емкостей фаз сети относительно земли:
UN MAX = (5 - 10) % UФ НОМ
где UФ НОМ - номинальное фазное напряжение сети.
Кроме этого, напряжение нулевой последовательности может возникать в сети как проявление замыканий на землю в смежных (внешних) сетях и погрешностей тракта измерений. В результате совместного воздействия этих двух факторов оно может составить 3–5 % UФ НОМ.
Принимая во внимание возможность появления напряжения нулевой последовательности под действием всех отмеченных факторов, как правило, выбирают:
UСЗ = 0,15UФ НОМ.
Напряжение срабатывания реле определяется с учетом коэффициента трансформации ТН (kТН):
UСР = UСЗ / kТН.
При стандартном значении максимального выходного напряжения трансформатора (фильтра) напряжения нулевой последовательности 100 В напряжение срабатывания реле равно 15 В. Это значение напряжения срабатывания иногда устанавливается без расчетов, так как оно соответствует минимально возможному напряжению срабатывания реле типа РН-53/60Д, используемого в защитах.
Время срабатывания защиты выбирается исходя из требований отстройки от действия основных (селективных) защит от однофазных замыканий на землю и может приниматься в диапазоне от 0,5 до 9 секунд.
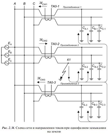
Защиту от однофазных замыканий на землю, способную действовать селективно (автоматически выявлять поврежденное присоединение), можно выполнить по принципу контроля тока нулевой последовательности в присоединениях. Для реализации этого принципа на каждом присоединении устанавливается трансформатор (фильтр) тока нулевой последовательности (рис. 2.34), в цепь вторичной обмотки которого включается катушка реле тока (рис. 2.35).


При однофазном замыкании на землю на втором присоединении (в точке К1) ток нулевой последовательности в месте установки трансформатора ТА0-2 этого присоединения определяется суммарной емкостью исправной части сети, то есть суммарной емкостью всей сети, кроме собственной емкости поврежденного первого присоединения. Токи нулевой последовательности в местах установки других ТТ нулевой последовательности определяются только собственными емкостями присоединений, на которых установлены эти трансформаторы. Например, ток нулевой последовательности в месте установки ТА0-1 определяется емкостями первого присоединения. Если емкости отдельных присоединений примерно одинаковы и присоединений достаточно много, то ток нулевой последовательности поврежденного присоединения значительно больше, чем других, не поврежденных присоединений. Этот признак используется для автоматического выявления поврежденного присоединения. Таким образом, при возникновении однофазного замыкания на одном из присоединений срабатывает реле тока защиты, установленной на этом присоединении, и формируется сигнал на отключение именно поврежденного присоединения.
Ток срабатывания защиты выбирается по условию отстройки от собственного емкостного тока замыкания на землю контролируемого присоединения. Иными словами, ток срабатывания защиты должен быть больше собственного емкостного тока присоединения (IСПР) во всех нормальных режимах работы контролируемого присоединения и при повреждениях на смежных присоединениях:
ТСЗ > ТСПР.
Действующее значение первичного тока срабатывания защиты определяется так:
IСЗ = kЗkБРIСПР,
где kЗ и kБР - соответственно коэффициент запаса и коэффициент отстройки от бросков емкостного тока в переходных режимах.
Значение емкостного собственного тока присоединения определяется в соответствии с п. 1.3: