Всего за 79.9 руб. Купить полную версию

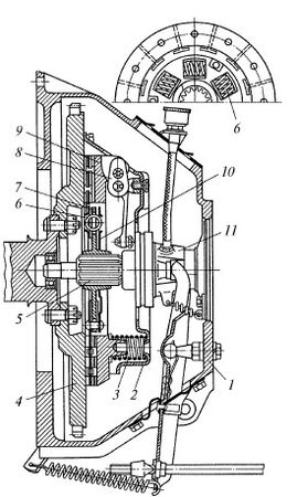
Рис. 3.3.1. Однодисковое сцепление с периферийными нажимными пружинами: 1 - картер маховика, 2 – кожух сцепления, 3 – нажимные пружины, 4 - маховик, 5 – ведущий вал коробки передач, 6 - пружина гасителя, 7 – ведомый диск, 8 – рычаги выключения сцепления, 9 - нажимный диск, 10 - диски гасителя с маслоотражателем, 11 – муфта выключения сцепления
К маховику 4 привернут кожух 2 с гнездами для нажимных пружин 3. Когда сцепление включено, нажимный диск 9 под действием пружин прижимает к торцовой поверхности маховика ведомый диск 7, сидящий на шлицах ведущего вала 5 коробки передач. Выключают сцепление отводом муфты 11, действующей на нажимный диск посредством рычагов 8. Рычаги отводят нажимный диск вправо, и давление на ведомый диск 7 прекращается.
К ведомому диску приклепаны фрикционные накладки из материала, обладающего большим коэффициентом трения.
Для быстрого гашения крутильных колебаний, передаваемых сцеплением от коленчатого вала двигателя, в ведомом диске сцепления устанавливают гаситель крутильных колебаний (демпфер), который устроен следующим образом. К ступице ведомого диска приклепаны с двух сторон диски 10 гасителя с маслоотражателями. Между дисками гасителя установлена опорная пластина. В ведомом диске и в опорной пластине выполнены окна с отбортовками, в которых расположены цилиндрические пружины 6.
При резком изменении крутящего момента, вызываемом крутильными колебаниями, ведомый диск поворачивается на некоторый угол относительно ступицы и пружины 6 сжимаются. При этом происходит трение между ведомым диском и фрикционными накладками гасителя, поглощающее энергию крутильных колебаний и приводящее к их затуханию.
На некоторых моделях отечественных автомобилей ("Москвич", "Жигули") устанавливалось сцепление с одной центральной диафрагменной нажимной пружиной (рис. 3.3.2). Пружине придана форма усеченного конуса. Она отштампована из листовой пружинной стали толщиной 0,9 мм. Радиально расположенные 18 лепестков пружины служат не только упругими элементами, но одновременно являются выжимными рычагами.
Существенным преимуществом диафрагменной пружины является ее нелинейная характеристика. При изменении нажатия на такую пружину усилие сначала возрастает, а затем, дойдя до определенного значения, начинает падать, в то время как у цилиндрических пружин усилие всегда пропорционально их сжатию.
В случае износа фрикционных накладок сцепления предварительное сжатие цилиндрических нажимных пружин уменьшается, давление на диски уменьшается и сцепление начинает пробуксовывать. При установке же диафрагменной пружины износ накладок практически не отражается на давлении, создаваемом пружиной, и опасность пробуксовки сцепления в этом случае исключена. Применение диафрагменной нажимной пружины позволяет уменьшить габаритные размеры, массу и значительно упростить конструкцию сцепления.


Рис. 3.3.2. Диафрагменное сцепление автомобиля ВАЗ: а - в сборе, б - детали; 1 – пластина крепления нажимного диска к кожуху сцепления, 2 - болт крепления кожуха к маховику, 3 – соединительная пластина крепления упорного фланца к кожуху, 4 – пружина крепления муфты подшипника к вилке, 5 – вилка включения сцепления, 6 – муфта подшипника выключения сцепления, 7 – картер сцепления, 8 – зубчатый венец маховика, 9 – пружинная шайба, 10 – кожух сцепления, 11 – нажимный диск, 12 – ведомый диск в сборе, 13 – пружина гасителя колебаний ведомого диска, 14 - фрикционное кольцо гасителя колебаний ведомого диска, 15 – пружина фрикционного элемента гасителя колебаний, 16 - ступица ведомого диска, 77– ведущий вал коробки передач, 18 - крышка подшипника ведущего вала коробки передач, 19 – болт, 20 – фиксатор нажимной пружины, 21 – маховик, 22 – подшипник выключения сцепления, 23, 24 – фрикционная накладка, 25 – заклепка крепления фрикционных накладок к ведомому диску
Отсутствие отдельных деталей, расположенных на периферии сцепления, облегчает его балансировку и исключает появление центробежных сил, которые могли бы уменьшить давление на диски при работе с большим числом оборотов. Таким образом, на ведомый диск сцепления передается равномерная нагрузка при всех режимах работы.
Особенности устройства сцепления с диафрагменной пружиной заключаются в наличии двух неразборных сборочных единиц (узлов). В один из них входит нажимный диск 11 в сборе с диафрагменной пружиной и кожухом 10. Другой сборочной единицей (узлом) является ведомый диск 12 с гасителем крутильных колебаний. Сцепление заключено в картер 7, отлитый из алюминиевого сплава, крепящийся к картеру маховика.
Для выключения сцепления служит скользящая муфта с шариковым подшипником 22 , усилие на которую передается от педали управления через гидравлический привод.
Сцепление с диафрагменной пружиной требует минимального технического обслуживания. Для его нормальной работы необходимо лишь обеспечить правильный свободный ход педали сцепления и поддержание в заполненном состоянии системы гидравлического привода.
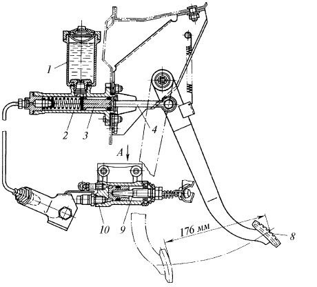
Сцепление выключается с помощью механического или гидравлического привода. Устройство его показано на рис. 3.3.3. Педаль 1 выключения сцепления установлена на оси, вращающейся в пластмассовых сферических подшипниках. При нажатии на педаль ось поворачивается и приводит в движение систему 5 тяг и рычагов, действующих на вилку выключения сцепления 8. Поворачивание вилки 8 вызывает перемещение муфты 3 выключения сцепления, которая посредством выжимного подшипника действует на рычаг сцепления, оттягивающий нажимный диск от ведомого, и тем самым выключает сцепление.
При отпускании педали сцепления оттяжные пружины 2 и 7 возвращают все части привода в исходное положение, и сцепление включается.
На многих отечественных легковых автомобилях применяется гидравлический привод выключения сцепления, состоящий из главного и рабочего цилиндров, соединенных между собой трубопроводом. Полости цилиндров и трубопровод заполнены тормозной жидкостью.

Рис. 3.3.3. Механический привод выключения сцепления:
1 - педаль сцепления, 2, 7 - оттяжные пружины, 3 – муфта,
4 - подшипник выключения сцепления, 5 - тяги, 6 - валик выключения сцепления, 8 – вилка выключения сцепления
