Налаживание
Как и при регулировке других металлоискателей, настройку данного прибора нужно проводить в условиях, когда металлические предметы удалены от поисковой катушки L1 на расстояние не менее 1,5 м.
Непосредственное налаживание металлодетектора следует начать с выбора нужной частоты биений. Для этого рекомендуется воспользоваться осциллографом или цифровым частотомером.
При работе с осциллографом его пробник необходимо подключить к точке соединения резисторов R1, R4, R5 и конденсатора С8, то есть к входу детектора. Осциллограмма в этой точке напоминает осциллограмму модулированного ВЧ-сигнала. Далее, подстраивая катушку L2 и подбирая емкости конденсаторов С2 и С6, нужно добиться того, чтобы частота модуляции (частота биений) была бы равна примерно 10 Гц.
При использовании цифрового частотомера для настройки металлоискателя частотомер следует подключить сначала к коллекторной цепи транзистора Т1, а затем – к коллектору транзистора Т2. Подбирая параметры указанных ранее элементов (индуктивность катушки L2, емкости конденсаторов С2 и С6), необходимо добиться того, чтобы разность частот сигналов на коллекторах транзисторов Т1 и Т2 составляла примерно 10 Гц.
Далее подбором резистора R8 устанавливается максимальный коэффициент усиления каскада, выполненного на транзисторе Т3.
При отсутствии осциллографа и частотомера подбор нужной частоты биений можно выполнить и без них. При этом необходимо сначала установить в среднее положение движок резистора R7, а затем, вращая подстроечный сердечник катушки L2, добиться появления в телефонах щелчков с частотой примерно 1–5 Гц. Если установить нужную частоту не удается, следует подобрать емкость конденсатора С6. Чтобы уменьшить влияние фона грунта, окончательный подбор частоты биений следует осуществлять при приближении поисковой катушки L1 к земле.
На этом процесс настройки металлоискателя с повышенной чувствительностью заканчивается.
Порядок работы
При практическом использовании данного металлодетектора следует переменным резистором R7 поддерживать необходимую частоту сигнала биений, которая изменяется при разряде батареи, при изменении температуры окружающей среды или при девиации магнитных свойств грунта. Также нужно отрегулировать громкость щелчков с помощью регулятора R16.
Если в процессе работы в зоне действия поисковой катушки L1 окажется какой-либо металлический предмет, частота сигнала в телефонах изменится. При приближении к одним металлам частота сигнала биений будет увеличиваться, а при приближении к другим – уменьшаться. По изменению тона сигнала биений, имея определенный опыт, можно легко определить, из какого металла, магнитного или немагнитного, изготовлен обнаруженный предмет.
С помощью такого металлоискателя мелкие предметы, например гвозди, можно обнаружить под слоем почвы на глубине до 10–15 см, а крупные (например крышки колодцев) – на глубине до 50–60 см.
2.6. Металлоискатель МИ-2
В первой половине 70-х годов прошлого столетия в Советском Союзе был разработан и серийно выпускался металлоискатель МИ-2, который широко использовался в народном хозяйстве. Схема и конструкция этого прибора неоднократно дорабатывались и усовершенствовались. Один из известных вариантов металлодетектора МИ-2 можно рекомендовать начинающим радиолюбителям для повторения.
Принципиальная схема
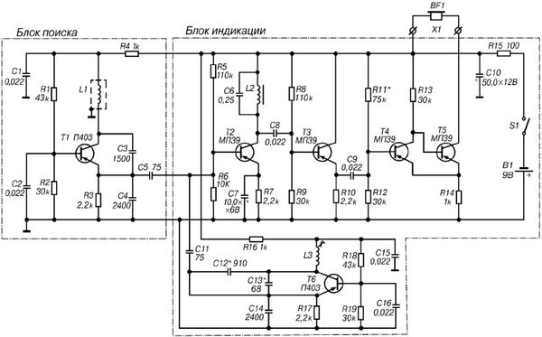
Как и некоторые рассматривавшиеся ранее конструкции, металлодетектор МИ-2 представляет собой один из многочисленных вариантов прибора типа BFO (Beat Frequency Oscillator), то есть является устройством, в основу которого положен принцип анализа биений двух частот. При этом в данной конструкции оценка изменения частоты осуществляется на слух (рис. 2.12).

Рис. 2.12. Принципиальная схема металлоискателя МИ-2
Основу схемы прибора составляют измерительный и опорный генераторы, емкостной каскад, эмиттерный повторитель, триггер Шмитта и головные телефоны.
Измерительный генератор выполнен на транзисторе Т1, включенном по схеме с общей базой. Рабочая частота этого генератора определяется параметрами колебательного контура, который состоит из поисковой катушки L1 и конденсаторов С3, С4. Напряжение обратной связи, необходимое для самовозбуждения, подается с коллектора транзистора Т1 в цепь эмиттера через емкостной делитель С3, С4. В результате на выходе измерительного генератора формируется синусоидальный сигнал с частотой 510 кГц.
Опорный генератор выполнен на транзисторе Т6 по схеме, аналогичной схеме измерительного генератора. Рабочая частота этого генератора определяется параметрами колебательного контура, который состоит из катушки L3 с латунным подстроечным сердечником и конденсаторов С12, С13 и С14.
Колебания с опорного и измерительного генераторов через конденсаторы С5 и С11 поступают на вход смесителя, который выполнен на транзисторе Т2. В коллекторную цепь транзистора Т2 включен контур, состоящий из катушки L2 и конденсатора C6, в котором выделяются колебания разностной частоты.
Поисковая катушка L1, входящая в состав колебательного контура измерительного генератора, является датчиком, реагирующим на появление в зоне действия прибора металлических предметов. При приближении катушки L1 к такому предмету происходят изменение ее индуктивности и, как следствие, изменение частоты сигнала измерительного генератора. В результате частота сигнала на выходе смесительного каскада также изменится. Поскольку контур смесителя, выполненный на элементах L2 и C6, настроен на разностную частоту колебаний измерительного и опорного генераторов при отсутствии металлических предметов, изменение частоты сигнала приведет и к уменьшению амплитуды сигнала на выходе смесителя. Рабочая частота контура смесителя составляет 1 кГц.
Далее выделенный сигнал подается на эмиттерный повторитель, выполненный на транзисторе Т3 и служащий для согласования триггера Шмитта со смесителем.
Триггер Шмитта выполнен на транзисторах Т4, Т5 и представляет собой электронное реле, реагирующее на изменение амплитуды входного сигнала. Режимы работы транзисторов Т4 и Т5 выбраны таким образом, чтобы триггер срабатывал при напряжении сигнала на входе более 0,5 В. Формируемый акустический сигнал подается на головные телефоны BF1.
Питание металлоискателя осуществляется от источника В1 напряжением 9 В, при этом потребляемый ток не превышает 4–5 мА.
Детали и конструкция
Конструктивно металлодетектор МИ-2 состоит из двух блоков. В состав блока поиска входят элементы, образующие измерительный генератор, в состав блока индикации – опорный генератор, емкостной каскад, эмиттерный повторитель и триггер Шмитта. Оба блока соединены между собой экранированным кабелем.
К используемым при сборке металлоискателя МИ-2 деталям не предъявляются какие-либо особые требования. Единственное ограничение связано лишь с габаритными размерами, поскольку большая часть деталей прибора смонтирована на двух сравнительно небольших печатных платах.
Детали блока поиска размещены на печатной плате размерами 70х35 мм, выполненной из одностороннего фольгированного гетинакса или стеклотекстолита (рис. 2.13).

Рис. 2.13. Печатная плата блока поиска металлоискателя МИ-2 (а) и расположение элементов на ней (б)
Детали блока индикации размещены на печатной плате размерами 150х75 мм, также выполненной из одностороннего фольгированного гетинакса или стеклотекстолита (рис. 2.14).